ZHCSPG6B December   2022  – January 2025 TPS631010 , TPS631011

PRODUCTION DATA  

  1.   1
  2. 特性
  3. 应用
  4. 说明
  5. 器件比较表
  6. 引脚配置和功能
  7. 规格
    1. 6.1 绝对最大额定值
    2. 6.2 ESD 等级
    3. 6.3 建议运行条件
    4. 6.4 热性能信息
    5. 6.5 电气特性 
  8. 详细说明
    1. 7.1 概述
    2. 7.2 功能方框图
    3. 7.3 特性说明
      1. 7.3.1 欠压锁定 (UVLO)
      2. 7.3.2 使能和软启动
      3. 7.3.3 可调节输出电压
      4. 7.3.4 模式选择 (PFM/FPWM)
      5. 7.3.5 输出放电
      6. 7.3.6 反向电流运行
      7. 7.3.7 保护特性
        1. 7.3.7.1 输入过压保护
        2. 7.3.7.2 输出过压保护
        3. 7.3.7.3 短路保护
        4. 7.3.7.4 热关断
    4. 7.4 器件功能模式
  9. 应用和实施
    1. 8.1 应用信息
    2. 8.2 典型应用
      1. 8.2.1 设计要求
      2. 8.2.2 详细设计过程
        1. 8.2.2.1 电感器选型
        2. 8.2.2.2 输出电容器选型
        3. 8.2.2.3 输入电容器选型
        4. 8.2.2.4 设置输出电压
      3. 8.2.3 应用曲线
    3. 8.3 电源相关建议
    4. 8.4 布局
      1. 8.4.1 布局指南
      2. 8.4.2 布局示例
  10. 器件和文档支持
    1. 9.1 器件支持
      1. 9.1.1 第三方产品免责声明
      2. 9.1.2 开发支持
        1. 9.1.2.1 使用 WEBENCH 工具创建定制设计方案
    2. 9.2 接收文档更新通知
    3. 9.3 支持资源
    4. 9.4 商标
    5. 9.5 静电放电警告
    6. 9.6 术语表
  11. 10修订历史记录
  12. 11机械、封装和可订购信息
    1. 11.1 机械数据

封装选项

机械数据 (封装 | 引脚)
散热焊盘机械数据 (封装 | 引脚)
订购信息

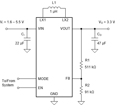
典型应用

TPS631010 TPS631011 3.3VOUT 典型应用图 8-1 3.3VOUT 典型应用