ZHCSKI0A April   2018  – November 2019 TPS57112C-Q1

PRODUCTION DATA.  

  1. 特性
  2. 应用
  3. 说明
    1.     Device Images
      1.      简化原理图
      2.      效率与输出电流间的关系
  4. 修订历史记录
  5. Pin Configuration and Functions
    1.     Pin Functions
  6. Specifications
    1. 6.1 Absolute Maximum Ratings
    2. 6.2 ESD Ratings
    3. 6.3 Recommended Operating Conditions
    4. 6.4 Thermal Information
    5. 6.5 Electrical Characteristics
    6. 6.6 Timing Requirements
    7. 6.7 Switching Characteristics
    8. 6.8 Typical Characteristics Curves
  7. Detailed Description
    1. 7.1 Overview
    2. 7.2 Functional Block Diagram
    3. 7.3 Feature Description
      1. 7.3.1 Fixed-Frequency PWM Control
      2. 7.3.2 Slope Compensation and Output Current
      3. 7.3.3 Bootstrap Voltage (BOOT) and Low-Dropout Operation
        1. 7.3.3.1 Error Amplifier
      4. 7.3.4 Voltage Reference
    4. 7.4 Device Functional Modes
      1. 7.4.1  Adjusting the Output Voltage
      2. 7.4.2  Enable Functionality and Adjusting Undervoltage Lockout
      3. 7.4.3  Slow-Start or Tracking Pin
      4. 7.4.4  Sequencing
      5. 7.4.5  Constant Switching Frequency and Timing Resistor (RT/CLK Pin)
      6. 7.4.6  Overcurrent Protection
      7. 7.4.7  Frequency Shift
      8. 7.4.8  Reverse Overcurrent Protection
      9. 7.4.9  Synchronize Using the RT/CLK Pin
      10. 7.4.10 Power Good (PWRGD Pin)
      11. 7.4.11 Overvoltage Transient Protection
      12. 7.4.12 Thermal Shutdown
      13. 7.4.13 Small-Signal Model for Loop Response
      14. 7.4.14 Simple Small-Signal Model for Peak-Current-Mode Control
      15. 7.4.15 Small-Signal Model for Frequency Compensation
  8. Application and Implementation
    1. 8.1 Application Information
    2. 8.2 Typical Application
      1. 8.2.1 Design Requirements
      2. 8.2.2 Detailed Design Procedure
        1. 8.2.2.1 Selecting the Switching Frequency
        2. 8.2.2.2 Output Inductor Selection
        3. 8.2.2.3 Output Capacitor
        4. 8.2.2.4 Input Capacitor
        5. 8.2.2.5 Slow-Start Capacitor
        6. 8.2.2.6 Bootstrap Capacitor Selection
        7. 8.2.2.7 Output Voltage and Feedback Resistor Selection
        8. 8.2.2.8 Compensation
        9. 8.2.2.9 Power-Dissipation Estimate
      3. 8.2.3 Application Curves
  9. Power Supply Recommendations
  10. 10Layout
    1. 10.1 Layout Guidelines
    2. 10.2 Layout Example
  11. 11器件和文档支持
    1. 11.1 器件支持
      1. 11.1.1 第三方产品免责声明
      2. 11.1.2 开发支持
    2. 11.2 文档支持
      1. 11.2.1 相关文档
    3. 11.3 接收文档更新通知
    4. 11.4 支持资源
    5. 11.5 商标
    6. 11.6 静电放电警告
    7. 11.7 Glossary
  12. 12机械、封装和可订购信息

封装选项

机械数据 (封装 | 引脚)
散热焊盘机械数据 (封装 | 引脚)
订购信息

Small-Signal Model for Frequency Compensation

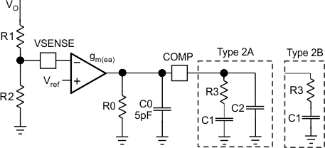
The TPS57112C-Q1 device uses a transconductance amplifier for the error amplifier and readily supports two of the commonly used frequency-compensation circuits. Figure 33 shows the compensation circuits. The most likely implementation of Type 2B circuits is in high-bandwidth power-supply designs using low-ESR output capacitors. Type 2A includes one additional high-frequency pole to attenuate high-frequency noise.

TPS57112C-Q1 f_compen_SLVSAH5.gifFigure 33. Types of Frequency Compensation

The design guidelines for TPS57112C-Q1 loop compensation are as follows:

  1. Calculate the modulator pole, f(p,mod), and the ESR zero, f(z,mod), using Equation 14 and Equation 15. Derating the output capacitor (C(OUT)) may be necessary if the output voltage is a high percentage of the capacitor rating. Use the capacitor manufacturer information to derate the capacitor value. Use Equation 16 and Equation 17 to estimate a starting point for the crossover frequency, f(c). Equation 16 is the geometric mean of the modulator pole and the ESR zero, and Equation 17 is the mean of modulator pole and the switching frequency. Use the lower value of Equation 16 or Equation 17 as the maximum crossover frequency.
  2. Equation 14. TPS57112C-Q1 comp_eq1_SLVSAH5.gif
    Equation 15. TPS57112C-Q1 comp_eq2_SLVSAH5.gif
    Equation 16. TPS57112C-Q1 comp_eq3_SLVSAH5.gif
    Equation 17. TPS57112C-Q1 comp_eq4_SLVSAH5.gif
  3. Use Equation 18 to calculate the value of R3.
  4. Equation 18. TPS57112C-Q1 eq09_r3_SLVSAH5.gif

    where

    • gm(ea) is the amplifier gain (245 μS)
    • gm(ps) is the power-stage gain (14 S)
  5. Place a compensation zero at the dominant pole TPS57112C-Q1 eq07_fp_SLVSAH5.gif
  6. Use Equation 19 to calculate the value of C1.
  7. Equation 19. TPS57112C-Q1 eq10_c1_SLVSAH5.gif
  8. The use of C2 is optional. If using C2 is necessary, use it to cancel the zero from the ESR of C(OUT).
  9. Equation 20. TPS57112C-Q1 eq11_c2_SLVSAH5.gif