ZHCSKI0A April   2018  – November 2019 TPS57112C-Q1

PRODUCTION DATA.  

  1. 特性
  2. 应用
  3. 说明
    1.     Device Images
      1.      简化原理图
      2.      效率与输出电流间的关系
  4. 修订历史记录
  5. Pin Configuration and Functions
    1.     Pin Functions
  6. Specifications
    1. 6.1 Absolute Maximum Ratings
    2. 6.2 ESD Ratings
    3. 6.3 Recommended Operating Conditions
    4. 6.4 Thermal Information
    5. 6.5 Electrical Characteristics
    6. 6.6 Timing Requirements
    7. 6.7 Switching Characteristics
    8. 6.8 Typical Characteristics Curves
  7. Detailed Description
    1. 7.1 Overview
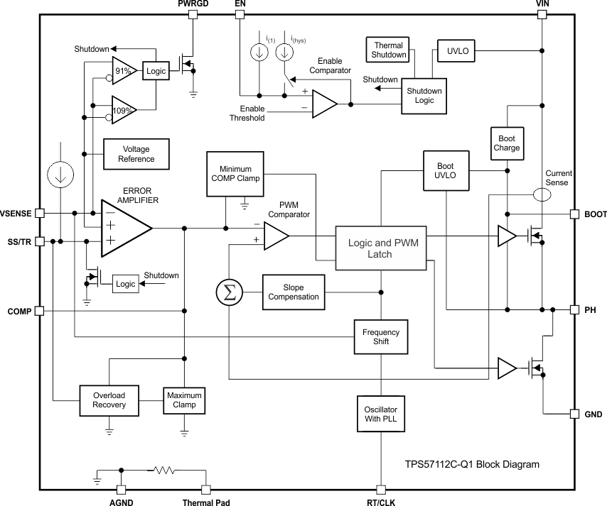
    2. 7.2 Functional Block Diagram
    3. 7.3 Feature Description
      1. 7.3.1 Fixed-Frequency PWM Control
      2. 7.3.2 Slope Compensation and Output Current
      3. 7.3.3 Bootstrap Voltage (BOOT) and Low-Dropout Operation
        1. 7.3.3.1 Error Amplifier
      4. 7.3.4 Voltage Reference
    4. 7.4 Device Functional Modes
      1. 7.4.1  Adjusting the Output Voltage
      2. 7.4.2  Enable Functionality and Adjusting Undervoltage Lockout
      3. 7.4.3  Slow-Start or Tracking Pin
      4. 7.4.4  Sequencing
      5. 7.4.5  Constant Switching Frequency and Timing Resistor (RT/CLK Pin)
      6. 7.4.6  Overcurrent Protection
      7. 7.4.7  Frequency Shift
      8. 7.4.8  Reverse Overcurrent Protection
      9. 7.4.9  Synchronize Using the RT/CLK Pin
      10. 7.4.10 Power Good (PWRGD Pin)
      11. 7.4.11 Overvoltage Transient Protection
      12. 7.4.12 Thermal Shutdown
      13. 7.4.13 Small-Signal Model for Loop Response
      14. 7.4.14 Simple Small-Signal Model for Peak-Current-Mode Control
      15. 7.4.15 Small-Signal Model for Frequency Compensation
  8. Application and Implementation
    1. 8.1 Application Information
    2. 8.2 Typical Application
      1. 8.2.1 Design Requirements
      2. 8.2.2 Detailed Design Procedure
        1. 8.2.2.1 Selecting the Switching Frequency
        2. 8.2.2.2 Output Inductor Selection
        3. 8.2.2.3 Output Capacitor
        4. 8.2.2.4 Input Capacitor
        5. 8.2.2.5 Slow-Start Capacitor
        6. 8.2.2.6 Bootstrap Capacitor Selection
        7. 8.2.2.7 Output Voltage and Feedback Resistor Selection
        8. 8.2.2.8 Compensation
        9. 8.2.2.9 Power-Dissipation Estimate
      3. 8.2.3 Application Curves
  9. Power Supply Recommendations
  10. 10Layout
    1. 10.1 Layout Guidelines
    2. 10.2 Layout Example
  11. 11器件和文档支持
    1. 11.1 器件支持
      1. 11.1.1 第三方产品免责声明
      2. 11.1.2 开发支持
    2. 11.2 文档支持
      1. 11.2.1 相关文档
    3. 11.3 接收文档更新通知
    4. 11.4 支持资源
    5. 11.5 商标
    6. 11.6 静电放电警告
    7. 11.7 Glossary
  12. 12机械、封装和可订购信息

封装选项

机械数据 (封装 | 引脚)
散热焊盘机械数据 (封装 | 引脚)
订购信息

Functional Block Diagram

TPS57112C-Q1 fbd_SLVSDU5.gif