ZHCSMV3A December   2020  – December 2021 TPS552882-Q1

PRODUCTION DATA  

  1. 特性
  2. 应用
  3. 说明
  4. Revision History
  5. Pin Configuration and Functions
  6. Specifications
    1. 6.1 Absolute Maximum Ratings
    2. 6.2 ESD Ratings
    3. 6.3 Recommended Operating Conditions
    4. 6.4 Thermal Information
    5. 6.5 Electrical Characteristics
    6. 6.6 Typical Characteristics
  7. Detailed Description
    1. 7.1 Overview
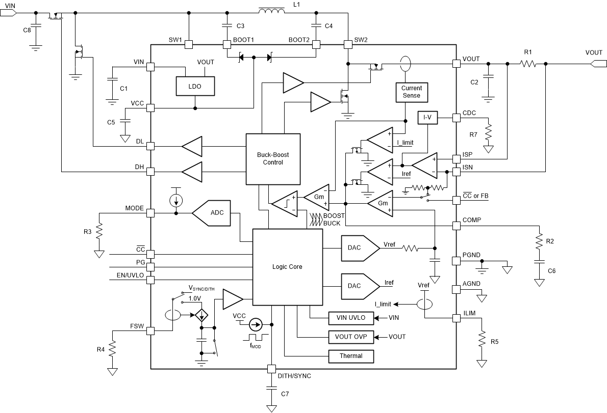
    2. 7.2 Functional Block Diagram
    3. 7.3 Feature Description
      1. 7.3.1  VCC Power Supply
      2. 7.3.2  Operation Mode Setting
      3. 7.3.3  Input Undervoltage Lockout
      4. 7.3.4  Enable and Programmable UVLO
      5. 7.3.5  Soft Start
      6. 7.3.6  Shutdown
      7. 7.3.7  Switching Frequency
      8. 7.3.8  Switching Frequency Dithering
      9. 7.3.9  Inductor Current Limit
      10. 7.3.10 Internal Charge Path
      11. 7.3.11 Output Voltage Setting
      12. 7.3.12 Output Current Indication and Cable Voltage Drop Compensation
      13. 7.3.13 Integrated Gate Drivers
      14. 7.3.14 Output Current Limit
      15. 7.3.15 Overvoltage Protection
      16. 7.3.16 Output Short Circuit Protection
      17. 7.3.17 Thermal Shutdown
    4. 7.4 Device Functional Modes
      1. 7.4.1 PWM Mode
      2. 7.4.2 Power Save Mode
  8. Application and Implementation
    1. 8.1 Application Information
    2. 8.2 Typical Application
      1. 8.2.1 Design Requirements
      2. 8.2.2 Detailed Design Procedure
        1. 8.2.2.1 Custom Design With WEBENCH® Tools
        2. 8.2.2.2 Switching Frequency
        3. 8.2.2.3 Output Voltage Setting
        4. 8.2.2.4 Inductor Selection
        5. 8.2.2.5 Input Capacitor
        6. 8.2.2.6 Output Capacitor
        7. 8.2.2.7 Output Current Limit Sense Resistor
        8. 8.2.2.8 Loop Stability
      3. 8.2.3 Application Curves
  9. Power Supply Recommendations
  10. 10Layout
    1. 10.1 Layout Guidelines
    2. 10.2 Layout Example
  11. 11Device and Documentation Support
    1. 11.1 Device Support
      1. 11.1.1 第三方产品免责声明
      2. 11.1.2 Development Support
        1. 11.1.2.1 Custom Design With WEBENCH® Tools
    2. 11.2 接收文档更新通知
    3. 11.3 支持资源
    4. 11.4 Trademarks
    5. 11.5 术语表
    6. 11.6 静电放电警告
  12. 12Mechanical, Packaging, and Orderable Information

封装选项

机械数据 (封装 | 引脚)
散热焊盘机械数据 (封装 | 引脚)
订购信息

Functional Block Diagram

GUID-A41B0495-B023-47CD-B128-018ACA949259-low.gif