ZHCSMV3A December 2020 – December 2021 TPS552882-Q1
PRODUCTION DATA
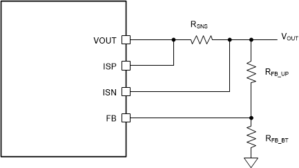
There are two ways to set the output voltage: changing the feedback ratio and changing the reference voltage. The TPS552882-Q1 uses an external resistor divider to change the feedback ratio with fixed 1.2-V reference voltages at the FB pin.
When using external output voltage feedback resistor divider as shown in Figure 7-5. Use Equation 6 to calculate the output voltage with the reference voltage at the FB pin.

Figure 7-5 Output Voltage Setting by External Resistor
DividerTI recommends using 100 kΩ for the up resistor RFB_UP. The reference voltage VREF at the FB pin is 1.2 V.