ZHCSEW5B April   2016  – April 2021 TPS54202

PRODUCTION DATA  

  1. 特性
  2. 应用
  3. 说明
  4. 修订历史记录
  5. 引脚配置和功能
  6. 规格
    1. 6.1 绝对最大额定值
    2. 6.2 ESD 等级
    3. 6.3 建议运行条件
    4. 6.4 热性能信息
    5. 6.5 电气特征
    6. 6.6 时序要求
  7. 详细说明
    1. 7.1 概述
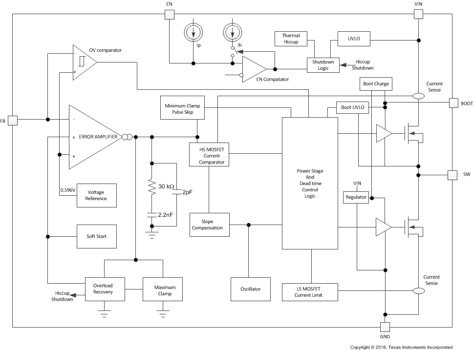
    2. 7.2 功能模块图
    3. 7.3 特性说明
      1. 7.3.1  固定频率 PWM 控制
      2. 7.3.2  脉冲跳跃模式
      3. 7.3.3  误差放大器
      4. 7.3.4  斜坡补偿和输出电流
      5. 7.3.5  使能和调节欠压锁定
      6. 7.3.6  安全启动至预偏置输出电压
      7. 7.3.7  电压基准
      8. 7.3.8  调节输出电压
      9. 7.3.9  内部软启动
      10. 7.3.10 自举电压 (BOOT)
      11. 7.3.11 过流保护
        1. 7.3.11.1 高侧 MOSFET 过流保护
        2. 7.3.11.2 低侧 MOSFET 过流保护
      12. 7.3.12 展频
      13. 7.3.13 输出过压保护 (OVP)
      14. 7.3.14 热关断
    4. 7.4 器件功能模式
      1. 7.4.1 正常运行
      2. 7.4.2 Eco-mode 运行
  8. 应用和实现
    1. 8.1 应用信息
    2. 8.2 典型应用
      1. 8.2.1 TPS54202 8V 至 28V 输入、5A 输出转换器
      2. 8.2.2 设计要求
      3. 8.2.3 详细设计过程
        1. 8.2.3.1 输入电容器选型
        2. 8.2.3.2 自举电容器选型
        3. 8.2.3.3 输出电压设定点
        4. 8.2.3.4 欠压锁定设定点
        5. 8.2.3.5 输出滤波器元件
          1. 8.2.3.5.1 电感器选型
          2. 8.2.3.5.2 输出电容器选型
          3. 8.2.3.5.3 前馈电容
      4. 8.2.4 应用曲线
  9. 电源建议
  10. 10布局
    1. 10.1 布局指南
    2. 10.2 布局示例
  11. 11器件和文档支持
    1. 11.1 器件支持
      1. 11.1.1 第三方产品免责声明
    2. 11.2 接收文档更新通知
    3. 11.3 支持资源
    4. 11.4 商标
    5. 11.5 静电放电警告
    6. 11.6 术语表
  12. 12机械、封装和可订购信息

封装选项

机械数据 (封装 | 引脚)
散热焊盘机械数据 (封装 | 引脚)
订购信息

功能模块图

GUID-06B615C9-0D8A-4293-8193-0511E4449685-low.gif