ZHCSHF4J May   2004  – January 2018 TPS51116

PRODUCTION DATA.  

  1. 特性
  2. 应用
  3. 说明
    1.     Device Images
      1. 3.1 典型应用
  4. 修订历史记录
  5. Pin Configuration and Functions
    1.     Pin Functions
  6. Specifications
    1. 6.1 Absolute Maximum Ratings
    2. 6.2 ESD Ratings
    3. 6.3 Recommended Operating Conditions
    4. 6.4 Dissipation Ratings
    5. 6.5 Thermal Information
    6. 6.6 Electrical Characteristics
    7. 6.7 Typical Characteristics
  7. Detailed Description
    1. 7.1 Overview
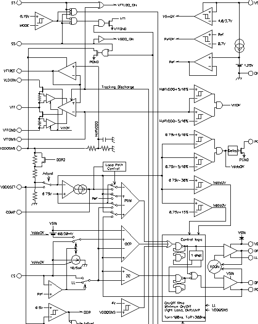
    2. 7.2 Functional Block Diagram
    3. 7.3 Feature Description
      1. 7.3.1  VDDQ SMPS, Light Load Condition
      2. 7.3.2  Low-Side Driver
      3. 7.3.3  High-Side Driver
      4. 7.3.4  Current Sensing Scheme
      5. 7.3.5  PWM Frequency and Adaptive On-Time Control
      6. 7.3.6  VDDQ Output Voltage Selection
      7. 7.3.7  VTT Linear Regulator and VTTREF
      8. 7.3.8  Controling Outputs Using the S3 and S5 Pins
      9. 7.3.9  Soft-Start Function and Powergood Status
      10. 7.3.10 VDDQ and VTT Discharge Control
      11. 7.3.11 Current Protection for VDDQ
      12. 7.3.12 Current Protection for VTT
      13. 7.3.13 Overvoltage and Undervoltage Protection for VDDQ
      14. 7.3.14 Undervoltage Lockout (UVLO) Protection, V5IN (PWP), V5FILT (RGE)
      15. 7.3.15 Input Capacitor, V5IN (PWP), V5FILT (RGE)
      16. 7.3.16 Thermal Shutdown
    4. 7.4 Device Functional Modes
      1. 7.4.1 VDDQ SMPS, Dual PWM Operation Modes
      2. 7.4.2 Current Mode Operation
      3. 7.4.3 D-CAP™ Mode Operation
  8. Application and Implementation
    1. 8.1 Application Information
    2. 8.2 DDR3 Application With Current Mode
      1. 8.2.1 Design Requirements
      2. 8.2.2 Detailed Design Procedure
        1. 8.2.2.1 Pin Connections
        2. 8.2.2.2 Choose the inductor
        3. 8.2.2.3 Choose rectifying (low-side) MOSFET
        4. 8.2.2.4 Choose output capacitance
        5. 8.2.2.5 Determine f0 and calculate RC
        6. 8.2.2.6 Calculate CC2
        7. 8.2.2.7 Calculate CC.
        8. 8.2.2.8 Determine the value of R1 and R2.
      3. 8.2.3 Application Curves
    3. 8.3 DDR3 Application With D−CAP™ Mode
      1. 8.3.1 Design Requirements
      2. 8.3.2 Detailed Design Procedure
        1. 8.3.2.1 Pin Connections
        2. 8.3.2.2 Choose the Components
      3. 8.3.3 Application Curves
  9. Power Supply Recommendations
  10. 10Layout
    1. 10.1 Layout Guidelines
    2. 10.2 Layout Example
  11. 11器件和文档支持
    1. 11.1 接收文档更新通知
    2. 11.2 社区资源
    3. 11.3 商标
    4. 11.4 静电放电警告
    5. 11.5 Glossary
  12. 12机械、封装和可订购信息

封装选项

请参考 PDF 数据表获取器件具体的封装图。

机械数据 (封装 | 引脚)
  • RGE|24
  • PWP|20
散热焊盘机械数据 (封装 | 引脚)
订购信息

Functional Block Diagram

TPS51116 block_p8_lus609.gifFigure 32. PWP Package
TPS51116 fige_qfn_lus609.gifFigure 33. RGE Package