ZHCSD07C November   2014  – February 2019 TPS3701

PRODUCTION DATA.  

  1. 特性
  2. 应用
  3. 说明
    1.     Device Images
      1.      典型应用
      2.      典型误差与结温之间的关系
  4. 修订历史记录
  5. Pin Configuration and Functions
    1.     Pin Functions
  6. Specifications
    1. 6.1 Absolute Maximum Ratings
    2. 6.2 ESD Ratings
    3. 6.3 Recommended Operating Conditions
    4. 6.4 Thermal Information
    5. 6.5 Electrical Characteristics
    6. 6.6 Timing Requirements
    7. 6.7 Typical Characteristics
  7. Detailed Description
    1. 7.1 Overview
    2. 7.2 Functional Block Diagram
    3. 7.3 Feature Description
      1. 7.3.1 Inputs (INA, INB)
      2. 7.3.2 Outputs (OUTA, OUTB)
    4. 7.4 Device Functional Modes
      1. 7.4.1 Normal Operation (VDD > UVLO)
      2. 7.4.2 Undervoltage Lockout (V(POR) < VDD < UVLO)
      3. 7.4.3 Power-On-Reset (VDD < V(POR))
  8. Application and Implementation
    1. 8.1 Application Information
      1. 8.1.1 Window Voltage Detector Considerations
      2. 8.1.2 Input and Output Configurations
      3. 8.1.3 Immunity to Input Pin Voltage Transients
    2. 8.2 Typical Application
      1. 8.2.1 Design Requirements
      2. 8.2.2 Detailed Design Procedure
      3. 8.2.3 Application Curve
  9. Power Supply Recommendations
  10. 10Layout
    1. 10.1 Layout Guidelines
    2. 10.2 Layout Example
  11. 11器件和文档支持
    1. 11.1 文档支持
      1. 11.1.1 相关文档
    2. 11.2 接收文档更新通知
    3. 11.3 社区资源
    4. 11.4 商标
    5. 11.5 静电放电警告
    6. 11.6 术语表
  12. 12机械、封装和可订购信息

封装选项

机械数据 (封装 | 引脚)
散热焊盘机械数据 (封装 | 引脚)
订购信息

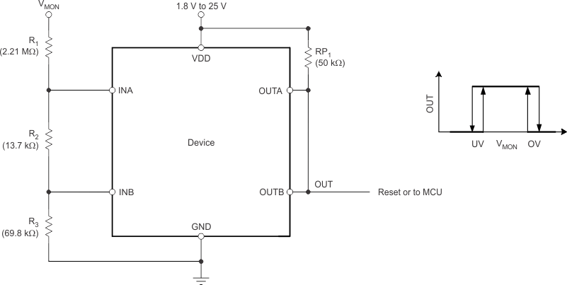
Window Voltage Detector Considerations

The inverting and noninverting configuration of the comparators forms a window voltage detector circuit using a resistor divider network, as shown in Figure 19 and Figure 20. The input pins can monitor any system voltage above 400 mV with the use of a resistor divider network. INA and INB monitor for undervoltage and overvoltage conditions, respectively.

TPS3701 typ_app2_bvs240.gifFigure 19. Window Voltage Detector Block Diagram
TPS3701 ai_tim_window_comp_bvs240.gifFigure 20. Window Voltage Detector Timing Diagram

The TPS3701 flags the overvoltage or undervoltage condition with the greatest accuracy. The highest accuracy threshold voltages are VIT–(INA) and VIT+(INB), and correspond with the falling undervoltage flag, and the rising overvoltage flag, respectively. These thresholds represent the accuracy when the monitored voltage is within the valid window (both OUTA and OUTB are in a high-impedance state), and correspond to the VMON(UV) and VMON(OV) trigger voltages, respectively. If the monitored voltage is outside of the valid window (VMON is less than the undervoltage limit, VMON(UV), or greater than overvoltage limit, VMON(OV)), then the input threshold voltages to re-enter the valid window are VIT+(INA) or VIT–(INB), and correspond with the VMON(UV_HYS) and VMON(OV_HYS) monitored voltages, respectively.

The resistor divider values and target threshold voltage can be calculated by using Equation 1 through Equation 4:

Equation 1. RTOTAL = R1 + R2 + R3

Choose an RTOTAL value so that the current through the divider is approximately 100 times higher than the input current at the INA and INB pins. Resistors with high values minimize current consumption; however, the input bias current degrades accuracy if the current through the resistors is too low. See application report SLVA450, Optimizing Resistor Dividers at a Comparator Input (SLVA450), for details on sizing input resistors.

R3 is determined by Equation 2:

Equation 2. TPS3701 q_r3_bvs240.gif

where

  • VMON(OV) is the target voltage at which an overvoltage condition is detected.

R2 is determined by either Equation 3 or Equation 4:

Equation 3. TPS3701 q_r2a_bvs240.gif

where

  • VMON(UV_HYS) is the target voltage at which an undervoltage condition is removed as VMON rises.
Equation 4. TPS3701 q_r2b_bvs240.gif

where

  • VMON(UV) is the target voltage at which an undervoltage condition is detected.