ZHCSSK9C february   2008  – july 2023 TPD4E004

PRODUCTION DATA  

  1.   1
  2. 特性
  3. 应用
  4. 说明
  5. Revision History
  6. Pin Configuration and Functions
  7. Specifications
    1. 6.1 Absolute Maximum Ratings
    2. 6.2 ESD Ratings
    3. 6.3 Recommended Operating Conditions
    4. 6.4 Thermal Information
    5. 6.5 Electrical Characteristics
    6. 6.6 Typical Characteristics
  8. Detailed Description
    1. 7.1 Overview
    2. 7.2 Functional Block Diagram
    3. 7.3 Feature Description
    4. 7.4 Device Functional Modes
  9. Application and Implementation
    1. 8.1 Application Information
    2. 8.2 Typical Application
      1. 8.2.1 Design Requirements
      2. 8.2.2 Detailed Design Procedure
      3. 8.2.3 Application Curves
  10. Power Supply Recommendations
  11. 10Layout
    1. 10.1 Layout Guidelines
    2. 10.2 Layout Example
  12. 11Device and Documentation Support
    1. 11.1 Documentation Support
      1. 11.1.1 Related Documentation
    2. 11.2 接收文档更新通知
    3. 11.3 支持资源
    4. 11.4 Trademarks
    5. 11.5 静电放电警告
    6. 11.6 术语表
  13. 12Mechanical, Packaging, and Orderable Information

封装选项

机械数据 (封装 | 引脚)
散热焊盘机械数据 (封装 | 引脚)
订购信息

说明

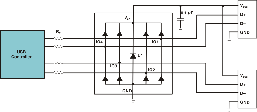
TPD4E004 是一款低电容瞬态电压抑制 (TVS) 器件。TPD4E004 旨在保护连接到通信线路的敏感电子元件免受静电放电 (ESD) 的影响。四个通道中的每一个通道都包含一对二极管,用于将 ESD 电流脉冲引导至 VCC 或 GND。TPD4E004 可为高达 ±15kV 的人体放电模型 (HBM) ESD 脉冲(在 IEC 61000-4-2 中指定)提供保护,并提供 ±8kV 接触放电和 ±12kV 空气间隙放电。该器件每通道具有 1.6pF 电容,因此非常适合用在高速数据 IO 接口中。

TPD4E004 是专为 USB、以太网™和其他高速应用而设计的四路 ESD 结构。

封装信息
器件型号封装(1)封装尺寸(2)
TPD4E004DRY(SON,6)1.45 mm × 1 mm
如需了解所有可用封装,请参阅数据表末尾的可订购产品附录。
封装尺寸(长 x 宽)为标称值,并包括引脚(如适用)。
GUID-0176D7A9-FE3F-4509-89F5-B8D5F8F6B9E5-low.gif应用原理图