ZHCSAK3O December   2012  – August 2024 TPD1E05U06 , TPD4E05U06 , TPD6E05U06

PRODUCTION DATA  

  1.   1
  2. 特性
  3. 应用
  4. 说明
  5. Pin Configuration and Functions
  6. Specifications
    1.     Absolute Maximum Ratings
    2. 5.1 ESD Ratings—JEDEC Specification
    3. 5.2 ESD Ratings—IEC Specification
    4.     Recommended Operating Conditions
    5. 5.3 Thermal Information
    6. 5.4 Electrical Characteristics
    7. 5.5 Typical Characteristics
  7. Detailed Description
    1. 6.1 Overview
    2. 6.2 Functional Block Diagram
    3. 6.3 Feature Description
      1. 6.3.1 ±15-kV IEC61000-4-2 Level 4 ESD Protection
      2. 6.3.2 IEC61000-4-4 EFT Protection
      3. 6.3.3 IEC61000-4-5 Surge Protection
      4. 6.3.4 I/O Capacitance
      5. 6.3.5 DC Breakdown Voltage
      6. 6.3.6 Ultra-Low Leakage Current
      7. 6.3.7 Low ESD Clamping Voltage
      8. 6.3.8 Industrial Temperature Range
      9. 6.3.9 Easy Flow-Through Routing
    4. 6.4 Device Functional Modes
  8. Application and Implementation
    1. 7.1 Application Information
    2. 7.2 Typical Applications
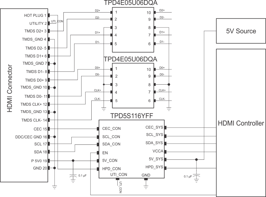
      1. 7.2.1 HDMI 2.0 Application
        1. 7.2.1.1 Design Requirements
        2. 7.2.1.2 Detailed Design Procedure
          1. 7.2.1.2.1 Signal Range on Pin 1, 2, 4, or 5
        3. 7.2.1.3 Application Curves
      2. 7.2.2 HDMI 2.0 Application
        1. 7.2.2.1 Design Requirements
        2. 7.2.2.2 Detailed Design Procedure
          1. 7.2.2.2.1 Signal Range
          2. 7.2.2.2.2 Operating Frequency
        3. 7.2.2.3 Application Curves
    3. 7.3 Power Supply Recommendations
    4. 7.4 Layout
      1. 7.4.1 Layout Guidelines
      2. 7.4.2 Layout Example
        1. 7.4.2.1 TPD4E05U06 Layout Example
        2. 7.4.2.2 TPD1E05U06 Layout Example
  9. Device and Documentation Support
    1. 8.1 Documentation Support
      1. 8.1.1 Related Documentation
    2. 8.2 接收文档更新通知
    3. 8.3 支持资源
    4. 8.4 Trademarks
    5. 8.5 静电放电警告
    6. 8.6 术语表
  10. Revision History
  11. 10Mechanical, Packaging, and Orderable Information
    1. 10.1 Tape and Reel Information
    2. 10.2 Mechanical Data

封装选项

机械数据 (封装 | 引脚)
散热焊盘机械数据 (封装 | 引脚)
订购信息

HDMI 2.0 Application

TPD1E05U06 TPD4E05U06 TPD6E05U06 HDMI 2.0
                    Schematic Figure 7-1 HDMI 2.0 Schematic