ZHCSHB1B January   2018  – August 2018 TPA3220

PRODUCTION DATA.  

  1. 特性
  2. 应用
  3. 说明
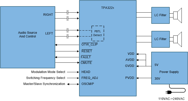
    1.     简化原理图
  4. 修订历史记录
  5. Device Comparison Table
  6. Pin Configuration and Functions
    1.     Pin Functions
  7. Specifications
    1. 7.1 Absolute Maximum Ratings
    2. 7.2 ESD Ratings
    3. 7.3 Recommended Operating Conditions
    4. 7.4 Thermal Information
    5. 7.5 Electrical Characteristics
    6. 7.6 Audio Characteristics (BTL)
    7. 7.7 Audio Characteristics (PBTL)
    8. 7.8 Typical Characteristics, BTL Configuration, AD-mode
    9. 7.9 Typical Characteristics, PBTL Configuration, AD-mode
  8. Parameter Measurement Information
  9. Detailed Description
    1. 9.1 Overview
    2. 9.2 Functional Block Diagrams
    3. 9.3 Feature Description
      1. 9.3.1 Internal LDO
        1. 9.3.1.1 Input Configuration, Gain Setting And Master / Slave Operation
      2. 9.3.2 Gain Setting And Master / Slave Operation
      3. 9.3.3 AD-Mode and HEAD-Mode PWM Modulation
      4. 9.3.4 Oscillator
      5. 9.3.5 Input Impedance
      6. 9.3.6 Error Reporting
    4. 9.4 Device Functional Modes
      1. 9.4.1 Powering Up
        1. 9.4.1.1 Startup Ramp Time
      2. 9.4.2 Powering Down
        1. 9.4.2.1 Power Down Ramp Time
      3. 9.4.3 Device Reset
      4. 9.4.4 Device Soft Mute
      5. 9.4.5 Device Protection System
        1. 9.4.5.1 Overload and Short Circuit Current Protection
        2. 9.4.5.2 Signal Clipping and Pulse Injector
        3. 9.4.5.3 DC Speaker Protection
        4. 9.4.5.4 Pin-to-Pin Short Circuit Protection (PPSC)
        5. 9.4.5.5 Overtemperature Protection OTW and OTE
        6. 9.4.5.6 Undervoltage Protection (UVP) and Power-on Reset (POR)
        7. 9.4.5.7 Fault Handling
  10. 10Application and Implementation
    1. 10.1 Application Information
    2. 10.2 Typical Applications
      1. 10.2.1 Stereo BTL Application
        1. 10.2.1.1 Design Requirements
        2. 10.2.1.2 Detailed Design Procedures
          1. 10.2.1.2.1 Decoupling Capacitor Recommendations
          2. 10.2.1.2.2 PVDD Capacitor Recommendation
          3. 10.2.1.2.3 BST capacitors
          4. 10.2.1.2.4 PCB Material Recommendation
      2. 10.2.2 Typical Application, Differential (2N), AD-Mode PBTL (Outputs Paralleled before LC filter)
        1. 10.2.2.1 Design Requirements
      3. 10.2.3 Typical Application, Differential (2N), AD-Mode PBTL (Outputs Paralleled after LC filter)
        1. 10.2.3.1 Design Requirements
  11. 11Power Supply Recommendations
    1. 11.1 Power Supplies
      1. 11.1.1 VDD Supply
      2. 11.1.2 AVDD and GVDD Supplies
      3. 11.1.3 PVDD Supply
      4. 11.1.4 BST Supply
  12. 12Layout
    1. 12.1 Layout Guidelines
    2. 12.2 Layout Examples
      1. 12.2.1 BTL Application Printed Circuit Board Layout Example
      2. 12.2.2 PBTL (Outputs Paralleled before LC filter) Application Printed Circuit Board Layout Example
      3. 12.2.3 PBTL (Outputs Paralleled after LC filter) Application Printed Circuit Board Layout Example
  13. 13器件和文档支持
    1. 13.1 文档支持
    2. 13.2 接收文档更新通知
    3. 13.3 社区资源
    4. 13.4 商标
    5. 13.5 静电放电警告
    6. 13.6 术语表
  14. 14机械、封装和可订购信息

封装选项

请参考 PDF 数据表获取器件具体的封装图。

机械数据 (封装 | 引脚)
  • DDW|44
散热焊盘机械数据 (封装 | 引脚)
订购信息

说明

TPA3220 是一款可在全功率、空闲和待机状态下实现高效操作的焊盘朝下的 D 类放大器。该器件 采用 具有高达 100kHz 带宽的闭环反馈,从而在音频频带内提供低失真并提供出色的质量。该器件以 AD 或低空闲电流 HEAD(高效 AD)调制运行,并可为 4Ω 负载提供 2 x 60W 的连续功率或 2 x 110W 的峰值功率(底部的散热垫连接到 PCB)。

TPA3220 具有 单端或差分模拟输入接口,该接口最高支持 2VRMS 的电压并具有四种可选增益:18dB、24dB、30dB 和 34dB。TPA3220 还实现了大于 90% 的效率、低空闲功率 (<0.25 W) 和超低待机功耗 (<0.1 W)。这是通过使用 70mΩ MOSFET、经优化的栅极驱动方案和低功耗操作模式实现的。TPA3220 包含用于轻松集成在单电源系统中的内置 LDO。为了进一步简化设计,该级器件集成了重要的保护 功能, 包含低压、逐周期电流限制、短路、削波检测、过热警告和关断以及直流扬声器保护。

器件信息(1)

器件型号 封装 封装尺寸(NOM)
TPA3220 HTSSOP (44) 6.10mm x 14.00mm
  1. 如需了解所有可用封装,请参阅产品说明书末尾的可订购产品附录。

简化原理图

TPA3220 FrontPageDiagram.gif