ZHCSHZ1 April   2018 TPA3126D2

PRODUCTION DATA.  

  1. 特性
  2. 应用
  3. 说明
    1.     Device Images
      1.      TPA3126 和 TPA3116 空闲电流
      2.      简化应用电路
  4. 修订历史记录
  5. Device Comparison Table
  6. Pin Configuration and Functions
    1.     Pin Functions
  7. Specifications
    1. 7.1 Absolute Maximum Ratings
    2. 7.2 ESD Ratings
    3. 7.3 Recommended Operating Conditions
    4. 7.4 Thermal Information
    5. 7.5 DC Electrical Characteristics
    6. 7.6 AC Electrical Characteristics
    7. 7.7 Typical Characteristics
  8. Detailed Description
    1. 8.1 Overview
    2. 8.2 Functional Block Diagram
    3. 8.3 Feature Description
      1. 8.3.1  Gain Setting and Master and Slave
      2. 8.3.2  Input Impedance
      3. 8.3.3  Startup and Shutdown Operation
      4. 8.3.4  PLIMIT Operation
      5. 8.3.5  GVDD Supply
      6. 8.3.6  BSPx and BSNx Capacitors
      7. 8.3.7  Differential Inputs
      8. 8.3.8  Device Protection System
      9. 8.3.9  DC Detect Protection
      10. 8.3.10 Short-Circuit Protection and Automatic Recovery Feature
      11. 8.3.11 Thermal Protection
      12. 8.3.12 Device Modulation Scheme
        1. 8.3.12.1 BD Modulation
      13. 8.3.13 Efficiency: LC Filter Required with the Traditional Class-D Modulation Scheme
      14. 8.3.14 Ferrite Bead Filter Considerations
      15. 8.3.15 When to Use an Output Filter for EMI Suppression
      16. 8.3.16 AM Avoidance EMI Reduction
    4. 8.4 Device Functional Modes
      1. 8.4.1 Mono PBTL Mode
      2. 8.4.2 Mono BTL Mode (Single Channel Mode)
  9. Application and Implementation
    1. 9.1 Application Information
      1. 9.1.1 Typical Application
        1. 9.1.1.1 Design Requirements
        2. 9.1.1.2 Detailed Design Procedure
          1. 9.1.1.2.1 Select the PWM Frequency
          2. 9.1.1.2.2 Select the Amplifier Gain and Master/Slave Mode
          3. 9.1.1.2.3 Select Input Capacitance
          4. 9.1.1.2.4 Select Decoupling Capacitors
          5. 9.1.1.2.5 Select Bootstrap Capacitors
        3. 9.1.1.3 Application Curves
  10. 10Power Supply Recommendations
    1. 10.1 Power Supply Mode
  11. 11Layout
    1. 11.1 Layout Guidelines
    2. 11.2 Layout Example
    3. 11.3 Heat Sink Used on the EVM
  12. 12器件和文档支持
    1. 12.1 器件支持
      1. 12.1.1 开发支持
    2. 12.2 接收文档更新通知
    3. 12.3 相关文档
    4. 12.4 社区资源
    5. 12.5 商标
    6. 12.6 静电放电警告
    7. 12.7 Glossary
  13. 13机械、封装和可订购信息

封装选项

机械数据 (封装 | 引脚)
散热焊盘机械数据 (封装 | 引脚)
订购信息

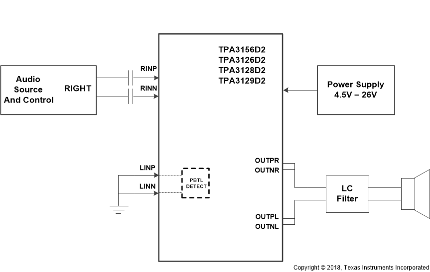
Mono PBTL Mode

In mono PBTL mode, the device can deliver up to 100-W output power. Configuration steps for mono PBTL mode are as follows:

  • Connect LINP and LINN directly to Ground (without capacitors), so the device is set in a mono PBTL mode during power up.
  • Connect OUTPR and OUTNR together for the positive speaker terminal, and OUTNL and OUTPL together for the negative speaker terminal.
  • Analog input signal is applied to RINP and RINN.

TPA3126D2 TPA3126D2_PBTL_Mode.gifFigure 32. Mono PBTL Mode