SLOS520A August   2007  – March 2016 TPA2013D1

PRODUCTION DATA.  

  1. Features
  2. Applications
  3. Description
  4. Revision History
  5. Device Comparison Table
  6. Pin Configuration and Functions
  7. Specifications
    1. 7.1  Absolute Maximum Ratings
    2. 7.2  ESD Ratings
    3. 7.3  Recommended Operating Conditions
    4. 7.4  Thermal Information
    5. 7.5  DC Characteristics
    6. 7.6  Boost Converter DC Characteristics
    7. 7.7  Class D Amplifier DC Characteristics
    8. 7.8  AC Characteristics
    9. 7.9  Class D Amplifier AC Characteristics
    10. 7.10 Dissipation Ratings
    11. 7.11 Typical Characteristics
  8. Parameter Measurement Information
  9. Detailed Description
    1. 9.1 Overview
    2. 9.2 Functional Block Diagram
    3. 9.3 Feature Description
      1. 9.3.1 Fully Differential Amplifier
        1. 9.3.1.1 Advantages of Fully Differential Amplifiers
      2. 9.3.2 Class-D Amplifier
      3. 9.3.3 Boost Converter
      4. 9.3.4 Operation With DACs and CODECs
      5. 9.3.5 Filter-Free Operation and Ferrite Bead Filters
      6. 9.3.6 Fixed Gain Settings
    4. 9.4 Device Functional Modes
      1. 9.4.1 Boost Converter Mode
      2. 9.4.2 Shutdown Mode
  10. 10Application and Implementation
    1. 10.1 Application Information
    2. 10.2 Typical Applications
      1. 10.2.1 TPA2013D1 With Differential Input Signal
        1. 10.2.1.1 Design Requirements
        2. 10.2.1.2 Detailed Design Procedure
          1. 10.2.1.2.1 Setting the Boost Voltage
          2. 10.2.1.2.2 Inductor Selection
            1. 10.2.1.2.2.1 Surface Mount Inductors
            2. 10.2.1.2.2.2 TPA2013D1 Inductor Equations
          3. 10.2.1.2.3 Capacitor Selection
            1. 10.2.1.2.3.1 Surface Mount Capacitors
            2. 10.2.1.2.3.2 TPA2013D1 Capacitor Equations
          4. 10.2.1.2.4 Recommended Inductor and Capacitor Values by Application
          5. 10.2.1.2.5 Components Location and Selection
            1. 10.2.1.2.5.1 Decoupling Capacitors
            2. 10.2.1.2.5.2 Input Capacitors
        3. 10.2.1.3 Application Curves
      2. 10.2.2 Bypassing the Boost Converter
        1. 10.2.2.1 Design Requirements
        2. 10.2.2.2 Detailed Design Procedure
        3. 10.2.2.3 Application Curves
      3. 10.2.3 Stereo Operation Application
        1. 10.2.3.1 Design Requirements
        2. 10.2.3.2 Detailed Design Procedure
        3. 10.2.3.3 Application Curves
      4. 10.2.4 LED Driver for Digital Still Cameras
      5. 10.2.5 Design Requirements
      6. 10.2.6 Detailed Design Procedure
      7. 10.2.7 Application Curves
  11. 11Power Supply Recommendations
    1. 11.1 Power Supply Decoupling Capacitors
  12. 12Layout
    1. 12.1 Layout Guidelines
      1. 12.1.1 Component Placement
        1. 12.1.1.1 Trace Width
      2. 12.1.2 Pad Side
    2. 12.2 Layout Examples
    3. 12.3 Efficiency and Thermal Considerations
  13. 13Device and Documentation Support
    1. 13.1 Device Support
      1. 13.1.1 Third-Party Products Disclaimer
      2. 13.1.2 Device Nomenclature
        1. 13.1.2.1 Boost Terms
    2. 13.2 Community Resources
    3. 13.3 Trademarks
    4. 13.4 Electrostatic Discharge Caution
    5. 13.5 Glossary
  14. 14Mechanical, Packaging, and Orderable Information

封装选项

机械数据 (封装 | 引脚)
散热焊盘机械数据 (封装 | 引脚)
订购信息

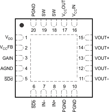
6 Pin Configuration and Functions

RGP Package
20-Pin VQFN
Top View
TPA2013D1 pinouts_los520.gif
YZH Package
16-Pin DSBGA
Top View
TPA2013D1 pinouts_los520_1.gif

Pin Functions

PIN I/O DESCRIPTION
NAME VQFN DSBGA
AGND 4 C4 Analog ground – connect all GND pins together
GAIN 3 B2 I Gain selection pin
IN+ 8 D2 I Positive audio input
IN– 7 D3 I Negative audio input
PGND 9, 10, 20 D1, C2, A4 Power ground – connect all GND pins together
SDb 6 D4 I Shutdown terminal for the Boost Converter
SDd 5 C3 I Shutdown terminal for the Class D Amplifier
SW 18, 19 A3 Boost and rectifying switch input
Thermal Pad Die Pad N/A P Solder the thermal pad on the bottom of the QFN package to the GND plane of the PCB. It is required for mechanical stability and enhances thermal performance.
VCCFB 2 B3 I Voltage feedback
VC CIN 16 A1 Class-D audio power amplifier voltage supply – connect to VCCOUT
VCCOUT 17 A2 Boost converter output – connect to VCCIN
VDD 1 B4 Supply voltage
VOUT+ 13, 14, 15 B1 O Positive audio output
VOUT– 11, 12 C1 O Negative audio output