ZHCSNI0B March   2021  – November 2022 TMUX7411F , TMUX7412F , TMUX7413F

PRODMIX  

  1. 特性
  2. 应用
  3. 说明
  4. Revision History
  5. Device Comparison Table
  6. Pin Configuration and Functions
  7. Specifications
    1. 7.1  Absolute Maximum Ratings
    2. 7.2  ESD Ratings
    3. 7.3  Thermal Information
    4. 7.4  Recommended Operating Conditions
    5. 7.5  Electrical Characteristics: Global
    6. 7.6  ±15 V Dual Supply: Electrical Characteristics
    7. 7.7  ±20 V Dual Supply: Electrical Characteristics
    8. 7.8  12 V Single Supply: Electrical Characteristics
    9. 7.9  36 V Single Supply: Electrical Characteristics
    10. 7.10 Typical Characteristics
  8. Parameter Measurement Information
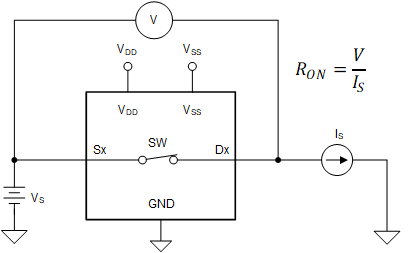
    1. 8.1  On-Resistance
    2. 8.2  Turn-On and Turn-Off Time
    3. 8.3  Off-Leakage Current
    4. 8.4  On-Leakage Current
    5. 8.5  Input and Output Leakage Current Under Overvoltage Fault
    6. 8.6  Fault Response Time
    7. 8.7  Fault Recovery Time
    8. 8.8  Fault Flag Response Time
    9. 8.9  Fault Flag Recovery Time
    10. 8.10 Charge Injection
    11. 8.11 Off Isolation
    12. 8.12 Inter-Channel Crosstalk
    13. 8.13 Bandwidth
    14. 8.14 THD + Noise
  9. Detailed Description
    1. 9.1 Overview
    2. 9.2 Functional Block Diagram
    3. 9.3 Feature Description
      1. 9.3.1 Flat ON-Resistance
      2. 9.3.2 Protection Features
        1. 9.3.2.1 Input Voltage Tolerance
        2. 9.3.2.2 Powered-Off Protection
        3. 9.3.2.3 Fail-Safe Logic
        4. 9.3.2.4 Overvoltage Protection and Detection
        5. 9.3.2.5 ESD Protection
        6. 9.3.2.6 Latch-Up Immunity
        7. 9.3.2.7 EMC Protection
      3. 9.3.3 Overvoltage Fault Flags
      4. 9.3.4 Bidirectional Operation
    4. 9.4 Device Functional Modes
      1. 9.4.1 Normal Mode
      2. 9.4.2 Fault Mode
      3. 9.4.3 Truth Tables
  10. 10Application and Implementation
    1. 10.1 Application Information
    2. 10.2 Typical Application
      1. 10.2.1 Design Requirements
      2. 10.2.2 Detailed Design Procedure
      3. 10.2.3 Application Curves
  11. 11Power Supply Recommendations
  12. 12Layout
    1. 12.1 Layout Guidelines
    2. 12.2 Layout Example
  13. 13Device and Documentation Support
    1. 13.1 Documentation Support
      1. 13.1.1 Related Documentation
    2. 13.2 接收文档更新通知
    3. 13.3 支持资源
    4. 13.4 Trademarks
    5. 13.5 Electrostatic Discharge Caution
    6. 13.6 术语表
  14. 14Mechanical, Packaging, and Orderable Information

封装选项

机械数据 (封装 | 引脚)
散热焊盘机械数据 (封装 | 引脚)
订购信息

On-Resistance

The on-resistance of the TMUX7411F, TMUX7412F, and TMUX7413F is the ohmic resistance across the source (Sx) and drain (Dx) pins of the device. The on-resistance varies with input voltage and supply voltage. The symbol RON is used to denote on-resistance. Figure 8-1 shows the measurement setup used to measure RON. ΔRON represents the difference between the RON of any two channels, while RON_FLAT denotes the flatness that is defined as the difference between the maximum and minimum value of on-resistance measured over the specified analog signal range.

GUID-20211104-SS0I-NVRS-KVBT-RXL8M2ZSZBQD-low.gifFigure 8-1 On-Resistance Measurement Setup