ZHCSMY9C January   2021  – December 2024 TMUX6219-Q1

PRODUCTION DATA  

  1.   1
  2. 特性
  3. 应用
  4. 说明
  5. Pin Configuration and Functions
  6. Specifications
    1. 5.1  Absolute Maximum Ratings
    2. 5.2  ESD Ratings
    3. 5.3  Thermal Information
    4. 5.4  Recommended Operating Conditions
    5. 5.5  Source or Drain Continuous Current
    6. 5.6  ±15 V Dual Supply: Electrical Characteristics 
    7. 5.7  ±15 V Dual Supply: Switching Characteristics 
    8. 5.8  36 V Single Supply: Electrical Characteristics 
    9. 5.9  36 V Single Supply: Switching Characteristics 
    10. 5.10 12 V Single Supply: Electrical Characteristics 
    11. 5.11 12 V Single Supply: Switching Characteristics 
    12. 5.12 +5 V / -8 V Dual Supply: Electrical Characteristics 
    13. 5.13 +5 V / -8 V Dual Supply: Switching Characteristics 
    14. 5.14 ±5 V Dual Supply: Electrical Characteristics 
    15. 5.15 ±5 V Dual Supply: Switching Characteristics 
    16. 5.16 Typical Characteristics
  7. Parameter Measurement Information
    1. 6.1  On-Resistance
    2. 6.2  Off-Leakage Current
    3. 6.3  On-Leakage Current
    4. 6.4  Transition Time
    5. 6.5  tON(EN) and tOFF(EN)
    6. 6.6  Break-Before-Make
    7. 6.7  tON (VDD) Time
    8. 6.8  Propagation Delay
    9. 6.9  Charge Injection
    10. 6.10 Off Isolation
    11. 6.11 Crosstalk
    12. 6.12 Bandwidth
    13. 6.13 THD + Noise
    14. 6.14 Power Supply Rejection Ratio (PSRR)
  8. Detailed Description
    1. 7.1 Overview
    2. 7.2 Functional Block Diagram
    3. 7.3 Feature Description
      1. 7.3.1 Bidirectional Operation
      2. 7.3.2 Rail to Rail Operation
      3. 7.3.3 1.8V Logic Compatible Inputs
      4. 7.3.4 Fail-Safe Logic
      5. 7.3.5 Latch-Up Immune
      6. 7.3.6 Ultra-Low Charge Injection
    4. 7.4 Device Functional Modes
    5. 7.5 Truth Tables
  9. Application and Implementation
    1. 8.1 Application Information
    2. 8.2 Typical Application
      1. 8.2.1 PWM Signal Generation (EV Charging Station)
      2. 8.2.2 Design Requirements
      3. 8.2.3 Detailed Design Procedure
    3. 8.3 Power Supply Recommendations
    4. 8.4 Layout
      1. 8.4.1 Layout Guidelines
      2. 8.4.2 Layout Example
  10. Device and Documentation Support
    1. 9.1 Documentation Support
      1. 9.1.1 Related Documentation
    2. 9.2 Receiving Notification of Documentation Updates
    3. 9.3 支持资源
    4. 9.4 Trademarks
    5. 9.5 静电放电警告
    6. 9.6 术语表
  11. 10Revision History
  12. 11Mechanical, Packaging, and Orderable Information

封装选项

机械数据 (封装 | 引脚)
散热焊盘机械数据 (封装 | 引脚)
订购信息

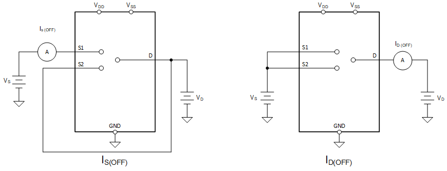
Off-Leakage Current

There are two types of leakage currents associated with a switch during the off state:

  1. Source off-leakage current.
  2. Drain off-leakage current.

Source leakage current is defined as the leakage current flowing into or out of the source pin when the switch is off. This current is denoted by the symbol IS(OFF).

Drain leakage current is defined as the leakage current flowing into or out of the drain pin when the switch is off. This current is denoted by the symbol ID(OFF).

Figure 6-2 shows the setup used to measure both off-leakage currents.

TMUX6219-Q1 Off-Leakage Measurement Setup Figure 6-2 Off-Leakage Measurement Setup