ZHCSIT7B September   2018  – August 2025 TMUX6119

PRODUCTION DATA  

  1.   1
  2. 特性
  3. 应用
  4. 说明
  5. 引脚配置和功能
    1.     引脚功能
  6. 规格
    1. 5.1 绝对最大额定值
    2. 5.2 ESD 等级
    3. 5.3 热性能信息
    4. 5.4 建议运行条件
    5. 5.5 电气特性(双电源:±15V)
    6. 5.6 开关特性(双电源:±15V)
    7. 5.7 电气特性(单电源:12V)
    8. 5.8 开关特性(单电源:12V)
    9. 5.9 典型特性
  7. 参数测量信息
    1. 6.1 真值表
  8. 详细说明
    1. 7.1 概述
      1. 7.1.1  导通电阻
      2. 7.1.2  关断漏电流
      3. 7.1.3  导通漏电流
      4. 7.1.4  转换时间
      5. 7.1.5  先断后合延迟
      6. 7.1.6  使能导通和使能关断时间
      7. 7.1.7  电荷注入
      8. 7.1.8  关断隔离
      9. 7.1.9  通道间串扰
      10. 7.1.10 带宽
      11. 7.1.11 THD + 噪声
      12. 7.1.12 交流电源抑制比 (AC PSRR)
    2. 7.2 功能方框图
    3. 7.3 特性说明
      1. 7.3.1 超低漏电流
      2. 7.3.2 超低电荷注入
      3. 7.3.3 双向和轨到轨运行
    4. 7.4 器件功能模式
  9. 应用和实施
    1. 8.1 应用信息
    2. 8.2 典型应用
      1. 8.2.1 设计要求
      2. 8.2.2 详细设计过程
      3. 8.2.3 应用曲线
  10. 电源相关建议
  11. 10布局
    1. 10.1 布局指南
    2. 10.2 布局示例
  12. 11器件和文档支持
    1. 11.1 文档支持
      1. 11.1.1 相关文档
    2. 11.2 接收文档更新通知
    3. 11.3 商标
  13. 12修订历史记录
  14. 13机械、封装和可订购信息

封装选项

机械数据 (封装 | 引脚)
散热焊盘机械数据 (封装 | 引脚)
订购信息

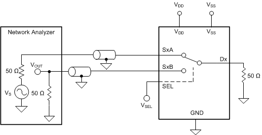
通道间串扰

通道间串扰定义为当在导通通道的源极引脚(SA 或 SB)施加 1VRMS 信号时,关断通道源极引脚上的电压。图 7-10 展示了用于测量通道间串扰的设置,而方程式 3 则用于计算通道间串扰。

TMUX6119 通道间串扰测量设置图 7-10 通道间串扰测量设置
方程式 3. Channel-to-Channel Crosstalk=20 × LogVOUTVS