ZHCSNR3E May   2022  – September 2024 TMUX4051 , TMUX4052 , TMUX4053

PRODUCTION DATA  

  1.   1
  2. 特性
  3. 应用
  4. 说明
  5. 器件比较表
  6. 引脚配置和功能
  7. 规格
    1. 6.1 绝对最大额定值
    2. 6.2 ESD 等级
    3. 6.3 热性能信息:TMUX405x
    4. 6.4 建议运行条件
    5. 6.5 电气特性
    6. 6.6 交流性能特性
    7. 6.7 时序特性
    8. 6.8 典型特性
  8. 参数测量信息
    1. 7.1  导通电阻
    2. 7.2  关断漏电流
    3. 7.3  导通漏电流
    4. 7.4  转换时间
    5. 7.5  先断后合
    6. 7.6  tON(EN) 和 tOFF(EN)
    7. 7.7  传播延迟
    8. 7.8  电荷注入
    9. 7.9  关断隔离
    10. 7.10 串扰
    11. 7.11 带宽
  9. 详细说明
    1. 8.1 概述
    2. 8.2 功能方框图
    3. 8.3 特性说明
      1. 8.3.1 双向运行
      2. 8.3.2 轨至轨运行
      3. 8.3.3 1.8V 逻辑兼容输入
      4. 8.3.4 器件功能模式
      5. 8.3.5 真值表
  10. 应用和实现
    1. 9.1 应用信息
    2. 9.2 典型应用
    3. 9.3 设计要求
    4. 9.4 详细设计过程
    5. 9.5 应用曲线
    6. 9.6 电源相关建议
    7. 9.7 布局
      1. 9.7.1 布局指南
      2. 9.7.2 布局示例
  11. 10器件和文档支持
    1. 10.1 文档支持
      1. 10.1.1 相关文档
    2. 10.2 接收文档更新通知
    3. 10.3 支持资源
    4. 10.4 商标
    5. 10.5 静电放电警告
    6. 10.6 术语表
  12. 11修订历史记录
  13. 12机械、封装和可订购信息

封装选项

机械数据 (封装 | 引脚)
散热焊盘机械数据 (封装 | 引脚)
订购信息

导通电阻

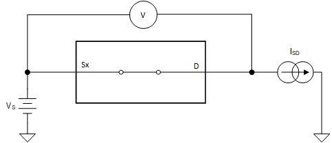
器件的导通电阻是器件源极 (Sx) 和漏极 (D) 引脚之间的欧姆电阻。导通电阻随输入电压和电源电压的变化而变化。符号 RON 用于表示导通电阻。下图显示了用于测量 RON 的测量设置。图 7-1 显示了如何通过 RON = V/ISD 来计算 RON,可以使用该设置来测量电压 (V) 和电流 (ISD)。

TMUX4051 TMUX4052 TMUX4053 导通电阻测量设置图 7-1 导通电阻测量设置