ZHCSNR3E May   2022  – September 2024 TMUX4051 , TMUX4052 , TMUX4053

PRODUCTION DATA  

  1.   1
  2. 特性
  3. 应用
  4. 说明
  5. 器件比较表
  6. 引脚配置和功能
  7. 规格
    1. 6.1 绝对最大额定值
    2. 6.2 ESD 等级
    3. 6.3 热性能信息:TMUX405x
    4. 6.4 建议运行条件
    5. 6.5 电气特性
    6. 6.6 交流性能特性
    7. 6.7 时序特性
    8. 6.8 典型特性
  8. 参数测量信息
    1. 7.1  导通电阻
    2. 7.2  关断漏电流
    3. 7.3  导通漏电流
    4. 7.4  转换时间
    5. 7.5  先断后合
    6. 7.6  tON(EN) 和 tOFF(EN)
    7. 7.7  传播延迟
    8. 7.8  电荷注入
    9. 7.9  关断隔离
    10. 7.10 串扰
    11. 7.11 带宽
  9. 详细说明
    1. 8.1 概述
    2. 8.2 功能方框图
    3. 8.3 特性说明
      1. 8.3.1 双向运行
      2. 8.3.2 轨至轨运行
      3. 8.3.3 1.8V 逻辑兼容输入
      4. 8.3.4 器件功能模式
      5. 8.3.5 真值表
  10. 应用和实现
    1. 9.1 应用信息
    2. 9.2 典型应用
    3. 9.3 设计要求
    4. 9.4 详细设计过程
    5. 9.5 应用曲线
    6. 9.6 电源相关建议
    7. 9.7 布局
      1. 9.7.1 布局指南
      2. 9.7.2 布局示例
  11. 10器件和文档支持
    1. 10.1 文档支持
      1. 10.1.1 相关文档
    2. 10.2 接收文档更新通知
    3. 10.3 支持资源
    4. 10.4 商标
    5. 10.5 静电放电警告
    6. 10.6 术语表
  12. 11修订历史记录
  13. 12机械、封装和可订购信息

封装选项

机械数据 (封装 | 引脚)
散热焊盘机械数据 (封装 | 引脚)
订购信息

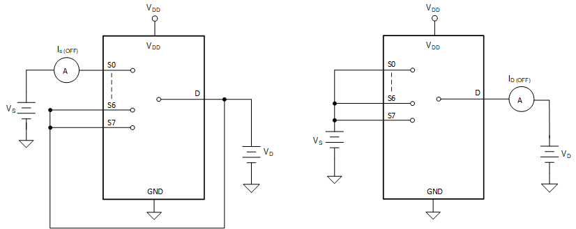
关断漏电流

在关断状态下,开关有两种类型的漏电流:

  1. 源极关断漏电流。
  2. 漏极关断漏电流。

源极漏电流定义为开关断开时流入或流出源极引脚的漏电流。该电流用符号 IS(OFF) 表示。

漏极漏电流定义为开关断开时流入或流出漏极引脚的漏电流。该电流用符号 ID(OFF) 表示。

图 7-2 显示了用于测量两个关断漏电流的设置。

TMUX4051 TMUX4052 TMUX4053 关断漏电流测量设置图 7-2 关断漏电流测量设置