ZHCSHK9 February   2018 TMUX154E

PRODUCTION DATA.  

  1. 特性
  2. 应用
  3. 说明
    1.     Device Images
      1.      功能方框图
  4. 修订历史记录
  5. Pin Configuration and Functions
    1.     Pin Functions
  6. Specifications
    1. 6.1 Absolute Maximum Ratings
    2. 6.2 ESD Ratings
    3. 6.3 Recommended Operating Conditions
    4. 6.4 Thermal Information
    5. 6.5 Electrical Characteristics
    6. 6.6 Dynamic Electrical Characteristics
    7. 6.7 Switching Characteristics
    8. 6.8 Typical Characteristics
  7. Parameter Measurement Information
  8. Detailed Description
    1. 8.1 Overview
    2. 8.2 Functional Block Diagram
    3. 8.3 Feature Description
    4. 8.4 Device Functional Modes
  9. Application and Implementation
    1. 9.1 Application Information
    2. 9.2 Typical Application
      1. 9.2.1 Design Requirements
      2. 9.2.2 Detailed Design Procedure
      3. 9.2.3 Application Curves
  10. 10Power Supply Recommendations
  11. 11Layout
    1. 11.1 Layout Guidelines
    2. 11.2 Layout Example
  12. 12器件和文档支持
    1. 12.1 文档支持
      1. 12.1.1 相关文档
    2. 12.2 接收文档更新通知
    3. 12.3 社区资源
    4. 12.4 商标
    5. 12.5 静电放电警告
    6. 12.6 Glossary
  13. 13机械、封装和可订购信息

封装选项

机械数据 (封装 | 引脚)
散热焊盘机械数据 (封装 | 引脚)
订购信息

Parameter Measurement Information

TMUX154E TurnOn_TurnOff_SCDS379.gif
All input pulses are supplied by generators having the following characteristics: PRR ≤ 10 MHz, ZO = 50 Ω, tr< 5 ns,
tf< 5 ns.
CL includes probe and jig capacitance.
Figure 4. Turn-On (tON) and Turn-Off Time (tOFF)
TMUX154E Off_Isolation_SCDS379.gifFigure 5. OFF Isolation (OISO)
TMUX154E Crosstalk_SCDS379.gifFigure 6. Crosstalk (XTALK)
TMUX154E bandwidth_BW_SCDS379.gifFigure 7. Bandwidth (BW)
TMUX154E prop_delay_cds237.gifFigure 8. Propagation Delay
TMUX154E skew_cds237.gifFigure 9. Skew Test
TMUX154E Onstate_resistance_SCDS379.gifFigure 10. ON-State Resistance (RON)
TMUX154E Offstate_leakage_SCDS379.gifFigure 11. OFF-State Leakage Current
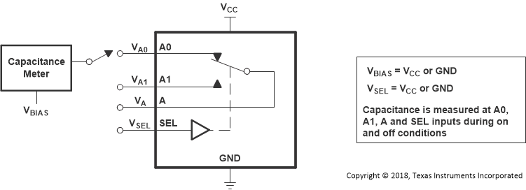
TMUX154E Capacitance_SCDS379.gifFigure 12. Capacitance