ZHCSIN2C August   2018  – December 2018 TMUX1208 , TMUX1209

PRODUCTION DATA.  

  1. 特性
  2. 应用
  3. 说明
    1.     Device Images
      1.      应用示例
      2.      TMUX1208、TMUX1209 方框图
  4. 修订历史记录
  5. Device Comparison Table
  6. Pin Configuration and Functions
    1.     Pin Functions TMUX1208
    2.     Pin Functions TMUX1209
  7. Specifications
    1. 7.1 Absolute Maximum Ratings
    2. 7.2 ESD Ratings
    3. 7.3 Recommended Operating Conditions
    4. 7.4 Thermal Information
    5. 7.5 Electrical Characteristics (VDD = 5 V ±10 %)
    6. 7.6 Electrical Characteristics (VDD = 3.3 V ±10 %)
    7. 7.7 Electrical Characteristics (VDD = 1.8 V ±10 %)
    8. 7.8 Electrical Characteristics (VDD = 1.2 V ±10 %)
    9. 7.9 Typical Characteristics
  8. Detailed Description
    1. 8.1 Overview
      1. 8.1.1  On-Resistance
      2. 8.1.2  Off-Leakage Current
      3. 8.1.3  On-Leakage Current
      4. 8.1.4  Transition Time
      5. 8.1.5  Break-Before-Make
      6. 8.1.6  tON(EN) and tOFF(EN)
      7. 8.1.7  Charge Injection
      8. 8.1.8  Off Isolation
      9. 8.1.9  Crosstalk
      10. 8.1.10 Bandwidth
    2. 8.2 Functional Block Diagram
    3. 8.3 Feature Description
      1. 8.3.1 Bidirectional Operation
      2. 8.3.2 Rail to Rail Operation
      3. 8.3.3 1.8 V Logic Compatible Inputs
      4. 8.3.4 Fail-Safe Logic
      5. 8.3.5 Device Functional Modes
      6. 8.3.6 Truth Tables
  9. Application and Implementation
    1. 9.1 Application Information
    2. 9.2 Typical Application
    3. 9.3 Design Requirements
    4. 9.4 Detailed Design Procedure
    5. 9.5 Application Curve
  10. 10Power Supply Recommendations
  11. 11Layout
    1. 11.1 Layout Guidelines
      1. 11.1.1 Layout Information
    2. 11.2 Layout Example
  12. 12器件和文档支持
    1. 12.1 文档支持
      1. 12.1.1 相关文档
    2. 12.2 相关链接
    3. 12.3 接收文档更新通知
    4. 12.4 社区资源
    5. 12.5 商标
    6. 12.6 静电放电警告
    7. 12.7 术语表
  13. 13机械、封装和可订购信息

封装选项

机械数据 (封装 | 引脚)
散热焊盘机械数据 (封装 | 引脚)
订购信息

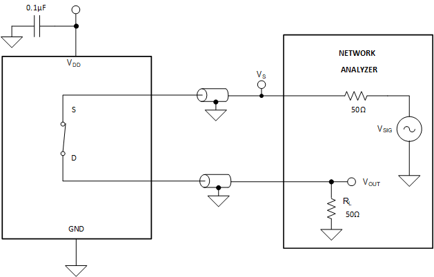
Bandwidth

Bandwidth is defined as the range of frequencies that are attenuated by less than 3 dB when the input is applied to the source pin (Sx) of an on-channel, and the output is measured at the drain pin (D) of the device. Figure 16 shows the setup used to measure bandwidth.

TMUX1208 TMUX1209 Bandwidth.gifFigure 16. Bandwidth Measurement Setup
Equation 3. TMUX1208 TMUX1209 q_attenuation_sbas758.gif