ZHCSIN2C August   2018  – December 2018 TMUX1208 , TMUX1209

PRODUCTION DATA.  

  1. 特性
  2. 应用
  3. 说明
    1.     Device Images
      1.      应用示例
      2.      TMUX1208、TMUX1209 方框图
  4. 修订历史记录
  5. Device Comparison Table
  6. Pin Configuration and Functions
    1.     Pin Functions TMUX1208
    2.     Pin Functions TMUX1209
  7. Specifications
    1. 7.1 Absolute Maximum Ratings
    2. 7.2 ESD Ratings
    3. 7.3 Recommended Operating Conditions
    4. 7.4 Thermal Information
    5. 7.5 Electrical Characteristics (VDD = 5 V ±10 %)
    6. 7.6 Electrical Characteristics (VDD = 3.3 V ±10 %)
    7. 7.7 Electrical Characteristics (VDD = 1.8 V ±10 %)
    8. 7.8 Electrical Characteristics (VDD = 1.2 V ±10 %)
    9. 7.9 Typical Characteristics
  8. Detailed Description
    1. 8.1 Overview
      1. 8.1.1  On-Resistance
      2. 8.1.2  Off-Leakage Current
      3. 8.1.3  On-Leakage Current
      4. 8.1.4  Transition Time
      5. 8.1.5  Break-Before-Make
      6. 8.1.6  tON(EN) and tOFF(EN)
      7. 8.1.7  Charge Injection
      8. 8.1.8  Off Isolation
      9. 8.1.9  Crosstalk
      10. 8.1.10 Bandwidth
    2. 8.2 Functional Block Diagram
    3. 8.3 Feature Description
      1. 8.3.1 Bidirectional Operation
      2. 8.3.2 Rail to Rail Operation
      3. 8.3.3 1.8 V Logic Compatible Inputs
      4. 8.3.4 Fail-Safe Logic
      5. 8.3.5 Device Functional Modes
      6. 8.3.6 Truth Tables
  9. Application and Implementation
    1. 9.1 Application Information
    2. 9.2 Typical Application
    3. 9.3 Design Requirements
    4. 9.4 Detailed Design Procedure
    5. 9.5 Application Curve
  10. 10Power Supply Recommendations
  11. 11Layout
    1. 11.1 Layout Guidelines
      1. 11.1.1 Layout Information
    2. 11.2 Layout Example
  12. 12器件和文档支持
    1. 12.1 文档支持
      1. 12.1.1 相关文档
    2. 12.2 相关链接
    3. 12.3 接收文档更新通知
    4. 12.4 社区资源
    5. 12.5 商标
    6. 12.6 静电放电警告
    7. 12.7 术语表
  13. 13机械、封装和可订购信息

封装选项

机械数据 (封装 | 引脚)
散热焊盘机械数据 (封装 | 引脚)
订购信息

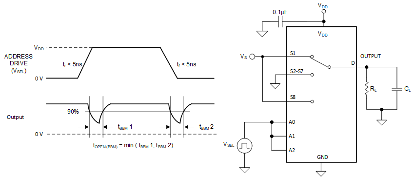
Break-Before-Make

Break-before-make delay is a safety feature that prevents two inputs from connecting when the device is switching. The output first breaks from the on-state switch before making the connection with the next on-state switch. The time delay between the break and the make is known as break-before-make delay. Figure 11 shows the setup used to measure break-before-make delay, denoted by the symbol tOPEN(BBM).

TMUX1208 TMUX1209 Break_Before_Make_Delay_tBBM.gifFigure 11. Break-Before-Make Delay Measurement Setup