ZHCSK56A August   2019  – July 2020 TMUX1208-Q1

PRODUCTION DATA  

  1. 特性
  2. 应用
  3. 说明
  4. Revision History
  5. Pin Configuration and Functions
    1.     Pin Functions
  6. Specifications
    1. 6.1 Absolute Maximum Ratings
    2. 6.2 ESD Ratings
    3. 6.3 Recommended Operating Conditions
    4. 6.4 Thermal Information
    5. 6.5 Electrical Characteristics (VDD = 5 V ±10 %)
    6. 6.6 Electrical Characteristics (VDD = 3.3 V ±10 %)
    7. 6.7 Electrical Characteristics (VDD = 1.8 V ±10 %)
    8. 6.8 Electrical Characteristics (VDD = 1.2 V ±10 %)
  7. Parameter Measurement Information
    1. 7.1  On-Resistance
    2. 7.2  Off-Leakage Current
    3. 7.3  On-Leakage Current
    4. 7.4  Transition Time
    5. 7.5  Break-Before-Make
    6. 7.6  tON(EN) and tOFF(EN)
    7. 7.7  Charge Injection
    8. 7.8  Off Isolation
    9. 7.9  Crosstalk
    10. 7.10 Bandwidth
  8. Detailed Description
    1. 8.1 Overview
    2. 8.2 Functional Block Diagram
    3. 8.3 Feature Description
      1. 8.3.1 Bidirectional Operation
      2. 8.3.2 Rail to Rail Operation
      3. 8.3.3 1.8 V Logic Compatible Inputs
      4. 8.3.4 Fail-Safe Logic
      5. 8.3.5 Device Functional Modes
      6. 8.3.6 Truth Tables
  9. Power Supply Recommendations
  10. 10Layout
    1. 10.1 Layout Guidelines
      1. 10.1.1 Layout Information
      2. 10.1.2 41
    2. 10.2 Layout Example
  11. 11Device and Documentation Support
    1. 11.1 Third-Party Products Disclaimer
    2. 11.2 Documentation Support
      1. 11.2.1 Related Documentation
    3. 11.3 Receiving Notification of Documentation Updates
    4. 11.4 Support Resources
    5. 11.5 Trademarks
  12. 12Electrostatic Discharge Caution
  13. 13Glossary

封装选项

机械数据 (封装 | 引脚)
散热焊盘机械数据 (封装 | 引脚)
订购信息

说明

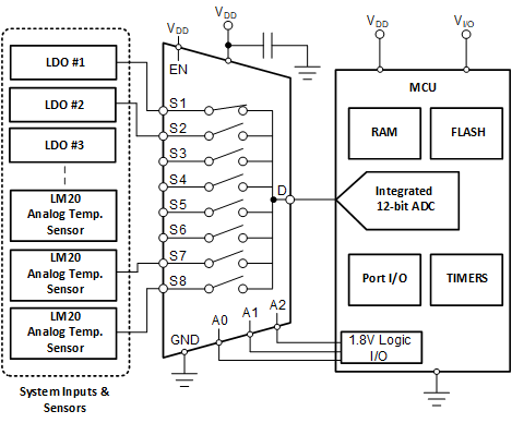
TMUX1208-Q1 是一款通用互补金属氧化物半导体 (CMOS) 多路复用器 (MUX)。TMUX1208-Q1 采用 8:1 多路复用器配置,允许将 8 个不同的信号路径切换到公共输出引脚。1.08V 至 5.5V 的宽工作电源电压范围使其适用于具有各种电源要求的汽车应用。该器件可在源极 (Sx) 和漏极 (D) 引脚上支持从 GND 到 VDD 范围的双向模拟和数字信号。

TMUX1208-Q1 采用小型 QFN 封装,以满足更小的系统尺寸要求。该器件具有 5Ω 典型值的低导通电阻,从而在器件未连接至高阻抗信号路径时将失真和信号完整性问题的影响降至更低。

所有逻辑输入均具有{3}兼容 1.8V 逻辑{4}的阈值,当器件在有效电源电压范围内运行时,这些阈值可确保 TTL 和 CMOS 逻辑兼容性。{5}失效防护逻辑{6}电路允许先在控制引脚上施加电压,然后在电源引脚上施加电压,从而保护器件免受潜在的损害。

器件信息
器件型号(1) 封装 封装尺寸(标称值)
TMUX1208-Q1 QFN (16) 2.60mm x 1.80mm
如需了解所有可用封装,请参阅数据表末尾的封装选项附录。

GUID-A0FF0848-A925-4839-8354-A3256586DE4C-low.gif应用示例
GUID-0ED009FC-2B65-4D79-B6CF-CDD68601E254-low.gifTMUX1208-Q1 方框图