ZHCSJ03B November   2018  – February 2024 TMUX1108

PRODUCTION DATA  

  1.   1
  2. 特性
  3. 应用
  4. 说明
  5. Device Comparison Table
  6. Pin Configuration and Functions
  7. Specifications
    1. 6.1  Absolute Maximum Ratings
    2. 6.2  ESD Ratings
    3. 6.3  Recommended Operating Conditions
    4. 6.4  Thermal Information
    5. 6.5  Electrical Characteristics (VDD = 5V ±10 %)
    6. 6.6  Electrical Characteristics (VDD = 3.3V ±10 %)
    7. 6.7  Electrical Characteristics (VDD = 2.5V ±10 %), (VSS = –2.5V ±10 %)
    8. 6.8  Electrical Characteristics (VDD = 1.8V ±10 %)
    9. 6.9  Electrical Characteristics (VDD = 1.2V ±10 %)
    10. 6.10 Typical Characteristics
  8. Detailed Description
    1. 7.1 Overview
      1. 7.1.1  On-Resistance
      2. 7.1.2  Off-Leakage Current
      3. 7.1.3  On-Leakage Current
      4. 7.1.4  Transition Time
      5. 7.1.5  Break-Before-Make Delay
      6. 7.1.6  Turn-On and Turn-Off Time
      7. 7.1.7  Charge Injection
      8. 7.1.8  Off Isolation
      9. 7.1.9  Crosstalk
      10. 7.1.10 Bandwidth
    2. 7.2 Functional Block Diagram
    3. 7.3 Feature Description
      1. 7.3.1 Bidirectional Operation
      2. 7.3.2 Rail to Rail Operation
      3. 7.3.3 1.8V Logic Compatible Inputs
      4. 7.3.4 Fail-Safe Logic
      5. 7.3.5 Ultra-low Leakage Current
      6. 7.3.6 Ultra-low Charge Injection
    4. 7.4 Device Functional Modes
      1. 7.4.1 Truth Tables
  9. Application and Implementation
    1. 8.1 Application Information
    2. 8.2 Typical Application
      1. 8.2.1 Design Requirements
      2. 8.2.2 Detailed Design Procedure
      3. 8.2.3 Application Curve
    3. 8.3 Power Supply Recommendations
    4. 8.4 Layout
      1. 8.4.1 Layout Guidelines
      2. 8.4.2 Layout Example
  10. Device and Documentation Support
    1. 9.1 Documentation Support
      1. 9.1.1 Related Documentation
    2. 9.2 接收文档更新通知
    3. 9.3 支持资源
    4. 9.4 Trademarks
    5. 9.5 静电放电警告
    6. 9.6 术语表
  11. 10Revision History
  12. 11Mechanical, Packaging, and Orderable Information

封装选项

机械数据 (封装 | 引脚)
散热焊盘机械数据 (封装 | 引脚)
订购信息

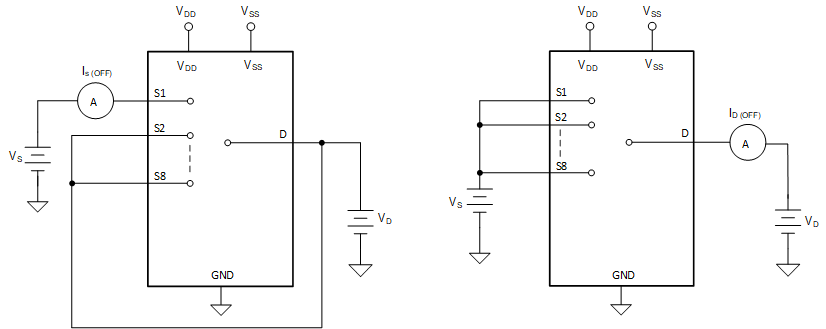
Off-Leakage Current

There are two types of leakage currents associated with a switch during the off state:

  1. Source off-leakage current
  2. Drain off-leakage current

Source leakage current is defined as the leakage current flowing into or out of the source pin when the switch is off. This current is denoted by the symbol IS(OFF).

Drain leakage current is defined as the leakage current flowing into or out of the drain pin when the switch is off. This current is denoted by the symbol ID(OFF).

The setup used to measure both off-leakage currents is shown in Figure 7-2.

GUID-BFFFA2AA-651F-4F63-8B47-59EA175C0B86-low.gifFigure 7-2 Off-Leakage Measurement Setup