ZHCS009J November 2010 – September 2021 TMS320F28062 , TMS320F28062F , TMS320F28063 , TMS320F28064 , TMS320F28065 , TMS320F28066 , TMS320F28067 , TMS320F28068F , TMS320F28068M , TMS320F28069 , TMS320F28069F , TMS320F28069M
PRODUCTION DATA
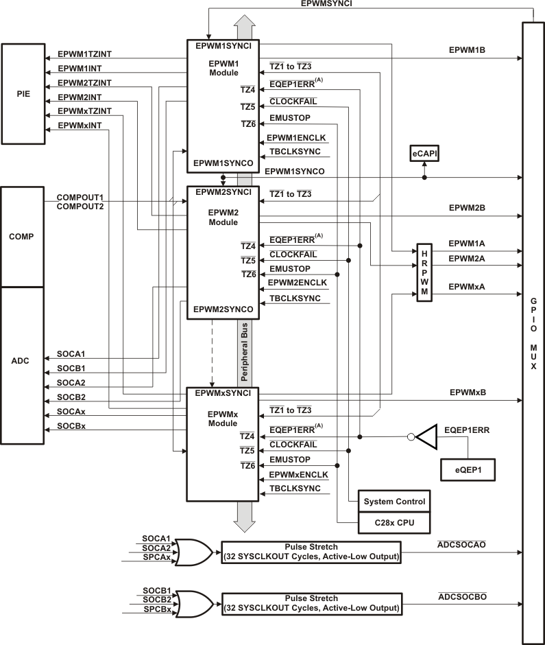
The devices contain up to eight enhanced PWM (ePWM) modules. Figure 8-48 shows a block diagram of multiple ePWM modules. Figure 8-49 shows the signal interconnections with the ePWM.
Table 8-33 and Table 8-34 show the complete ePWM register set per module.

| NAME | ePWM1 | ePWM2 | ePWM3 | ePWM4 | SIZE (×16)/ #SHADOW | DESCRIPTION |
|---|---|---|---|---|---|---|
| TBCTL | 0x6800 | 0x6840 | 0x6880 | 0x68C0 | 1/0 | Time Base Control Register |
| TBSTS | 0x6801 | 0x6841 | 0x6881 | 0x68C1 | 1/0 | Time Base Status Register |
| TBPHSHR | 0x6802 | 0x6842 | 0x6882 | 0x68C2 | 1/0 | Time Base Phase HRPWM Register |
| TBPHS | 0x6803 | 0x6843 | 0x6883 | 0x68C3 | 1/0 | Time Base Phase Register |
| TBCTR | 0x6804 | 0x6844 | 0x6884 | 0x68C4 | 1/0 | Time Base Counter Register |
| TBPRD | 0x6805 | 0x6845 | 0x6885 | 0x68C5 | 1/1 | Time Base Period Register Set |
| TBPRDHR | 0x6806 | 0x6846 | 0x6886 | 0x68C6 | 1/1 | Time Base Period High-Resolution Register(1) |
| CMPCTL | 0x6807 | 0x6847 | 0x6887 | 0x68C7 | 1/0 | Counter Compare Control Register |
| CMPAHR | 0x6808 | 0x6848 | 0x6888 | 0x68C8 | 1/1 | Time Base Compare A HRPWM Register |
| CMPA | 0x6809 | 0x6849 | 0x6889 | 0x68C9 | 1/1 | Counter Compare A Register Set |
| CMPB | 0x680A | 0x684A | 0x688A | 0x68CA | 1/1 | Counter Compare B Register Set |
| AQCTLA | 0x680B | 0x684B | 0x688B | 0x68CB | 1/0 | Action Qualifier Control Register For Output A |
| AQCTLB | 0x680C | 0x684C | 0x688C | 0x68CC | 1/0 | Action Qualifier Control Register For Output B |
| AQSFRC | 0x680D | 0x684D | 0x688D | 0x68CD | 1/0 | Action Qualifier Software Force Register |
| AQCSFRC | 0x680E | 0x684E | 0x688E | 0x68CE | 1/1 | Action Qualifier Continuous S/W Force Register Set |
| DBCTL | 0x680F | 0x684F | 0x688F | 0x68CF | 1/1 | Dead-Band Generator Control Register |
| DBRED | 0x6810 | 0x6850 | 0x6890 | 0x68D0 | 1/0 | Dead-Band Generator Rising Edge Delay Count Register |
| DBFED | 0x6811 | 0x6851 | 0x6891 | 0x68D1 | 1/0 | Dead-Band Generator Falling Edge Delay Count Register |
| TZSEL | 0x6812 | 0x6852 | 0x6892 | 0x68D2 | 1/0 | Trip Zone Select Register(1) |
| TZDCSEL | 0x6813 | 0x6853 | 0x6893 | 0x68D3 | 1/0 | Trip Zone Digital Compare Register |
| TZCTL | 0x6814 | 0x6854 | 0x6894 | 0x68D4 | 1/0 | Trip Zone Control Register(1) |
| TZEINT | 0x6815 | 0x6855 | 0x6895 | 0x68D5 | 1/0 | Trip Zone Enable Interrupt Register(1) |
| TZFLG | 0x6816 | 0x6856 | 0x6896 | 0x68D6 | 1/0 | Trip Zone Flag Register (1) |
| TZCLR | 0x6817 | 0x6857 | 0x6897 | 0x68D7 | 1/0 | Trip Zone Clear Register(1) |
| TZFRC | 0x6818 | 0x6858 | 0x6898 | 0x68D8 | 1/0 | Trip Zone Force Register(1) |
| ETSEL | 0x6819 | 0x6859 | 0x6899 | 0x68D9 | 1/0 | Event Trigger Selection Register |
| ETPS | 0x681A | 0x685A | 0x689A | 0x68DA | 1/0 | Event Trigger Prescale Register |
| ETFLG | 0x681B | 0x685B | 0x689B | 0x68DB | 1/0 | Event Trigger Flag Register |
| ETCLR | 0x681C | 0x685C | 0x689C | 0x68DC | 1/0 | Event Trigger Clear Register |
| ETFRC | 0x681D | 0x685D | 0x689D | 0x68DD | 1/0 | Event Trigger Force Register |
| PCCTL | 0x681E | 0x685E | 0x689E | 0x68DE | 1/0 | PWM Chopper Control Register |
| HRCNFG | 0x6820 | 0x6860 | 0x68A0 | 0x68E0 | 1/0 | HRPWM Configuration Register(1) |
| HRMSTEP | 0x6826 | - | - | - | 1/0 | HRPWM MEP Step Register |
| HRPCTL | 0x6828 | 0x6868 | 0x68A8 | 0x68E8 | 1/0 | High-resolution Period Control Register(1) |
| TBPRDHRM | 0x682A | 0x686A | 0x68AA | 0x68EA | 1/W(2) | Time Base Period HRPWM Register Mirror |
| TBPRDM | 0x682B | 0x686B | 0x68AB | 0x68EB | 1/W(2) | Time Base Period Register Mirror |
| CMPAHRM | 0x682C | 0x686C | 0x68AC | 0x68EC | 1/W(2) | Compare A HRPWM Register Mirror |
| CMPAM | 0x682D | 0x686D | 0x68AD | 0x68ED | 1/W(2) | Compare A Register Mirror |
| DCTRIPSEL | 0x6830 | 0x6870 | 0x68B0 | 0x68F0 | 1/0 | Digital Compare Trip Select Register (1) |
| DCACTL | 0x6831 | 0x6871 | 0x68B1 | 0x68F1 | 1/0 | Digital Compare A Control Register(1) |
| DCBCTL | 0x6832 | 0x6872 | 0x68B2 | 0x68F2 | 1/0 | Digital Compare B Control Register(1) |
| DCFCTL | 0x6833 | 0x6873 | 0x68B3 | 0x68F3 | 1/0 | Digital Compare Filter Control Register(1) |
| DCCAPCT | 0x6834 | 0x6874 | 0x68B4 | 0x68F4 | 1/0 | Digital Compare Capture Control Register(1) |
| DCFOFFSET | 0x6835 | 0x6875 | 0x68B5 | 0x68F5 | 1/1 | Digital Compare Filter Offset Register |
| DCFOFFSETCNT | 0x6836 | 0x6876 | 0x68B6 | 0x68F6 | 1/0 | Digital Compare Filter Offset Counter Register |
| DCFWINDOW | 0x6837 | 0x6877 | 0x68B7 | 0x68F7 | 1/0 | Digital Compare Filter Window Register |
| DCFWINDOWCNT | 0x6838 | 0x6878 | 0x68B8 | 0x68F8 | 1/0 | Digital Compare Filter Window Counter Register |
| DCCAP | 0x6839 | 0x6879 | 0x68B9 | 0x68F9 | 1/1 | Digital Compare Counter Capture Register |
| NAME | ePWM5 | ePWM6 | ePWM7 | ePWM8 | SIZE (×16)/ #SHADOW | DESCRIPTION |
|---|---|---|---|---|---|---|
| TBCTL | 0x6900 | 0x6940 | 0x6980 | 0x69C0 | 1/0 | Time Base Control Register |
| TBSTS | 0x6901 | 0x6941 | 0x6981 | 0x69C1 | 1/0 | Time Base Status Register |
| TBPHSHR | 0x6902 | 0x6942 | 0x6982 | 0x69C2 | 1/0 | Time Base Phase HRPWM Register |
| TBPHS | 0x6903 | 0x6943 | 0x6983 | 0x69C3 | 1/0 | Time Base Phase Register |
| TBCTR | 0x6904 | 0x6944 | 0x6984 | 0x69C4 | 1/0 | Time Base Counter Register |
| TBPRD | 0x6905 | 0x6945 | 0x6985 | 0x69C5 | 1/1 | Time Base Period Register Set |
| TBPRDHR | 0x6906 | 0x6946 | 0x6986 | 0x69C6 | 1/1 | Time Base Period High-Resolution Register(1) |
| CMPCTL | 0x6907 | 0x6947 | 0x6987 | 0x69C7 | 1/0 | Counter Compare Control Register |
| CMPAHR | 0x6908 | 0x6948 | 0x6988 | 0x69C8 | 1/1 | Time Base Compare A HRPWM Register |
| CMPA | 0x6909 | 0x6949 | 0x6989 | 0x69C9 | 1/1 | Counter Compare A Register Set |
| CMPB | 0x690A | 0x694A | 0x698A | 0x69CA | 1/1 | Counter Compare B Register Set |
| AQCTLA | 0x690B | 0x694B | 0x698B | 0x69CB | 1/0 | Action Qualifier Control Register For Output A |
| AQCTLB | 0x690C | 0x694C | 0x698C | 0x69CC | 1/0 | Action Qualifier Control Register For Output B |
| AQSFRC | 0x690D | 0x694D | 0x698D | 0x69CD | 1/0 | Action Qualifier Software Force Register |
| AQCSFRC | 0x690E | 0x694E | 0x698E | 0x69CE | 1/1 | Action Qualifier Continuous S/W Force Register Set |
| DBCTL | 0x690F | 0x694F | 0x698F | 0x69CF | 1/1 | Dead-Band Generator Control Register |
| DBRED | 0x6910 | 0x6950 | 0x6990 | 0x69D0 | 1/0 | Dead-Band Generator Rising Edge Delay Count Register |
| DBFED | 0x6911 | 0x6951 | 0x6991 | 0x69D1 | 1/0 | Dead-Band Generator Falling Edge Delay Count Register |
| TZSEL | 0x6912 | 0x6952 | 0x6992 | 0x69D2 | 1/0 | Trip Zone Select Register(1) |
| TZDCSEL | 0x6913 | 0x6953 | 0x6993 | 0x69D3 | 1/0 | Trip Zone Digital Compare Register |
| TZCTL | 0x6914 | 0x6954 | 0x6994 | 0x69D4 | 1/0 | Trip Zone Control Register(1) |
| TZEINT | 0x6915 | 0x6955 | 0x6995 | 0x69D5 | 1/0 | Trip Zone Enable Interrupt Register(1) |
| TZFLG | 0x6916 | 0x6956 | 0x6996 | 0x69D6 | 1/0 | Trip Zone Flag Register (1) |
| TZCLR | 0x6917 | 0x6957 | 0x6997 | 0x69D7 | 1/0 | Trip Zone Clear Register(1) |
| TZFRC | 0x6918 | 0x6958 | 0x6998 | 0x69D8 | 1/0 | Trip Zone Force Register(1) |
| ETSEL | 0x6919 | 0x6959 | 0x6999 | 0x69D9 | 1/0 | Event Trigger Selection Register |
| ETPS | 0x691A | 0x695A | 0x699A | 0x69DA | 1/0 | Event Trigger Prescale Register |
| ETFLG | 0x691B | 0x695B | 0x699B | 0x69DB | 1/0 | Event Trigger Flag Register |
| ETCLR | 0x691C | 0x695C | 0x699C | 0x69DC | 1/0 | Event Trigger Clear Register |
| ETFRC | 0x691D | 0x695D | 0x699D | 0x69DD | 1/0 | Event Trigger Force Register |
| PCCTL | 0x691E | 0x695E | 0x699E | 0x69DE | 1/0 | PWM Chopper Control Register |
| HRCNFG | 0x6920 | 0x6960 | 0x69A0 | 0x69E0 | 1/0 | HRPWM Configuration Register(1) |
| HRMSTEP | - | - | - | - | 1/0 | HRPWM MEP Step Register |
| HRPCTL | 0x6928 | 0x6968 | 0x69A8 | 0x69E8 | 1/0 | High-resolution Period Control Register(1) |
| TBPRDHRM | 0x692A | 0x696A | 0x69AA | 0x69EA | 1/W(2) | Time Base Period HRPWM Register Mirror |
| TBPRDM | 0x692B | 0x696B | 0x69AB | 0x69EB | 1/W(2) | Time Base Period Register Mirror |
| CMPAHRM | 0x692C | 0x696C | 0x69AC | 0x69EC | 1/W(2) | Compare A HRPWM Register Mirror |
| CMPAM | 0x692D | 0x696D | 0x69AD | 0x69ED | 1/W(2) | Compare A Register Mirror |
| DCTRIPSEL | 0x6930 | 0x6970 | 0x69B0 | 0x69F0 | 1/0 | Digital Compare Trip Select Register (1) |
| DCACTL | 0x6931 | 0x6971 | 0x69B1 | 0x69F1 | 1/0 | Digital Compare A Control Register(1) |
| DCBCTL | 0x6932 | 0x6972 | 0x69B2 | 0x69F2 | 1/0 | Digital Compare B Control Register(1) |
| DCFCTL | 0x6933 | 0x6973 | 0x69B3 | 0x69F3 | 1/0 | Digital Compare Filter Control Register(1) |
| DCCAPCT | 0x6934 | 0x6974 | 0x69B4 | 0x69F4 | 1/0 | Digital Compare Capture Control Register(1) |
| DCFOFFSET | 0x6935 | 0x6975 | 0x69B5 | 0x69F5 | 1/1 | Digital Compare Filter Offset Register |
| DCFOFFSETCNT | 0x6936 | 0x6976 | 0x69B6 | 0x69F6 | 1/0 | Digital Compare Filter Offset Counter Register |
| DCFWINDOW | 0x6937 | 0x6977 | 0x69B7 | 0x69F7 | 1/0 | Digital Compare Filter Window Register |
| DCFWINDOWCNT | 0x6938 | 0x6978 | 0x69B8 | 0x69F8 | 1/0 | Digital Compare Filter Window Counter Register |
| DCCAP | 0x6939 | 0x6979 | 0x69B9 | 0x69F9 | 1/1 | Digital Compare Counter Capture Register |
