ZHCSFP4B November   2016  – June 2017 TMP468

PRODUCTION DATA.  

  1. 特性
  2. 应用
  3. 说明
  4. 修订历史记录
  5. Pin Configuration and Functions
  6. Specifications
    1. 6.1 Absolute Maximum Ratings
    2. 6.2 ESD Ratings
    3. 6.3 Recommended Operating Conditions
    4. 6.4 Thermal Information
    5. 6.5 Electrical Characteristics
    6. 6.6 Two-Wire Timing Requirements
    7. 6.7 Typical Characteristics
  7. Detailed Description
    1. 7.1 Overview
    2. 7.2 Functional Block Diagram
    3. 7.3 Feature Description
      1. 7.3.1 Temperature Measurement Data
      2. 7.3.2 Series Resistance Cancellation
      3. 7.3.3 Differential Input Capacitance
      4. 7.3.4 Sensor Fault
      5. 7.3.5 THERM Functions
    4. 7.4 Device Functional Modes
      1. 7.4.1 Shutdown Mode (SD)
    5. 7.5 Programming
      1. 7.5.1 Serial Interface
        1. 7.5.1.1 Bus Overview
        2. 7.5.1.2 Bus Definitions
        3. 7.5.1.3 Serial Bus Address
        4. 7.5.1.4 Read and Write Operations
          1. 7.5.1.4.1 Single Register Reads
          2. 7.5.1.4.2 Block Register Reads
        5. 7.5.1.5 Timeout Function
        6. 7.5.1.6 High-Speed Mode
      2. 7.5.2 TMP468 Register Reset
      3. 7.5.3 Lock Register
    6. 7.6 Register Maps
      1. 7.6.1 Register Information
        1. 7.6.1.1  Pointer Register
        2. 7.6.1.2  Local and Remote Temperature Value Registers
        3. 7.6.1.3  Software Reset Register
        4. 7.6.1.4  THERM Status Register
        5. 7.6.1.5  THERM2 Status Register
        6. 7.6.1.6  Remote Channel Open Status Register
        7. 7.6.1.7  Configuration Register
        8. 7.6.1.8  η-Factor Correction Register
        9. 7.6.1.9  Remote Temperature Offset Register
        10. 7.6.1.10 THERM Hysteresis Register
        11. 7.6.1.11 Local and Remote THERM and THERM2 Limit Registers
        12. 7.6.1.12 Block Read - Auto Increment Pointer
        13. 7.6.1.13 Lock Register
        14. 7.6.1.14 Manufacturer and Device Identification Plus Revision Registers
  8. Application and Implementation
    1. 8.1 Application Information
    2. 8.2 Typical Application
      1. 8.2.1 Design Requirements
      2. 8.2.2 Detailed Design Procedure
      3. 8.2.3 Application Curve
  9. Power Supply Recommendations
  10. 10Layout
    1. 10.1 Layout Guidelines
    2. 10.2 Layout Example
  11. 11器件和文档支持
    1. 11.1 接收文档更新通知
    2. 11.2 社区资源
    3. 11.3 商标
    4. 11.4 静电放电警告
    5. 11.5 Glossary
  12. 12机械、封装和可订购信息

封装选项

机械数据 (封装 | 引脚)
散热焊盘机械数据 (封装 | 引脚)
订购信息

Layout

Layout Guidelines

Remote temperature sensing on the TMP468 device measures very small voltages using very low currents; therefore, noise at the device inputs must be minimized. Most applications using the TMP468 device have high digital content, with several clocks and a multitude of logic-level transitions that create a noisy environment. Layout must adhere to the following guidelines:

  1. Place the TMP468 device as close to the remote junction sensor as possible.
  2. Route the D+ and D– traces next to each other and shield them from adjacent signals through the use of ground guard traces, as shown in Figure 26. If a multilayer PCB is used, bury these traces between the ground or V+ planes to shield them from extrinsic noise sources. TI recommends 5-mil (0.127 mm) PCB traces.
  3. Minimize additional thermocouple junctions caused by copper-to-solder connections. If these junctions are used, make the same number and approximate locations of copper-to-solder connections in both the D+ and D– connections to cancel any thermocouple effects.
  4. Use a 0.1-μF local bypass capacitor directly between the V+ and GND of the TMP468. For optimum measurement performance, minimize filter capacitance between D+ and D– to 1000 pF or less. This capacitance includes any cable capacitance between the remote temperature sensor and the TMP468.
  5. If the connection between the remote temperature sensor and the TMP468 is wired and is less than eight inches (20.32 cm) long, use a twisted-wire pair connection. For lengths greater than eight inches, use a twisted, shielded pair with the shield grounded as close to the TMP468 device as possible. Leave the remote sensor connection end of the shield wire open to avoid ground loops and 60-Hz pickup.
  6. Thoroughly clean and remove all flux residue in and around the pins of the TMP468 device to avoid temperature offset readings as a result of leakage paths between D+ and GND, or between D+ and V+.
TMP468 ai_pcb_cross-section_sbos722.gif
NOTE: Use a minimum of 5-mil (0.127 mm) traces with 5-mil spacing.
Figure 26. Suggested PCB Layer Cross-Section

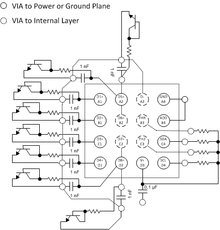
Layout Example

TMP468 Layout_01_SBOS762.gif Figure 27. TMP468 YFF Package Layout Example
TMP468 Layout_01_RTE_SBOS762.gif Figure 28. TMP468 RGT Package Layout Example