ZHCSA58F June   2006  – May 2018 TMP275

PRODUCTION DATA.  

  1. 特性
  2. 应用
  3. 说明
    1.     Device Images
      1.      简化电路原理图
      2.      内部框图
  4. 修订历史记录
  5. Pin Configuration and Functions
    1.     Pin Functions
  6. Specifications
    1. 6.1 Absolute Maximum Ratings
    2. 6.2 ESD Ratings
    3. 6.3 Recommended Operating Conditions
    4. 6.4 Thermal Information
    5. 6.5 Electrical Characteristics
    6. 6.6 Timing Requirements
    7. 6.7 Typical Characteristics
  7. Detailed Description
    1. 7.1 Overview
    2. 7.2 Functional Block Diagram
    3. 7.3 Feature Description
      1. 7.3.1 Digital Temperature Output
      2. 7.3.2 Serial Interface
      3. 7.3.3 Bus Overview
      4. 7.3.4 Serial Bus Address
        1. 7.3.4.1 Writing and Reading to the TMP275
        2. 7.3.4.2 Slave Mode Operations
          1. 7.3.4.2.1 Slave Receiver Mode
          2. 7.3.4.2.2 Slave Transmitter Mode
        3. 7.3.4.3 SMBus Alert Function
        4. 7.3.4.4 General Call
        5. 7.3.4.5 High-Speed Mode
        6. 7.3.4.6 Time-Out Function
      5. 7.3.5 Timing Diagrams
      6. 7.3.6 Two-Wire Timing Diagrams
    4. 7.4 Device Functional Modes
      1. 7.4.1 Shutdown Mode (SD)
      2. 7.4.2 Thermostat Mode (TM)
        1. 7.4.2.1 Comparator Mode (TM = 0)
        2. 7.4.2.2 Interrupt Mode (TM = 1)
      3. 7.4.3 One-Shot (OS)
    5. 7.5 Programming
      1. 7.5.1  Pointer Register
        1. 7.5.1.1 Pointer Register Byte (offset = N/A) [reset = 00h]
        2. 7.5.1.2 Pointer Addresses of the TMP275
          1. Table 3. Pointer Addresses of the TMP275 Field Description
      2. 7.5.2  Temperature Register
      3. 7.5.3  Configuration Register
      4. 7.5.4  Shutdown Mode (SD)
      5. 7.5.5  Thermostat Mode (TM)
      6. 7.5.6  Polarity (POL)
      7. 7.5.7  Fault Queue (F1/F0)
      8. 7.5.8  Converter Resolution (R1/R0)
      9. 7.5.9  One-Shot (OS)
      10. 7.5.10 High and Low Limit Registers
  8. Application and Implementation
    1. 8.1 Application Information
    2. 8.2 Typical Applications
      1. 8.2.1 Typical Connections of the TMP275
        1. 8.2.1.1 Design Requirements
        2. 8.2.1.2 Detailed Design Procedure
        3. 8.2.1.3 Application Curve
      2. 8.2.2 Connecting Multiple Devices on a Single Bus
      3. 8.2.3 Temperature Data Logger for Cold Chain Management Applications
  9. Power Supply Recommendations
  10. 10Layout
    1. 10.1 Layout Guidelines
    2. 10.2 Layout Example
  11. 11器件和文档支持
    1. 11.1 文档支持
      1. 11.1.1 相关文档
    2. 11.2 社区资源
    3. 11.3 商标
    4. 11.4 静电放电警告
    5. 11.5 术语表
  12. 12机械、封装和可订购信息

封装选项

机械数据 (封装 | 引脚)
散热焊盘机械数据 (封装 | 引脚)
订购信息

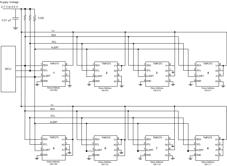
Connecting Multiple Devices on a Single Bus

The TMP275 features three address pins allowing up to eight devices to be connected per bus. When the TMP275 is operating in Interrupt mode (TM = 1) , the ALERT pin of the TMP275 may be connected as an SMBus Alert signal. Figure 18 shows eight TMP275 devices connected to a MCU (master) using one single bus. Each device that exists as a slave on the SMBus has one unique seven bit address, see Table 2 for TMP275 address options. When a master senses that an ALERT condition is present on the ALERT line, the master sends an SMBus Alert command (00011001) on the bus. If the ALERT pin of the TMP275 is active, the device acknowledges the SMBus Alert command and responds by returning its slave address on the SDA line. The eighth bit (LSB) of the slave address byte indicates if the temperature exceeding THIGH or falling below TLOW caused the ALERT condition. This bit will be HIGH if the temperature is greater than or equal to THIGH. This bit will be LOW if the temperature is less than TLOW.

This application have eight devices connected to the bus. If multiple devices on the bus respond to the SMBus Alert command, arbitration during the slave address portion of the SMBus Alert command determines which device clears its ALERT status. If the TMP275 wins the arbitration, its ALERT pin becomes inactive at the completion of the SMBus Alert command. If the TMP275 loses the arbitration, its ALERT pin remains active.

NOTE

Make sure you configure the device to operate in Interrupt Mode to enable the SMBus feature.

TMP275 apps_diagram2_TMP275.gifFigure 18. Connecting Multiple Devices on a Single Bus