SBOS545D February   2011  – December 2018 TMP103

PRODUCTION DATA.  

  1. Features
  2. Applications
  3. Description
    1.     Device Images
      1.      Typical Application Diagram
  4. Revision History
  5. Pin Configuration and Functions
    1.     Pin Functions
  6. Specifications
    1. 6.1 Absolute Maximum Ratings
    2. 6.2 ESD Ratings
    3. 6.3 Recommended Operating Conditions
    4. 6.4 Thermal Information
    5. 6.5 Electrical Characteristics
    6. 6.6 Timing Requirements
    7. 6.7 Typical Characteristics
  7. Detailed Description
    1. 7.1 Overview
    2. 7.2 Functional Block Diagram
    3. 7.3 Feature Description
    4. 7.4 Device Functional Modes
      1. 7.4.1 Shutdown Mode
      2. 7.4.2 One-Shot Mode
      3. 7.4.3 Continuous Conversion Mode
    5. 7.5 Programming
      1. 7.5.1  Temperature Watchdog Function
      2. 7.5.2  Conversion Rate
      3. 7.5.3  Shutdown Mode (M1 = 0, M0 = 0)
      4. 7.5.4  One-Shot (M1 = 0, M0 = 1)
      5. 7.5.5  Continuous Conversion Mode (M1 = 1)
      6. 7.5.6  Bus Overview
      7. 7.5.7  Serial Interface
      8. 7.5.8  Serial Bus Address
      9. 7.5.9  Writing and Reading Operation
      10. 7.5.10 Slave Mode Operations
        1. 7.5.10.1 Slave Receiver Mode
        2. 7.5.10.2 Slave Transmitter Mode
      11. 7.5.11 General Call
      12. 7.5.12 High-Speed (Hs) Mode
      13. 7.5.13 Timeout Function
      14. 7.5.14 Multiple Device Access
        1. 7.5.14.1 Multiple Device Access Write
        2. 7.5.14.2 Multiple Device Access Read
      15. 7.5.15 NOISE
    6. 7.6 Register Maps
      1. 7.6.1 Pointer Register
      2. 7.6.2 Temperature Register
      3. 7.6.3 Configuration Register
      4. 7.6.4 Temperature Limit Registers
  8. Application and Implementation
    1. 8.1 Application Information
    2. 8.2 Typical Application
      1. 8.2.1 Design Requirements
      2. 8.2.2 Detailed Design Procedure
      3. 8.2.3 Application Curve
  9. Power Supply Recommendations
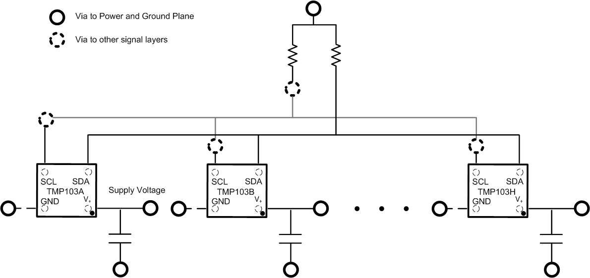
  10. 10Layout
    1. 10.1 Layout Guidelines
    2. 10.2 Layout Example
  11. 11Device and Documentation Support
    1. 11.1 Receiving Notification of Documentation Updates
    2. 11.2 Community Resources
    3. 11.3 Trademarks
    4. 11.4 Electrostatic Discharge Caution
    5. 11.5 Glossary
  12. 12Mechanical, Packaging, and Orderable Information

封装选项

请参考 PDF 数据表获取器件具体的封装图。

机械数据 (封装 | 引脚)
  • YFF|4
散热焊盘机械数据 (封装 | 引脚)
订购信息

Layout Example

TMP103 pcblayout.gifFigure 18. Recommended Layout Example