ZHCSKG4E October   2019  – January 2022 TLV9151 , TLV9152 , TLV9154

PRODMIX  

  1. 特性
  2. 应用
  3. 说明
  4. 修订历史记录
  5. 引脚配置和功能
  6. 规格
    1. 6.1 绝对最大额定值
    2. 6.2 ESD 等级
    3. 6.3 建议工作条件
    4. 6.4 单通道器件的热性能信息
    5. 6.5 双通道器件的热性能信息
    6. 6.6 四通道器件的热性能信息
    7. 6.7 电气特性
    8.     14
    9. 6.8 典型特性
  7. 详细说明
    1. 7.1 概述
    2. 7.2 功能方框图
    3. 7.3 特性说明
      1. 7.3.1  EMI 抑制
      2. 7.3.2  过热保护
      3. 7.3.3  容性负载和稳定性
      4. 7.3.4  共模电压范围
      5. 7.3.5  反相保护
      6. 7.3.6  电气过载
      7. 7.3.7  过载恢复
      8. 7.3.8  典型规格与分布
      9. 7.3.9  带有外露散热焊盘的封装
      10. 7.3.10 关断
    4. 7.4 器件功能模式
  8. 应用和实现
    1. 8.1 应用信息
    2. 8.2 典型应用
      1. 8.2.1 低侧电流测量
        1. 8.2.1.1 设计要求
        2. 8.2.1.2 详细设计过程
        3. 8.2.1.3 应用曲线
  9. 电源相关建议
  10. 10布局
    1. 10.1 布局指南
    2. 10.2 布局示例
  11. 11器件和文档支持
    1. 11.1 器件支持
      1. 11.1.1 开发支持
        1. 11.1.1.1 TINA-TI(免费软件下载)
        2. 11.1.1.2 TI 精密设计
    2. 11.2 文档支持
      1. 11.2.1 相关文档
    3. 11.3 接收文档更新通知
    4. 11.4 支持资源
    5. 11.5 商标
    6. 11.6 Electrostatic Discharge Caution
    7. 11.7 术语表
  12. 12机械、封装和可订购信息

封装选项

机械数据 (封装 | 引脚)
散热焊盘机械数据 (封装 | 引脚)
订购信息

容性负载和稳定性

TLV915x 具有电阻输出级,能够驱动中等容性负载,而且通过采用隔离电阻器,可以轻松配置该器件来驱动大型容性负载。增加增益可增强放大器驱动更大容性负载的能力;请参阅图 7-3图 7-4。在确定放大器是否将稳定运行时,需要考虑一些因素,如特定的运算放大器电路配置、布局、增益和输出负载等。

GUID-CBFAC27F-BFA0-42FA-8136-853984C57034-low.gif图 7-3 小信号过冲与容性负载之间的关系(10mV 输出阶跃,G = 1)
GUID-5BE8A562-5E27-4CD8-8B34-544CF5B31D94-low.gif图 7-4 小信号过冲与容性负载之间的关系(10mV 输出阶跃,G = -1)

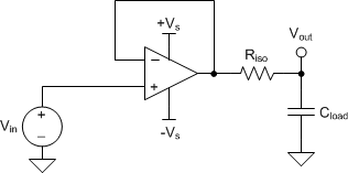
为了在单位增益配置中获得额外的驱动能力,通过在输出中串联一个小电阻器 RISO 来提高容性负载驱动能力,如图 7-5 中所示。此电阻器可显著减少振铃,并保持纯容性负载的直流性能。但是,如果电阻负载与容性负载并联,则会产生一个电压分压器,从而在输出端引入增益误差并略微减小输出摆幅。引入的误差与 RISO / RL 的比率成正比,在低输出电平下通常可忽略不计。高容性负载驱动使得TLV915x 非常适合于基准缓冲器、MOSFET 栅极驱动器和电缆屏蔽驱动器等应用。图 7-5 中所示的电路采用隔离电阻器 RISO 来稳定运算放大器的输出。RISO 修改了系统的开环增益,从而增加了相位裕度 中总结了使用 TLV915x 的结果。

GUID-3F8C8062-89BB-4C43-ACAE-7B84FC6FF0DF-low.gif图 7-5 使用 TLV9151 扩展容性负载驱动