SLAS355B December   2001  – December 2015 TLV2556

PRODUCTION DATA.  

  1. Features
  2. Applications
  3. Description
  4. Revision History
  5. Pin Configuration and Functions
  6. Specifications
    1. 6.1  Absolute Maximum Ratings
    2. 6.2  ESD Ratings
    3. 6.3  Recommended Operating Conditions
    4. 6.4  Thermal Information
    5. 6.5  Electrical Characteristics
    6. 6.6  External Reference Specifications
    7. 6.7  Internal Reference Specifications
    8. 6.8  Operating Characteristics
    9. 6.9  Timing Requirements, VREF+ = 5 V
    10. 6.10 Timing Requirements, VREF+ = 2.5 V
    11. 6.11 Typical Characteristics
  7. Parameter Measurement Information
  8. Detailed Description
    1. 8.1 Overview
    2. 8.2 Functional Block Diagram
    3. 8.3 Feature Description
      1. 8.3.1  Converter Operation
        1. 8.3.1.1 Data I/O Cycle
        2. 8.3.1.2 Sampling Period
        3. 8.3.1.3 Conversion Cycle
      2. 8.3.2  Power Up and Initialization
      3. 8.3.3  Default Mode
      4. 8.3.4  Data Input
      5. 8.3.5  Data Input - Address/Command Bits
      6. 8.3.6  Data Output Length
      7. 8.3.7  LSB Out First
      8. 8.3.8  Bipolar Output Format
      9. 8.3.9  Reference
      10. 8.3.10 INT/EOC Output
      11. 8.3.11 Chip-Select Input (CS)
      12. 8.3.12 Power-Down Features
      13. 8.3.13 Analog MUX
    4. 8.4 Device Functional Modes
  9. Application and Implementation
    1. 9.1 Application Information
    2. 9.2 Typical Application
      1. 9.2.1 Design Requirements
      2. 9.2.2 Detailed Design Procedure
      3. 9.2.3 Application Curve
  10. 10Power Supply Recommendations
  11. 11Layout
    1. 11.1 Layout Guidelines
    2. 11.2 Layout Example
  12. 12Device and Documentation Support
    1. 12.1 Community Resources
    2. 12.2 Trademarks
    3. 12.3 Electrostatic Discharge Caution
    4. 12.4 Glossary
  13. 13Mechanical, Packaging, and Orderable Information

封装选项

请参考 PDF 数据表获取器件具体的封装图。

机械数据 (封装 | 引脚)
  • DW|20
  • PW|20
散热焊盘机械数据 (封装 | 引脚)
订购信息

7 Parameter Measurement Information

TLV2556 DataOut_and_Hi-Z_Volt_SBAS739.gif
Figure 46. DATA OUT to Hi-Z Voltage Waveforms
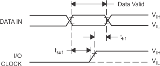
TLV2556 DataIn_and_IO_Clk_Volt_SBAS739.gif Figure 47. DATA IN and I/O CLOCK Voltage
TLV2556 CS_and_IO_Clk_Volt_SBAS739.gif
Figure 48. CS and I/O CLOCK Voltage
Waveforms
TLV2556 IO_Clk_and_DataOut_Volt_SBAS739.gif Figure 49. I/O CLOCK and DATA OUT Voltage Waveforms
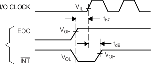
TLV2556 IO_Clk_and_EOC_Volt_SBAS739.gif Figure 50. I/O CLOCK and EOC Voltage Waveforms
TLV2556 EOC_and_DataOut_Volt_SBAS739.gif Figure 51. EOC and DATA OUT Voltage Waveforms
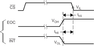
TLV2556 CS_and_EOC_Volt_SBAS739.gif Figure 52. CS and EOC Waveforms
TLV2556 IO_Clk_and_EOC_Volt_2_SBAS739.gif Figure 53. I/O CLOCK and EOC Voltage Waveforms