ZHCSJ14S August   2004  – May 2024 TL431 , TL432

PRODUCTION DATA  

  1.   1
  2. 特性
  3. 应用
  4. 说明
  5. 器件比较表
  6. 引脚配置和功能
  7. 规格
    1. 6.1  绝对最大额定值
    2. 6.2  ESD 等级
    3. 6.3  热性能信息
    4. 6.4  建议运行条件
    5. 6.5  电气特性,TL431C、TL432C
    6. 6.6  电气特性,TL431I、TL432I
    7. 6.7  电气特性,TL431Q、TL432Q
    8. 6.8  电气特性,TL431AC、TL432AC
    9. 6.9  电气特性,TL431AI、TL432AI
    10. 6.10 电气特性,TL431AQ、TL432AQ
    11. 6.11 电气特性,TL431BC、TL432BC
    12. 6.12 电气特性,TL431BI、TL432BI
    13. 6.13 电气特性,TL431BQ、TL432BQ
    14. 6.14 典型特性
  8. 参数测量信息
    1. 7.1 温度系数
    2. 7.2 动态阻抗
  9. 详细说明
    1. 8.1 概述
    2. 8.2 功能方框图
    3. 8.3 特性说明
    4. 8.4 器件功能模式
      1. 8.4.1 开环(比较器)
      2. 8.4.2 闭环
  10. 应用和实现
    1. 9.1 应用信息
    2. 9.2 典型应用
      1. 9.2.1 具有集成基准的比较器
        1. 9.2.1.1 设计要求
        2. 9.2.1.2 详细设计过程
          1. 9.2.1.2.1 基本操作
            1. 9.2.1.2.1.1 过驱
          2. 9.2.1.2.2 输出电压和逻辑输入电平
            1. 9.2.1.2.2.1 输入电阻
        3. 9.2.1.3 应用曲线
      2. 9.2.2 并联稳压器/基准
        1. 9.2.2.1 设计要求
        2. 9.2.2.2 详细设计过程
          1. 9.2.2.2.1 可编程输出/阴极电压
          2. 9.2.2.2.2 总精度
          3. 9.2.2.2.3 稳定性
          4. 9.2.2.2.4 启动时间
        3. 9.2.2.3 应用曲线
    3. 9.3 系统示例
    4. 9.4 电源相关建议
    5. 9.5 布局
      1. 9.5.1 布局指南
      2. 9.5.2 布局示例
  11. 10器件和文档支持
    1. 10.1 器件命名规则
    2. 10.2 相关链接
    3. 10.3 接收文档更新通知
    4. 10.4 支持资源
    5. 10.5 商标
    6. 10.6 静电放电警告
    7. 10.7 术语表
  12. 11修订历史记录
  13. 12机械、封装和可订购信息

封装选项

机械数据 (封装 | 引脚)
散热焊盘机械数据 (封装 | 引脚)
订购信息

系统示例

TL431 TL432 精密大电流串联稳压器
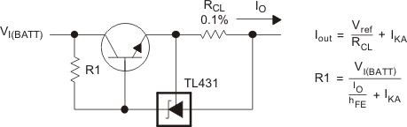
R 应在最低 V(BATT) 情况下向 TL431 提供 ≥1mA 的阴极电流。
图 9-5 精密大电流串联稳压器
TL431 TL432 三端固定稳压器的输出控制图 9-6 三端固定稳压器的输出控制
TL431 TL432 大电流并联稳压器图 9-7 大电流并联稳压器
TL431 TL432 Crowbar 电路
请参阅图 6-16图 6-18 中的稳定性边界条件,以确定 C 的允许值。
图 9-8 Crowbar 电路
TL431 TL432 精密 5V、1.5A 稳压器图 9-9 精密 5V、1.5A 稳压器
TL431 TL432 高效 5V 精密稳压器
Rb 应向 TL431 提供 ≥1mA 的阴极电流。
图 9-10 高效 5V 精密稳压器
TL431 TL432 具有基准电压的 PWM 转换器图 9-11 具有基准电压的 PWM 转换器
TL431 TL432 电压监控器
选择 R3 和 R4,以在可用的 VI(BATT) 条件下提供所需的 LED 强度并为 TL431 提供 ≥1mA 的阴极电流。
图 9-12 电压监控器
TL431 TL432 延迟计时器图 9-13 延迟计时器
TL431 TL432 精密限流器图 9-14 精密限流器
TL431 TL432 精密恒定电流吸收器图 9-15 精密恒定电流吸收器