ZHCSI82E May   2018  – May 2019 THVD1410 , THVD1450 , THVD1451 , THVD1452

PRODUCTION DATA.  

  1. 特性
  2. 应用
  3. 说明
    1.     Device Images
      1.      THVD1410 和 THVD1450 简化原理图
      2.      THVD1451 简化原理图
      3.      THVD1452 简化原理图
  4. 修订历史记录
  5. Device Comparison Table
  6. Pin Configuration and Functions
    1.     Pin Functions
    2.     Pin Functions
    3.     Pin Functions
  7. Specifications
    1. 7.1  Absolute Maximum Ratings
    2. 7.2  ESD Ratings
    3. 7.3  ESD Ratings [IEC]
    4. 7.4  Recommended Operating Conditions
    5. 7.5  Thermal Information
    6. 7.6  Power Dissipation
    7. 7.7  Electrical Characteristics
    8. 7.8  Switching Characteristics
    9. 7.9  Typical Characteristics: All Devices
    10. 7.10 Typical Characteristics: THD1450, THVD1451 and THVD1452
    11. 7.11 Typical Characteristics: THVD1410
  8. Parameter Measurement Information
  9. Detailed Description
    1. 9.1 Overview
    2. 9.2 Functional Block Diagrams
    3. 9.3 Feature Description
    4. 9.4 Device Functional Modes
      1. 9.4.1 Device Functional Modes for THVD1410 and THVD1450
      2. 9.4.2 Device Functional Modes for THVD1451
      3. 9.4.3 Device Functional Modes for THVD1452
  10. 10Application and Implementation
    1. 10.1 Application Information
    2. 10.2 Typical Application
      1. 10.2.1 Design Requirements
        1. 10.2.1.1 Data Rate and Bus Length
        2. 10.2.1.2 Stub Length
        3. 10.2.1.3 Bus Loading
        4. 10.2.1.4 Receiver Failsafe
        5. 10.2.1.5 Transient Protection
      2. 10.2.2 Detailed Design Procedure
      3. 10.2.3 Application Curves
  11. 11Power Supply Recommendations
  12. 12Layout
    1. 12.1 Layout Guidelines
    2. 12.2 Layout Example
  13. 13器件和文档支持
    1. 13.1 器件支持
    2. 13.2 第三方产品免责声明
    3. 13.3 相关链接
    4. 13.4 接收文档更新通知
    5. 13.5 社区资源
    6. 13.6 商标
    7. 13.7 静电放电警告
    8. 13.8 Glossary
  14. 14机械、封装和可订购信息

封装选项

请参考 PDF 数据表获取器件具体的封装图。

机械数据 (封装 | 引脚)
  • D|8
  • DGK|8
散热焊盘机械数据 (封装 | 引脚)
订购信息

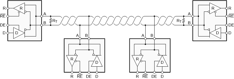
Typical Application

An RS-485 bus consists of multiple transceivers connecting in parallel to a bus cable. To eliminate line reflections, each cable end is terminated with a termination resistor, RT, whose value matches the characteristic impedance, Z0, of the cable. This method, known as parallel termination, generally allows for higher data rates over longer cable length.

THVD1410 THVD1450 THVD1451 THVD1452 network_half_duplex_sllsev1.gifFigure 31. Typical RS-485 Network With Half-Duplex Transceivers
THVD1410 THVD1450 THVD1451 THVD1452 network_full_duplex_sllsev1.gifFigure 32. Typical RS-485 Network With Full-Duplex Transceivers