ZHCSRW5A March   2023  – November 2023 TCAN3413 , TCAN3414

PRODUCTION DATA  

  1.   1
  2. 特性
  3. 应用
  4. 说明
  5. Pin Configuration and Functions
  6. Specifications
    1. 5.1  Absolute Maximum Ratings
    2. 5.2  ESD Ratings
    3. 5.3  ESD Ratings, IEC Transients
    4. 5.4  Recommended Operating Conditions
    5. 5.5  Thermal Characteristics
    6. 5.6  Supply Characteristics
    7. 5.7  Dissipation Ratings
    8. 5.8  Electrical Characteristics
    9. 5.9  Switching Characteristics
    10. 5.10 Typical Characteristics
  7. Parameter Measurement Information
  8. Detailed Description
    1. 7.1 Overview
    2. 7.2 Functional Block Diagram
    3. 7.3 Feature Description
      1. 7.3.1 Pin Descripton
        1. 7.3.1.1 TXD
        2. 7.3.1.2 GND
        3. 7.3.1.3 VCC
        4. 7.3.1.4 RXD
        5. 7.3.1.5 VIO (TCAN3413 only)
        6. 7.3.1.6 CANH and CANL
        7. 7.3.1.7 STB (Standby)
        8. 7.3.1.8 SHDN (Shutdown)
      2. 7.3.2 CAN Bus States
      3. 7.3.3 TXD Dominant Timeout (DTO)
      4. 7.3.4 CAN Bus short-circuit current limiting
      5. 7.3.5 Thermal Shutdown (TSD)
      6. 7.3.6 Undervoltage Lockout
      7. 7.3.7 Unpowered Device
      8. 7.3.8 Floating pins
    4. 7.4 Device Functional Modes
      1. 7.4.1 Operating Modes
      2. 7.4.2 Normal Mode
      3. 7.4.3 Standby Mode
        1. 7.4.3.1 Remote Wake Request via Wake-Up Pattern (WUP) in Standby Mode
      4. 7.4.4 Shutdown Mode
      5. 7.4.5 Driver and Receiver Function
  9. Application and Implementation
    1. 8.1 Application Information
    2. 8.2 Typical Application
      1. 8.2.1 Design Requirements
        1. 8.2.1.1 CAN Termination
      2. 8.2.2 Detailed Design Procedures
        1. 8.2.2.1 Bus Loading, Length and Number of Nodes
      3. 8.2.3 Application Curves
    3. 8.3 System Examples
      1. 8.3.1 ISO 11898-2 Compatibility of TCAN341x Family of 3.3-V CAN Transceivers
        1. 8.3.1.1 Introduction
        2. 8.3.1.2 Differential Signal
        3. 8.3.1.3 Common-Mode Signal
        4. 8.3.1.4 Interoperability of 3.3-V CAN in 5-V CAN Systems
    4. 8.4 Power Supply Recommendations
    5. 8.5 Layout
      1. 8.5.1 Layout Guidelines
      2. 8.5.2 Layout Example
  10. Device and Documentation Support
    1. 9.1 接收文档更新通知
    2. 9.2 支持资源
    3. 9.3 Trademarks
    4. 9.4 静电放电警告
    5. 9.5 术语表
  11. 10Revision History
  12. 11Mechanical, Packaging, and Orderable Information

封装选项

请参考 PDF 数据表获取器件具体的封装图。

机械数据 (封装 | 引脚)
  • D|8
  • DDF|8
  • DRB|8
散热焊盘机械数据 (封装 | 引脚)
订购信息

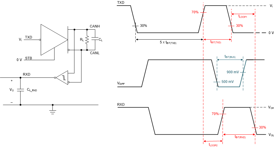
Parameter Measurement Information

GUID-65E19C4D-B2EA-45F6-989F-81882408A466-low.gifFigure 6-1 ICC Test Circuit
GUID-20220311-SS0I-XV4K-8SNP-0HWVRSVSZRXQ-low.svg Figure 6-2 Driver Test Circuit and Measurement
GUID-21CD1A85-1648-4B86-A644-8E8D6188A493-low.gifFigure 6-3 Receiver Test Circuit and Measurement
GUID-C4901CB4-EE6B-44D0-BFE5-07213012EE9E-low.gifFigure 6-4 Transmitter and Receiver Timing Test Circuit and Measurement
GUID-8F6AE425-5022-4941-8A05-55FD9950EADF-low.gifFigure 6-5 tMODE Test Circuit and Measurement
GUID-299FB45C-8F40-47E8-A9D8-8DAEE2C4947E-low.gifFigure 6-6 TXD Dominant Timeout Test Circuit and Measurement
GUID-0148503A-4927-48AB-95E4-5E4791349DF4-low.gifFigure 6-7 Driver Short-Circuit Current Test and Measurement