ZHCS034C January   2011  – August 2018 TCA4311A

PRODUCTION DATA.  

  1. 特性
  2. 应用
  3. 说明
    1.     Device Images
      1.      简化原理图
  4. 修订历史记录
  5. Pin Configuration and Functions
    1.     Pin Functions
  6. Specifications
    1. 6.1 Absolute Maximum Ratings
    2. 6.2 ESD Ratings
    3. 6.3 Recommended Operating Conditions
    4. 6.4 Thermal Information
    5. 6.5 Electrical Characteristics
    6. 6.6 Typical Characteristics
  7. Parameter Measurement Information
  8. Detailed Description
    1. 8.1 Overview
    2. 8.2 Functional Block Diagram
    3. 8.3 Feature Description
      1. 8.3.1 Rise-Time Accelerators
      2. 8.3.2 READY Digital Output
      3. 8.3.3 EN Low Current Disable
    4. 8.4 Device Functional Modes
      1. 8.4.1 Start-Up
      2. 8.4.2 Connection Circuitry
      3. 8.4.3 Missing ACK Event
        1. 8.4.3.1 System Impact
        2. 8.4.3.2 System Workaround
  9. Application and Implementation
    1. 9.1 Application Information
    2. 9.2 Typical Application
      1. 9.2.1 Design Requirements
        1. 9.2.1.1 Input to Output Offset Voltage
        2. 9.2.1.2 Propagation Delays
      2. 9.2.2 Detailed Design Procedure
        1. 9.2.2.1 Resistor Pull-Up Value Selection
      3. 9.2.3 Application Curves
      4. 9.2.4 Live Insertion and Capacitance Buffering CompactPCI Application
        1. 9.2.4.1 Design Requirements
        2. 9.2.4.2 Detailed Design Procedure
        3. 9.2.4.3 Application Curves
      5. 9.2.5 Live Insertion and Capacitance Buffering PCI Application
        1. 9.2.5.1 Design Requirements
        2. 9.2.5.2 Detailed Design Procedure
        3. 9.2.5.3 Application Curves
      6. 9.2.6 Repeater/Bus Extender Application
        1. 9.2.6.1 Design Requirements
        2. 9.2.6.2 Detailed Design Procedure
        3. 9.2.6.3 Application Curves
      7. 9.2.7 Systems With Disparate Supply Voltages
        1. 9.2.7.1 Design Requirements
        2. 9.2.7.2 Detailed Design Procedure
        3. 9.2.7.3 Application Curves
  10. 10Power Supply Recommendations
  11. 11Layout
    1. 11.1 Layout Guidelines
    2. 11.2 Layout Example
  12. 12器件和文档支持
    1. 12.1 接收文档更新通知
    2. 12.2 社区资源
    3. 12.3 商标
    4. 12.4 静电放电警告
    5. 12.5 术语表
  13. 13机械、封装和可订购信息

封装选项

机械数据 (封装 | 引脚)
散热焊盘机械数据 (封装 | 引脚)
订购信息

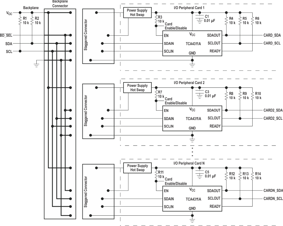
Live Insertion and Capacitance Buffering CompactPCI™ Application

Figure 12 through Figure 13 illustrate the usage of the TCA4311A in applications that take advantage of both its hot swap controlling and capacitance buffering features. In all of these applications, note that if the I/O cards were plugged directly into the backplane, all of the backplane and card capacitances would add directly together, making rise- and fall-time requirements difficult to meet. Placing a TCA4311A on the edge of each card, however, isolates the card capacitance from the backplane. For a given I/O card, the TCA4311A drives the capacitance of everything on the card and the backplane must drive only the capacitance of the TCA4311A, which is less than 10 pF.

Figure 12 shows the TCA4311A in a CompactPCI™ configuration. Connect VCC and EN to the output of one of the CompactPCI™ power supply Hot Swap circuits. Use a pull-up resistor to EN for a card side enable/disable.

VCC is monitored by a filtered UVLO circuit. With the VCC voltage powering up after all other pins have established connection, the UVLO circuit ensures that the backplane and card data and clock busses are not connected until the transients associated with live insertion have settled. Owing to their small capacitance, the SDAIN and SCLIN pins cause minimal disturbance on the backplane busses when they make contact with the connector.

TCA4311A appin3_scps226.gifFigure 12. Inserting Multiple I/O Cards into a Live Backplane Using the TCA4311A in a CompactPCI System