ZHCSJM6A April   2019  – October 2019 TAS6421-Q1

PRODUCTION DATA.  

  1. 特性
  2. 应用
  3. 说明
    1.     功能方框图
  4. 修订历史记录
  5. 说明(续)
  6. Device Options
  7. Pin Configuration and Functions
    1.     Pin Functions
  8. Specifications
    1. 8.1 Absolute Maximum Ratings
    2. 8.2 ESD Ratings
    3. 8.3 Recommended Operating Conditions
    4. 8.4 Thermal Information
    5. 8.5 Electrical Characteristics
    6. 8.6 Typical Characteristics
  9. Parameter Measurement Information
  10. 10Detailed description
    1. 10.1 Overview
    2. 10.2 Functional Block Diagram
    3. 10.3 Feature Description
      1. 10.3.1  Serial Audio Port
        1. 10.3.1.1 I2S Mode
        2. 10.3.1.2 Left-Justified Timing
        3. 10.3.1.3 Right-Justified Timing
        4. 10.3.1.4 TDM Mode
        5. 10.3.1.5 Supported Clock Rates
        6. 10.3.1.6 Audio-Clock Error Handling
      2. 10.3.2  DC Blocking
      3. 10.3.3  Volume Control and Gain
      4. 10.3.4  High-Frequency Pulse-Width Modulator (PWM)
      5. 10.3.5  Gate Drive
      6. 10.3.6  Power FETs
      7. 10.3.7  Load Diagnostics
        1. 10.3.7.1 DC Load Diagnostics
        2. 10.3.7.2 Line Output Diagnostics
        3. 10.3.7.3 AC Load Diagnostics
          1. 10.3.7.3.1 Impedance Magnitude Measurement
          2. 10.3.7.3.2 Impedance Phase Reference Measurement
          3. 10.3.7.3.3 Impedance Phase Measurement
      8. 10.3.8  Protection and Monitoring
        1. 10.3.8.1 Overcurrent Limit (ILIMIT)
        2. 10.3.8.2 Overcurrent Shutdown (ISD)
        3. 10.3.8.3 DC Detect
        4. 10.3.8.4 Clip Detect
        5. 10.3.8.5 Global Overtemperature Warning (OTW), Overtemperature Shutdown (OTSD)
        6. 10.3.8.6 Channel Overtemperature Warning [OTW(i)] and Shutdown [OTSD(i)]
        7. 10.3.8.7 Undervoltage (UV) and Power-On-Reset (POR)
        8. 10.3.8.8 Overvoltage (OV) and Load Dump
      9. 10.3.9  Power Supply
        1. 10.3.9.1 Vehicle-Battery Power-Supply Sequence
          1. 10.3.9.1.1 Power-Up Sequence
          2. 10.3.9.1.2 Power-Down Sequence
        2. 10.3.9.2 Boosted Power-Supply Sequence
      10. 10.3.10 Hardware Control Pins
        1. 10.3.10.1 FAULT
        2. 10.3.10.2 WARN
        3. 10.3.10.3 MUTE
        4. 10.3.10.4 STANDBY
    4. 10.4 Device Functional Modes
      1. 10.4.1 Operating Modes and Faults
    5. 10.5 Programming
      1. 10.5.1 I2C Serial Communication Bus
      2. 10.5.2 I2C Bus Protocol
      3. 10.5.3 Random Write
      4. 10.5.4 Sequential Write
      5. 10.5.5 Random Read
      6. 10.5.6 Sequential Read
    6. 10.6 Register Maps
      1. 10.6.1  Mode Control Register (address = 0x00) [default = 0x00]
        1. Table 9. Mode Control Field Descriptions
      2. 10.6.2  Miscellaneous Control 1 Register (address = 0x01) [default = 0x32]
        1. Table 10. Misc Control 1 Field Descriptions
      3. 10.6.3  Miscellaneous Control 2 Register (address = 0x02) [default = 0x62]
        1. Table 11. Misc Control 2 Field Descriptions
      4. 10.6.4  SAP Control (Serial Audio-Port Control) Register (address = 0x03) [default = 0x04]
        1. Table 12. SAP Control Field Descriptions
      5. 10.6.5  Channel State Control Register (address = 0x04) [default = 0x55]
        1. Table 13. Channel State Control Field Descriptions
      6. 10.6.6  Channel 1 Volume Control Register (address = 0x05) [default = 0xCF]
        1. Table 14. Ch 1 Volume Control Field Descriptions
      7. 10.6.7  DC Load Diagnostic Control 1 Register (address = 0x09) [default = 0x00]
        1. Table 15. DC Load Diagnostics Control 1 Field Descriptions
      8. 10.6.8  DC Load Diagnostic Control 2 Register (address = 0x0A) [default = 0x11]
        1. Table 16. DC Load Diagnostics Control 2 Field Descriptions
      9. 10.6.9  DC Load Diagnostic Report 1 Register (address = 0x0C) [default = 0x00]
        1. Table 17. DC Load Diagnostics Report 1 Field Descriptions
      10. 10.6.10 DC Load Diagnostics Report 3 Line Output Register (address = 0x0E) [default = 0x00]
        1. Table 18. DC Load Diagnostics Report 3 Line Output Field Descriptions
      11. 10.6.11 Channel State Reporting Register (address = 0x0F) [default = 0x40]
        1. Table 19. State-Reporting Field Descriptions
      12. 10.6.12 Channel Faults (Overcurrent, DC Detection) Register (address = 0x10) [default = 0x00]
        1. Table 20. Channel Faults Field Descriptions
      13. 10.6.13 Global Faults 1 Register (address = 0x11) [default = 0x00]
        1. Table 21. Global Faults 1 Field Descriptions
      14. 10.6.14 Global Faults 2 Register (address = 0x12) [default = 0x00]
        1. Table 22. Global Faults 2 Field Descriptions
      15. 10.6.15 Warnings Register (address = 0x13) [default = 0x20]
        1. Table 23. Warnings Field Descriptions
      16. 10.6.16 Pin Control Register (address = 0x14) [default = 0x00]
        1. Table 24. Pin Control Field Descriptions
      17. 10.6.17 AC Load Diagnostic Control 1 Register (address = 0x15) [default = 0x00]
        1. Table 25. AC Load Diagnostic Control 1 Field Descriptions
      18. 10.6.18 AC Load Diagnostic Control 2 Register (address = 0x16) [default = 0x00]
        1. Table 26. AC Load Diagnostic Control 2 Field Descriptions
      19. 10.6.19 AC Load Diagnostic Impedance Report Ch1 Register (address = 0x17) [default = 0x00]
        1. Table 27. Ch1 AC LDG Impedance Report Field Descriptions
      20. 10.6.20 AC Load Diagnostic Phase Report High Register (address = 0x1B) [default = 0x00]
        1. Table 28. AC LDG Phase High Report Field Descriptions
      21. 10.6.21 AC Load Diagnostic Phase Report Low Register (address = 0x1C) [default = 0x00]
        1. Table 29. AC LDG Phase Low Report Field Descriptions
      22. 10.6.22 AC Load Diagnostic STI Report High Register (address = 0x1D) [default = 0x00]
        1. Table 30. AC LDG STI High Report Field Descriptions
      23. 10.6.23 AC Load Diagnostic STI Report Low Register (address = 0x1E) [default = 0x00]
        1. Table 31. Ch1 AC LDG STI Low Report Field Descriptions
      24. 10.6.24 Miscellaneous Control 3 Register (address = 0x21) [default = 0x00]
        1. Table 32. Misc Control 3 Field Descriptions
      25. 10.6.25 Clip Control Register (address = 0x22) [default = 0x01]
        1. Table 33. Clip Control Field Descriptions
      26. 10.6.26 Clip Window Register (address = 0x23) [default = 0x14]
        1. Table 34. Clip Window Field Descriptions
      27. 10.6.27 Clip Warning Register (address = 0x24) [default = 0x00]
        1. Table 35. Clip Warning Field Descriptions
      28. 10.6.28 ILIMIT Status Register (address = 0x25) [default = 0x00]
        1. Table 36. ILIMIT Status Field Descriptions
      29. 10.6.29 Miscellaneous Control 4 Register (address = 0x26) [default = 0x40]
        1. Table 37. Misc Control 4 Field Descriptions
  11. 11Application and Implementation
    1. 11.1 Application Information
      1. 11.1.1 AM-Radio Band Avoidance
      2. 11.1.2 Demodulation Filter Design
      3. 11.1.3 Line Driver Applications
    2. 11.2 Typical Applications
      1. 11.2.1 BTL Application
        1. 11.2.1.1 Design Requirements
          1. 11.2.1.1.1 Communication
        2. 11.2.1.2 Detailed Design Procedure
          1. 11.2.1.2.1 Hardware Design
          2. 11.2.1.2.2 Digital Input and the Serial Audio Port
          3. 11.2.1.2.3 Bootstrap Capacitors
          4. 11.2.1.2.4 Output Reconstruction Filter
      2. 11.2.2 Application Curves
  12. 12Power Supply Recommendations
  13. 13Layout
    1. 13.1 Layout Guidelines
      1. 13.1.1 Electrical Connection of Thermal pad and Heat Sink
      2. 13.1.2 EMI Considerations
      3. 13.1.3 General Guidelines
    2. 13.2 Layout Example
    3. 13.3 Thermal Considerations
  14. 14器件和文档支持
    1. 14.1 文档支持
      1. 14.1.1 相关文档
    2. 14.2 接收文档更新通知
    3. 14.3 社区资源
    4. 14.4 商标
    5. 14.5 静电放电警告
    6. 14.6 Glossary

封装选项

机械数据 (封装 | 引脚)
散热焊盘机械数据 (封装 | 引脚)
订购信息

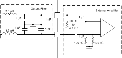
Line Driver Applications

In many automotive audio applications, the same head unit must drive either a speaker (with several ohms of impedance) or an external amplifier input (with several kiloohms of impedance). The design is capable of supporting both applications and has special line-drive gain and diagnostics. Coupled with the high switching frequency, the device is well suited for this type of application. Set the output channel in line driver mode through I2C register 0x00, the externally connected amplifier must have a differential impedance from 600 Ω to 4.7 kΩ for the DC line diagnostic to detect the connected external amplifier. Figure 65 shows the recommended external amplifier input configuration.

TAS6421-Q1 Line_Out_SLOS870.gifFigure 65. External Amplifier Input Configuration for Line Driver