SLOS670B November   2010  – December 2016 TAS5727

PRODUCTION DATA.  

  1. Features
  2. Applications
  3. Description
  4. Revision History
  5. Description (continued)
  6. Device Comparison Table
  7. Pin Configuration and Functions
  8. Specifications
    1. 8.1  Absolute Maximum Ratings
    2. 8.2  ESD Ratings
    3. 8.3  Recommended Operating Conditions
    4. 8.4  Thermal Information
    5. 8.5  DC Electrical Characteristics
    6. 8.6  AC Electrical Characteristics (BTL, PBTL)
    7. 8.7  PLL Input Parameters and External Filter Components
    8. 8.8  Serial Audio Ports Slave Mode
    9. 8.9  I2C Serial Control Port Operation
    10. 8.10 Reset Timing (RESET)
    11. 8.11 Typical Characteristics
  9. Parameter Measurement Information
  10. 10Detailed Description
    1. 10.1 Overview
    2. 10.2 Functional Block Diagrams
    3. 10.3 Feature Description
      1. 10.3.1  Power Supply
      2. 10.3.2  I2C Address Selection and Fault Output
        1. 10.3.2.1 I2C Chip Select
        2. 10.3.2.2 I2C Device Address Change Procedure
        3. 10.3.2.3 Fault Indication
      3. 10.3.3  Device Protection Systems
        1. 10.3.3.1 Overcurrent (OC) Protection With Current Limiting
        2. 10.3.3.2 Overtemperature Protection
        3. 10.3.3.3 Undervoltage Protection (UVP) and Power-On Reset (POR)
      4. 10.3.4  Clock, Auto Detection, and PLL
      5. 10.3.5  PWM Section
      6. 10.3.6  SSTIMER Functionality
      7. 10.3.7  Single-Filter PBTL Mode
      8. 10.3.8  I2C Serial Control Interface
        1. 10.3.8.1 General I2C Operation
        2. 10.3.8.2 Single- and Multiple-Byte Transfers
        3. 10.3.8.3 Single-Byte Write
        4. 10.3.8.4 Multiple-Byte Write
        5. 10.3.8.5 Single-Byte Read
        6. 10.3.8.6 Multiple-Byte Read
      9. 10.3.9  Audio Serial Interface
      10. 10.3.10 Serial Interface Control and Timing
        1. 10.3.10.1 I2S Timing
        2. 10.3.10.2 Left-Justified
        3. 10.3.10.3 Right-Justified
      11. 10.3.11 Dynamic Range Control (DRC)
      12. 10.3.12 PWM Level Meter
    4. 10.4 Device Functional Modes
      1. 10.4.1 Stereo BTL Mode
      2. 10.4.2 Mono PBTL Mode
    5. 10.5 Programming
      1. 10.5.1 26-Bit 3.23 Number Format
    6. 10.6 Register Maps
      1. 10.6.1  Clock Control Register (0x00)
      2. 10.6.2  Device Id Register (0x01)
      3. 10.6.3  Error Status Register (0x02)
      4. 10.6.4  System Control Register 1 (0x03)
      5. 10.6.5  Serial Data Interface Register (0x04)
      6. 10.6.6  System Control Register 2 (0x05)
      7. 10.6.7  Soft Mute Register (0x06)
      8. 10.6.8  Volume Registers (0x07, 0x08, 0x09)
      9. 10.6.9  Volume Configuration Register (0x0E)
      10. 10.6.10 Modulation Limit Register (0x10)
      11. 10.6.11 Interchannel Delay Registers (0x11, 0x12, 0x13, and 0x14)
      12. 10.6.12 PWM Shutdown Group Register (0x19)
      13. 10.6.13 Start/Stop Period Register (0x1A)
      14. 10.6.14 Oscillator Trim Register (0x1B)
      15. 10.6.15 BKND_ERR Register (0x1C)
      16. 10.6.16 Input Multiplexer Register (0x20)
      17. 10.6.17 Channel 4 Source Select Register (0x21)
      18. 10.6.18 PWM Output MUX Register (0x25)
      19. 10.6.19 DRC Control Register (0x46)
      20. 10.6.20 PWM Switching Rate Control Register (0x4F)
      21. 10.6.21 Bank Switch and EQ Control (0x50)
  11. 11Application and Implementation
    1. 11.1 Application Information
    2. 11.2 Typical Applications
      1. 11.2.1 Stereo Stereo Bridge Tied Load Application
        1. 11.2.1.1 Design Requirements
        2. 11.2.1.2 Detailed Design Procedure
          1. 11.2.1.2.1 Component Selection and Hardware Connections
          2. 11.2.1.2.2 I2C Pullup Resistors
          3. 11.2.1.2.3 Digital I/O Connectivity
          4. 11.2.1.2.4 Recommended Start-Up and Shutdown Procedures
            1. 11.2.1.2.4.1 Initialization Sequence
            2. 11.2.1.2.4.2 Normal Operation
            3. 11.2.1.2.4.3 Shutdown Sequence
            4. 11.2.1.2.4.4 Power-Down Sequence
        3. 11.2.1.3 Application Curves
      2. 11.2.2 Mono Parallel Bridge Tied Load Application
        1. 11.2.2.1 Design Requirements
        2. 11.2.2.2 Detailed Design Procedure
        3. 11.2.2.3 Application Curves
  12. 12Power Supply Recommendations
    1. 12.1 DVDD and AVDD Supplies
    2. 12.2 PVDD Power Supply
  13. 13Layout
    1. 13.1 Layout Guidelines
    2. 13.2 Layout Example
  14. 14Device and Documentation Support
    1. 14.1 Device Support
      1. 14.1.1 Development Support
    2. 14.2 Documentation Support
      1. 14.2.1 Related Documentation
    3. 14.3 Receiving Notification of Documentation Updates
    4. 14.4 Community Resources
    5. 14.5 Trademarks
    6. 14.6 Electrostatic Discharge Caution
    7. 14.7 Glossary
  15. 15Mechanical, Packaging, and Orderable Information

封装选项

机械数据 (封装 | 引脚)
散热焊盘机械数据 (封装 | 引脚)
订购信息

Specifications

Absolute Maximum Ratings

over operating free-air temperature range (unless otherwise noted)(1)
MIN MAX UNIT
Supply voltage DVDD, AVDD –0.3 3.6 V
PVDD_x –0.3 30 V
Input voltage 3.3-V digital input –0.5 DVDD + 0.5 V
5-V tolerant(2) digital input (except MCLK) –0.5 DVDD + 2.5(4)
5-V tolerant MCLK input –0.5 AVDD + 2.5(4)
OUT_x to PGND_x 32(3) V
BST_x to PGND_x 43(3) V
Input clamp current, IIK ±20 mA
Output clamp current, IOK ±20 mA
Operating free-air temperature 0 85 °C
Operating junction temperature 0 150 °C
Storage temperature, Tstg –40 125 °C
Stresses beyond those listed under Absolute Maximum Ratings may cause permanent damage to the device. These are stress ratings only and functional operation of the device at these or any other conditions beyond those indicated under Recommended Operating Conditions is not implied. Exposure to absolute-maximum conditions for extended periods may affect device reliability.
5-V tolerant inputs are PDN, RESET, SCLK, LRCLK, MCLK, SDIN, SDA, and SCL.
DC voltage + peak ac waveform measured at the pin should be below the allowed limit for all conditions.
Maximum pin voltage should not exceed 6 V.

ESD Ratings

VALUE UNIT
V(ESD) Electrostatic discharge Human-body model (HBM), per ANSI/ESDA/JEDEC JS-001(1) ±1000 V
Charged-device model (CDM), per JEDEC specification JESD22-C101(2) ±250
JEDEC document JEP155 states that 500-V HBM allows safe manufacturing with a standard ESD control process.
JEDEC document JEP157 states that 250-V CDM allows safe manufacturing with a standard ESD control process.

Recommended Operating Conditions

MIN NOM MAX UNIT
Digital/analog supply voltage DVDD, AVDD 3 3.3 3.6 V
Half-bridge supply voltage PVDD_x (1) 8 26 V
VIH High-level input voltage 5-V tolerant 2 V
VIL Low-level input voltage 5-V tolerant 0.8 V
TA Operating ambient temperature 0 85 °C
TJ(2) Operating junction temperature 0 125 °C
RL (BTL) Load impedance Output filter: L = 15 μH, C = 680 nF 4 8 Ω
RL (PBTL) Load impedance Output filter: L = 15 μH, C = 680 nF 2 4 Ω
LO (BTL) Output-filter inductance Minimum output inductance under short-circuit condition 10 μH
Output sample rate 11.025/22.05/44.1-kHz data rate ±2% 288 kHz
48/24/12/8/16/32-kHz data rate ±2% 384
For operation at PVDD_x levels greater than 18 V, the modulation limit must be set to 93.8% through the control port register 0x10.
Continuous operation above the recommended junction temperature may result in reduced reliability and/or lifetime of the device.

Thermal Information

THERMAL METRIC(1) TAS5727 UNIT
PHP (HTQFP)
48 PINS
RθJA Junction-to-ambient thermal resistance 27.9 °C/W
RθJC(top) Junction-to-case (top) thermal resistance 13 °C/W
RθJB Junction-to-board thermal resistance 1.1 °C/W
ψJT Junction-to-top characterization parameter 20.7 °C/W
ψJB Junction-to-board characterization parameter 0.3 °C/W
RθJC(bot) Junction-to-case (bottom) thermal resistance 6.7 °C/W
For more information about traditional and new thermal metrics, see the Semiconductor and IC Package Thermal Metrics application report.

DC Electrical Characteristics

TA = 25°, PVCC_x = 18 V, DVDD = AVDD = 3.3 V, RL= 8 Ω, BTL AD mode, fS = 48 kHz (unless otherwise noted)
PARAMETER TEST CONDITIONS MIN TYP MAX UNIT
VOH High-level output voltage A_SEL_FAULT and SDA IOH = –4 mA
DVDD = 3 V
2.4 V
VOL Low-level output voltage A_SEL_FAULT and SDA IOL = 4 mA
DVDD = 3 V
0.5 V
IIL Low-level input current VI < VIL ; DVDD = AVDD = 3.6 V
75 μA
IIH High-level input current VI > VIH ; DVDD = AVDD = 3.6 V
75(3) μA
IDD 3.3-V supply current 3.3-V supply voltage (DVDD, AVDD) Normal mode 49 68 mA
Reset (RESET = low, PDN = high) 23 38
IPVDD Supply current No load (PVDD_x) Normal mode 32 50 mA
Reset (RESET = low, PDN = high) 3 8
rDS(on) (2) Drain-to-source resistance, LS TJ = 25°C, includes metallization resistance 75
Drain-to-source resistance, HS TJ = 25°C, includes metallization resistance 75
I/O Protection
Vuvp Undervoltage protection limit PVDD falling 7.2 V
Vuvp,hyst Undervoltage protection limit PVDD rising 7.6 V
OTE(1) Overtemperature error 150 °C
OTEHYST (1) Extra temperature drop required to recover from error 30 °C
IOC Overcurrent limit protection 4.5 A
IOCT Overcurrent response time 150 ns
RPD Internal pulldown resistor at the output of each half-bridge Connected when drivers are in the high-impedance state to provide bootstrap capacitor charge. 3
Specified by design
This does not include bond-wire or pin resistance.
IIH for the PBTL pin has a maximum limit of 200 µA due to an internal pulldown on the pin.

AC Electrical Characteristics (BTL, PBTL)

PVDD_x = 18 V, BTL AD mode, fS = 48 KHz, RL = 8 Ω, ROCP = 22 kΩ, CBST = 33 nF, audio frequency = 1 kHz, AES17 filter,
fPWM = 384 kHz, TA = 25°C (unless otherwise specified). All performance is in accordance with recommended operating conditions (unless otherwise specified).
PARAMETER TEST CONDITIONS MIN TYP MAX UNIT
PO Power output per channel PVDD = 18 V,10% THD, 1-kHz input signal 21.5 W
PVDD = 18 V, 7% THD, 1-kHz input signal 20.3
PVDD = 12 V, 10% THD, 1-kHz input signal 9.6
PVDD = 12 V, 7% THD, 1-kHz input signal 9.1
PVDD = 8 V, 10% THD, 1-kHz input signal 4.2
PVDD = 8 V, 7% THD, 1-kHz input signal 4
PBTL mode, PVDD = 12 V, RL = 4 Ω,
10% THD, 1-kHz input signal
18.7
PBTL mode, PVDD = 12 V, RL = 4 Ω,
7% THD, 1-kHz input signal
17.7
PBTL mode, PVDD = 18 V, RL = 4 Ω,
10% THD, 1-kHz input signal
41.5
PBTL mode, PVDD = 18 V, RL = 4 Ω,
7% THD, 1-kHz input signal
39
THD+N Total harmonic distortion + noise PVDD = 18 V, PO = 1 W 0.07%
PVDD = 12 V, PO = 1 W 0.03%
PVDD = 8 V, PO = 1 W 0.1%
Vn Output integrated noise (rms) A-weighted 56 μV
Crosstalk PO = 0.25 W, f = 1 kHz (BD Mode) –82 dB
PO = 0.25 W, f = 1 kHz (AD Mode) –69 dB
SNR Signal-to-noise ratio(1) A-weighted, f = 1 kHz, maximum power at THD < 1% 106 dB
SNR is calculated relative to 0-dBFS input level.

PLL Input Parameters and External Filter Components

PARAMETER TEST CONDITIONS MIN TYP MAX UNIT
fMCLKI MCLK frequency 2.8224 24.576 MHz
MCLK duty cycle 40% 50% 60%
tr / tf(MCLK) Rise/fall time for MCLK 5 ns
LRCLK allowable drift before LRCLK reset 4 MCLKs
External PLL filter capacitor C1 SMD 0603 X7R 47 nF
External PLL filter capacitor C2 SMD 0603 X7R 4.7 nF
External PLL filter resistor R SMD 0603, metal film 470 Ω

Serial Audio Ports Slave Mode

over recommended operating conditions (unless otherwise noted)
PARAMETER TEST CONDITIONS MIN NOM MAX UNIT
fSCLKIN Frequency, SCLK 32 × fS, 48 × fS, 64 × fS CL = 30 pF 1.024 12.288 MHz
tsu1 Setup time, LRCLK to SCLK rising edge 10 ns
th1 Hold time, LRCLK from SCLK rising edge 10 ns
tsu2 Setup time, SDIN to SCLK rising edge 10 ns
th2 Hold time, SDIN from SCLK rising edge 10 ns
LRCLK frequency 8 48 48 kHz
SCLK duty cycle 40% 50% 60%
LRCLK duty cycle 40% 50% 60%
SCLK rising edges between LRCLK rising edges 32 64 SCLK edges
t(edge) LRCLK clock edge with respect to the falling edge of SCLK –1/4 1/4 SCLK period
tr/tf Rise/fall time for SCLK/LRCLK 8 ns

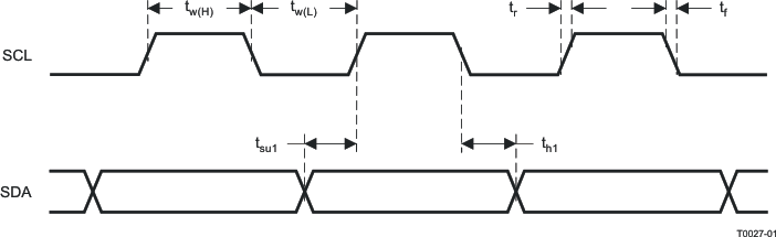
I2C Serial Control Port Operation

Timing characteristics for I2C Interface signals over recommended operating conditions (unless otherwise noted)
PARAMETER TEST CONDITIONS MIN MAX UNIT
fSCL Frequency, SCL No wait states 400 kHz
tw(H) Pulse duration, SCL high 0.6 μs
tw(L) Pulse duration, SCL low 1.3 μs
tr Rise time, SCL and SDA 300 ns
tf Fall time, SCL and SDA 300 ns
tsu1 Setup time, SDA to SCL 100 ns
th1 Hold time, SCL to SDA 0 ns
t(buf) Bus free time between stop and start conditions 1.3 μs
tsu2 Setup time, SCL to start condition 0.6 μs
th2 Hold time, start condition to SCL 0.6 μs
tsu3 Setup time, SCL to stop condition 0.6 μs
CL Load capacitance for each bus line 400 pF

Reset Timing (RESET)

Control signal parameters over recommended operating conditions (unless otherwise noted). Please refer to Recommended Use Model section on usage of all terminals.
PARAMETER MIN NOM MAX UNIT
tw(RESET) Pulse duration, RESET active 100 μs
td(I2C_ready) Time to enable I2C 12 ms
TAS5727 t0026-04_los556.gif Figure 1. Slave-Mode Serial Data-Interface Timing
TAS5727 t0027-01.gif Figure 2. SCL and SDA Timing
TAS5727 t0028-01.gif Figure 3. Start and Stop Conditions Timing
TAS5727 t0421-01_los556.gif

NOTES:

On power up, TI recommends that the TAS5727 RESET be held LOW for at least 100 μs after DVDD has reached 3 V.
If RESET is asserted LOW while PDN is LOW, then RESET must continue to be held LOW for at least 100 μs after PDN is deasserted (HIGH).
Figure 4. Reset Timing

Typical Characteristics

BTL Configuration, 8 Ω
TAS5727 Graph1_THDvFreq12V8R.png Figure 5. Total Harmonic Distortion + Noise vs Frequency
TAS5727 Graph3_THDvFreq24V8R.png Figure 7. Total Harmonic Distortion + Noise vs Frequency
TAS5727 Graph5_THDvPo18V8R.png Figure 9. Total Harmonic Distortion + Noise vs Output Power
TAS5727 Graph7_XtalkvFreq12V8R.png Figure 11. Crosstalk vs Frequency
TAS5727 Graph9_XtalkvFreq24V8R.png Figure 13. Crosstalk vs Frequency
TAS5727 Graph2_THDvFreq18V8R.png Figure 6. Total Harmonic Distortion + Noise vs Frequency
TAS5727 Graph4_THDvPo12V8R.png Figure 8. Total Harmonic Distortion + Noise vs Output Power
TAS5727 Graph6_THDvPo24V8R.png Figure 10. Total Harmonic Distortion + Noise vs Output Power
TAS5727 Graph8_XtalkvFreq18V8R.png Figure 12. Crosstalk vs Frequency
TAS5727 Graph10_EffvPo12V18V24V8R.png
Dashed lines represent thermally limited region.
Figure 14. Efficiency vs Total Output Power