ZHCS930A May 2012 – March 2015 TAS5614LA
PRODUCTION DATA.
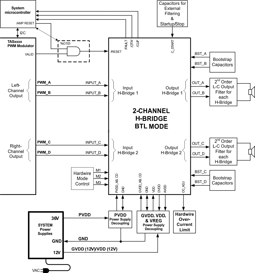
TAS5614LA is a PWM input, audio PWM (class-D) amplifier. The output of the TAS5614LA can be configured for single-ended, BTL (Bridge-Tied Load) or parallel BTL (PBTL) output. It requires two rails for power supply, PVDD and 12 V (GVDD and VDD).
Functional Block Diagrams shows typical connections for BTL outputs. Detailed schematic can be viewed in TAS5614LA EVM user's guide (SLAU375).

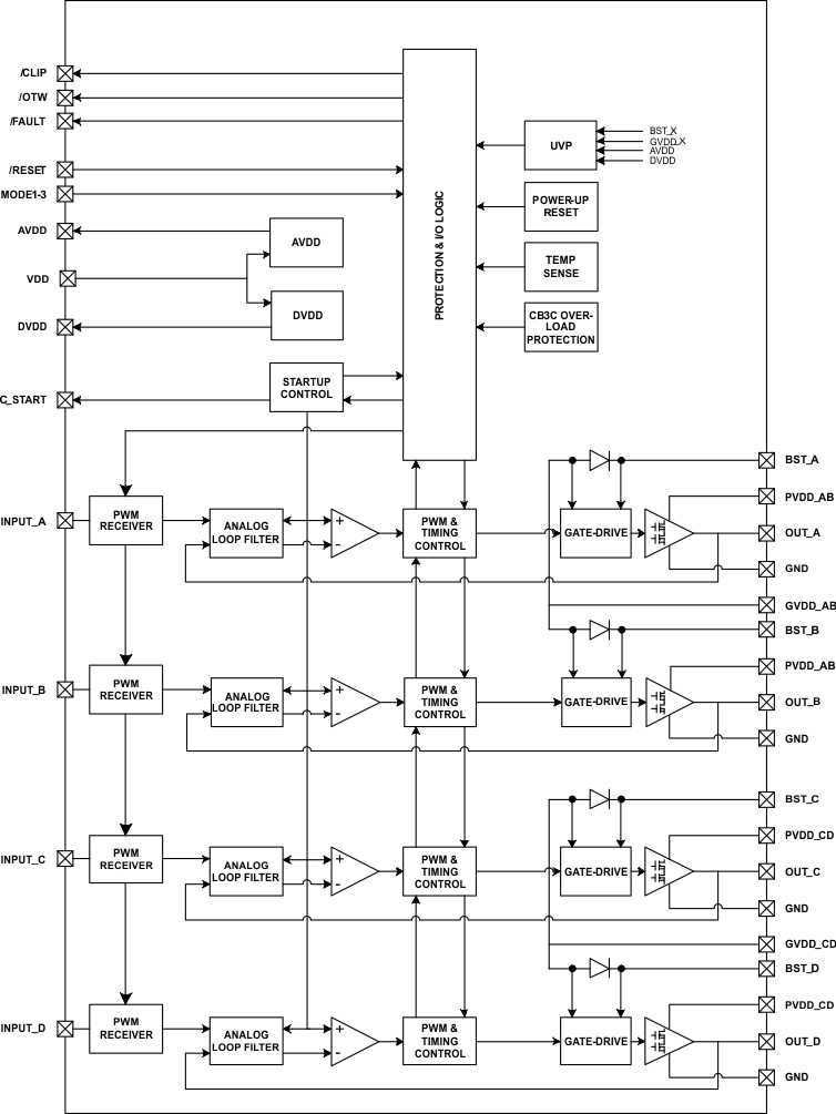
Figure 14. Functional Block Diagram
To facilitate system design, the TAS5614LA needs only a 12-V supply in addition to the (typical) 36-V power-stage supply. An internal voltage regulator provides suitable voltage levels for the digital and low-voltage analog circuitry. Additionally, all circuitry requiring a floating voltage supply, for example, the high-side gate drive, is accommodated by built-in bootstrap circuitry requiring only an external capacitor for each half-bridge.
To provide outstanding electrical and acoustical characteristics, the PWM signal path including gate drive and output stage is designed as identical, independent half-bridges. For this reason, each half-bridge has separate bootstrap pins (BST_X) and each full-bridge has separate power stage supply (PVDD_X) and gate supply (GVDD_X) pins. Furthermore, an additional pin (VDD) is provided as supply for all common circuits. Although supplied from the same 12-V source, it is highly recommended to separate GVDD_AB, GVDD_CD, and VDD on the printed-circuit board (PCB) by RC filters (see application diagram for details). These RC filters provide the recommended high-frequency isolation. Special attention should be paid to placing all decoupling capacitors as close to their associated pins as possible. In general, inductance between the power supply pins and decoupling capacitors must be avoided. (See reference board documentation for additional information.)
Special attention should be paid to the power-stage power supply; this includes component selection, PCB placement, and routing. As indicated, each full-bridge has independent power-stage supply pins (PVDD_X). For optimal electrical performance, EMI compliance, and system reliability, it is important that each PVDD_X connection is decoupled with minimum 2 × 220-nF ceramic capacitors placed as close as possible to each supply pin. TI recommends following the PCB layout of the TAS5614LA reference design. For additional information on recommended power supply and required components, see the application diagrams in this data sheet.
The 12-V supply should be from a low-noise, low-output-impedance voltage regulator. Likewise, the 36-V power-stage supply is assumed to have low output impedance and low noise. The power-supply sequence is not critical as facilitated by the internal power-on-reset circuit. Moreover, the TAS5614LA is fully protected against erroneous power-stage turn on due to parasitic gate charging when power supplies are applied. Thus, voltage-supply ramp rates (dV/dt) are noncritical within the specified range (see Recommended Operating Conditions).
For a properly functioning bootstrap circuit, a small ceramic capacitor must be connected from each bootstrap pin (BST_X) to the power-stage output pin (OUT_X). When the power-stage output is low, the bootstrap capacitor is charged through an internal diode connected between the gate-drive power-supply pin (GVDD_X) and the bootstrap pin. When the power-stage output is high, the bootstrap capacitor potential is shifted above the output potential and thus provides a suitable voltage supply for the high-side gate driver. In an application with PWM switching frequencies in the range from 300 kHz to 400 kHz, TI recommends to use 33-nF ceramic capacitors, size 0603 or 0805, for the bootstrap supply. These 33-nF capacitors ensure sufficient energy storage, even during minimal PWM duty cycles, to keep the high-side power stage FET (LDMOS) fully turned on during the remaining part of the PWM cycle.
The TAS5614LA does not require a power-up sequence. The outputs of the H-bridges remain in a high-impedance state until the gate-drive supply voltage (GVDD_X) and VDD voltage are above the undervoltage protection (UVP) voltage threshold (see Electrical Characteristics). Although not specifically required, TI recommends holding RESET in a low state while powering up the device. This allows an internal circuit to charge the external bootstrap capacitors by enabling a weak pulldown of the half-bridge output.
The TAS5614LA does not require a power-down sequence. The device remains fully operational as long as the gate-drive supply (GVDD_X) voltage and VDD voltage are above the undervoltage protection (UVP) voltage threshold (see Electrical Characteristics). Although not specifically required, it is a good practice to hold RESET low during power down, thus preventing audible artifacts including pops or clicks.
The integrated start-up and stop sequence ensures a click and pop free startup and shutdown sequence of the amplifier. The start-up sequence uses a voltage ramp with a duration set by the CSTART capacitor. The sequence uses the input PWM signals to generate output PWM signals, hence input idle PWM should be present during both startup and shut down ramping sequences.
VDD, GVDD_X, and PVDD_X power supplies must be turned on and with settled outputs before starting
the start-up ramp by setting RESET high.
During start-up and shutdown ramp the input PWM signals should be in muted condition with the PWM processor noise shaper activity turned off (50% duty cycle).
The duration of the start-up and shutdown ramp is 100 ms + X ms, where X is the CSTART capacitor value in nF.
TI recommends using 100-nF CSTART in BTL and PBTL mode and 1 µF in SE mode configuration. This results in ramp times of 200 ms and 1.1 s, respectively. The longer ramp time in SE configuration allows charge and discharge of the output ac coupling capacitor without audible artifacts.
Figure 15. Start-up/Shutdown Ramp
If all available output channels are not used, TI recommends disabling switching of unused output nodes to reduce power consumption. Furthermore by disabling unused output channels the cost of unused output LC demodulation filters can be avoided.
Disabling a channel is done by leave the bootstrap capacitor (BST) unstuffed and connecting the respective input to GND. The unused output pin(s) can be left floating. Please note that the PVDD decoupling capacitors still need to be mounted.
| OPERATING MODE | PWM INPUT | OUTPUT CONFIGURATION | UNUSED CHANNEL | INPUT_A | INPUT_B | INPUT_C | INPUT_D | UNSTUFFED COMPONENT |
|---|---|---|---|---|---|---|---|---|
| 000 | 2N + 1 | 2 x BTL | AB CD |
GND PWMa |
GND PWMb |
PWMc GND |
PWMd GND |
BST_A and BST_B capacitors BST_C and BST_D capacitors |
| 001 | 1N + 1 | |||||||
| 010 | 2N + 1 | |||||||
| 101 | 1N + 1 | 4 x SE | A | GND | PWMb | PWMc | PWMd | BST_A capacitor |
| B | PWMa | GND | PWMc | PWMd | BST_B capacitor | |||
| C | PWMa | PWMb | GND | PWMd | BST_C capacitor | |||
| D | PWMa | PWMb | PWMc | GND | BST_D capacitor |
The TAS5614LA contains advanced protection circuitry carefully designed to facilitate system integration and ease of use, as well as to safeguard the device from permanent failure due to a wide range of fault conditions such as short circuits, overload, overtemperature, and undervoltage. The TAS5614LA responds to a fault by immediately setting the power stage in a high-impedance (Hi-Z) state and asserting the FAULT pin low. In situations other than overload and overtemperature error (OTE), the device automatically recovers when the fault condition has been removed, that is, the supply voltage has increased.
The device will function on errors, as shown in the following table.
| BTL MODE | PBTL MODE | SE MODE | |||
|---|---|---|---|---|---|
| CHANNEL FAULT | TURNS OFF | CHANNEL FAULT | TURNS OFF | CHANNEL FAULT | TURNS OFF |
| A | A+B | A | A+B+C+D | A | A+B |
| B | B | B | |||
| C | C+D | C | C | C+D | |
| D | D | D | |||
Bootstrap UVP does not shutdown according to the table, it shuts down the respective high-side FET.
The PPSC detection system protects the device from permanent damage if a power output pin (OUT_X) is shorted to GND or PVDD_X. For comparison, the OC protection system detects an overcurrent after the demodulation filter where PPSC detects shorts directly at the pin before the filter. PPSC detection is performed at start-up that is, when VDD is supplied, consequently a short to either GND or PVDD_X after system start-up will not activate the PPSC detection system. When PPSC detection is activated by a short on the output, all half-bridges are kept in a Hi-Z state until the short is removed, the device then continues the start-up sequence and starts switching. The detection is controlled globally by a two step sequence. The first step ensures that there are no shorts from OUT_X to GND, the second step tests that there are no shorts from OUT_X to PVDD_X. The total duration of this process is roughly proportional to the capacitance of the output LC filter. The typical duration is <15 ms/μF. While the PPSC detection is in progress, FAULT is kept low, and the device will not react to changes applied to the RESET pins. If no shorts are present the PPSC detection passes, and FAULT is released. A device reset will not start a new PPSC detection. PPSC detection is enabled in BTL and PBTL output configurations, the detection is not performed in SE mode. To prevent to tripping the PPSC detection system TI recommends not inserting resistive load to GND or PVDD_X.
The TAS5614LA has a two-level temperature-protection system that asserts an active-low warning signal (OTW) when the device junction temperature exceeds 125°C (typical). If the device junction temperature exceeds 155°C (typical), the device is put into thermal shutdown, resulting in all half-bridge outputs being set in the high-impedance (Hi-Z) state and FAULT being asserted low. OTE is latched in this case. To clear the OTE latch, RESET must be asserted. Thereafter, the device resumes normal operation.
The overtemperature warning OTW asserts when the junction temperature has exceeded recommended operating temperature. Operation at junction temperatures above OTW threshold is exceeding recommended operation conditions and is strongly advised to avoid.
If OTW asserts, action should be taken to reduce power dissipation to allow junction temperature to decrease until it gets below the OTW hysteresis threshold. This action can be decreasing audio volume or turning on a system cooling fan.
The UVP and POR circuits of the TAS5614LA fully protect the device in any power-up/down and brownout situation. While powering up, the POR circuit resets the overload circuit (OLP) and ensures that all circuits are fully operational when the GVDD_X and VDD supply voltages reach stated in Electrical Characteristics. Although GVDD_X and VDD are independently monitored, a supply voltage drop below the UVP threshold on any VDD or GVDD_X pin results in all half-bridge outputs immediately being set in the high-impedance (Hi-Z) state and FAULT being asserted low. The device automatically resumes operation when all supply voltages have increased above the UVP threshold.
Note that asserting RESET low forces the FAULT signal high, independent of faults being present. TI recommends monitoring the OTW signal using the system micro controller and responding to an overtemperature warning signal by, for example, turning down the volume to prevent further heating of the device resulting in device shutdown (OTE).
To reduce external component count, an internal pullup resistor to 3.3 V is provided on both FAULT and OTW outputs.
The FAULT, OTW, pins are active-low, open-drain outputs. Their function is for protection-mode signaling to a PWM controller or other system-control device.
Any fault resulting in device shutdown is signaled by the FAULT pin going low. Likewise, OTW goes low when the device junction temperature exceeds 125°C (see the following table).
| FAULT | OTW | DESCRIPTION |
|---|---|---|
| 0 | 0 | Overtemperature (OTE) or overload (OLP) or undervoltage (UVP) |
| 0 | 1 | Overload (OLP) or undervoltage (UVP) |
| 1 | 0 | Junction temperature higher than 125°C (overtemperature warning) |
| 1 | 1 | Junction temperature lower than 125°C and no OLP or UVP faults (normal operation) |
If a fault situation occurs while in operation, the device will act accordingly to the fault being a global or a channel fault. A global fault is a chip-wide fault situation and will cause all PWM activity of the device to be shut down, and will assert FAULT low. A global fault is a latching fault and clearing FAULT and restart operation requires resetting the device by toggling RESET. Toggling RESET should never be allowed with excessive system temperature, so it is advised to monitor RESET by a system microcontroller and only allow releasing RESET (RESET high) if the OTW signal is cleared (high). A channel fault will result in shutdown of the PWM activity of the affected channel(s). Note that asserting RESET low forces the FAULT signal high, independent of faults being present. TI recommends monitoring the OTW signal using the system micro controller and responding to an over temperature warning signal by, for example, turning down the volume to prevent further heating of the device resulting in device shutdown (OTE).
| FAULT or EVENT | FAULT or EVENT DESCRIPTION |
GLOBAL or CHANNEL |
REPORTING METHOD | LATCHED or SELF CLEARING | ACTION NEEDED TO CLEAR | OUTPUT FETs |
|---|---|---|---|---|---|---|
| PVDD_X UVP | Voltage Fault | Global | FAULT Pin | Self Clearing | Increase affected supply voltage | Hi-Z |
| VDD UVP | ||||||
| GVDD_X UVP | ||||||
| AVDD UVP | ||||||
| POR (DVDD UVP) | Power On Reset | Global | FAULT Pin | Self Clearing | Allow DVDD to rise | H-Z |
| BST UVP | Voltage Fault | Channel (half bridge) | None | Self Clearing | Allow BST cap to recharge (low side on, VDD 12 V) |
High Side Off |
| OTW | Thermal Warning | Global | OTW Pin | Self Clearing | Cool below lower OTW threshold | Normal operation |
| OTE (OTSD) | Thermal Shutdown | Global | FAULT Pin | Latched | Toggle RESET | Hi-Z |
| OLP (CBC >2.6 ms) | OC shutdown | Channel | FAULT Pin | Latched | Toggle RESET | Hi-Z |
| Latched OC (ROC > 47k) | OC shutdown | Channel | FAULT Pin | Latched | Toggle RESET | Hi-Z |
| CBC (24k < ROC < 33k) | OC Limiting | Channel | None | Self Clearing | reduce signal level or remove short | Flip state, cycle by cycle at fs/2 |
| Stuck at Fault(1) (1 to 3 channels) | No PWM | Channel | None | Self Clearing | resume PWM | Hi-Z |
| Stuck at Fault(1) (All channels) | No PWM | Global | None | Self Clearing | resume PWM | Hi-Z |
When RESET is asserted low, all power-stage FETs in the four half-bridges are forced into a high-impedance (Hi-Z) state.
In BTL modes, to accommodate bootstrap charging prior to switching start, asserting the reset input low enables weak pulldown of the half-bridge outputs. In the SE mode, the output is forced into a high impedance state when asserting the reset input low. Asserting reset input low removes any fault information to be signaled on the FAULT output, that is, FAULT is forced high. A rising-edge transition on reset input allows the device to resume operation after an overload fault. To ensure thermal reliability, the rising edge of RESET must occur no sooner than 4 ms after the falling edge of FAULT.
There are three main output modes that the user can configure the device as per application requirement. In addition there are two PWM modulation modes, AD and BD.
AD modulation can have single-ended (SE) or differential analog inputs. AD modulation can also be configured to have SE, BTL, BTL+SE, or PBTL outputs. BD modulation requires differential analog inputs.
BD modulation can only be configured in BTL or PTBL mode.
| MODE PINS | PWM INPUT(1) | OUTPUT CONFIGURATION | INPUT A | INPUT B | INPUT C | INPUT D | MODE | ||
|---|---|---|---|---|---|---|---|---|---|
| M3 | M2 | M1 | |||||||
| 0 | 0 | 0 | 2N + 1 | 2 x BTL | PWMa | PWMb | PWMc | PWMd | AD mode |
| 0 | 0 | 1 | 1N + 1(2) | 2 x BTL | PWMa | Unused | PWMc | Unused | AD mode |
| 0 | 1 | 0 | 2N + 1 | 2 x BTL | PWMa | PWMb | PWMc | PWMd | BD mode |
| 0 | 1 | 1 | 1N + 1(2) | 1 x BTL + 2 x SE | PWMa | Unused | PWMc | PWMd | AD mode |
| 1 | 0 | 0 | 2N + 1 | 1 x PBTL | PWMa | PWMb | 0 | 0 | AD mode |
| 1 | 0 | 0 | 1N + 1(2) | 1 x PBTL | PWMa | Unused | 0 | 1 | AD mode |
| 1 | 0 | 0 | 2N + 1 | 1 x PBTL | PWMa | PWMb | 1 | 0 | BD mode |
| 1 | 0 | 1 | 1N + 1 | 4 x SE(3) | PWMa | PWMb | PWMc | PWMd | AD mode |