ZHCS202E April   2011  – March 2015 SN75DP130

PRODUCTION DATA.  

  1. 特性
  2. 应用范围
  3. 说明
  4. 修订历史记录
  5. 说明(续)
  6. Pin Configuration and Functions
  7. Specifications
    1. 7.1 Absolute Maximum Ratings
    2. 7.2 ESD Ratings
    3. 7.3 Recommended Operating Conditions
    4. 7.4 Thermal Information
    5. 7.5 Power Dissipation
    6. 7.6 Electrical Characteristics
    7. 7.7 Switching Characteristics
    8. 7.8 Typical Characteristics
  8. Parameter Measurement Information
  9. Detailed Description
    1. 9.1 Overview
    2. 9.2 Functional Block Diagram
    3. 9.3 Feature Description
      1. 9.3.1 Reset Signal
      2. 9.3.2 Hot Plug Detect and Cable Adapter Detect
      3. 9.3.3 AUX and DDC Configuration
      4. 9.3.4 Main Link Configuration
      5. 9.3.5 Link Training and DPCD
      6. 9.3.6 Equalization
      7. 9.3.7 Configurable Outputs
      8. 9.3.8 Squelch
    4. 9.4 Device Functional Modes
    5. 9.5 Programming
      1. 9.5.1 I2C Interface Overview
    6. 9.6 Register Maps
      1. 9.6.1 SN75DP130 Local I2C Control and Status Registers
  10. 10Application and Implementation
    1. 10.1 Application Information
    2. 10.2 Typical Application
      1. 10.2.1 Design Requirements
      2. 10.2.2 Detailed Design Procedure
        1. 10.2.2.1 Logic I2C Interface
        2. 10.2.2.2 CAD Sink Over Ride
        3. 10.2.2.3 HPD Sink Over Ride
      3. 10.2.3 Application Curves
  11. 11Power Supply Recommendations
    1. 11.1 SN75DP130 Power Sequencing
      1. 11.1.1 Power-Up Sequence:
      2. 11.1.2 Power-Down Sequence:
  12. 12Layout
    1. 12.1 Layout Guidelines
      1. 12.1.1 Layer Stack
      2. 12.1.2 Differential Traces
    2. 12.2 Layout Example
  13. 13器件和文档支持
    1. 13.1 商标
    2. 13.2 静电放电警告
    3. 13.3 术语表
  14. 14机械封装和可订购信息

封装选项

机械数据 (封装 | 引脚)
散热焊盘机械数据 (封装 | 引脚)
订购信息

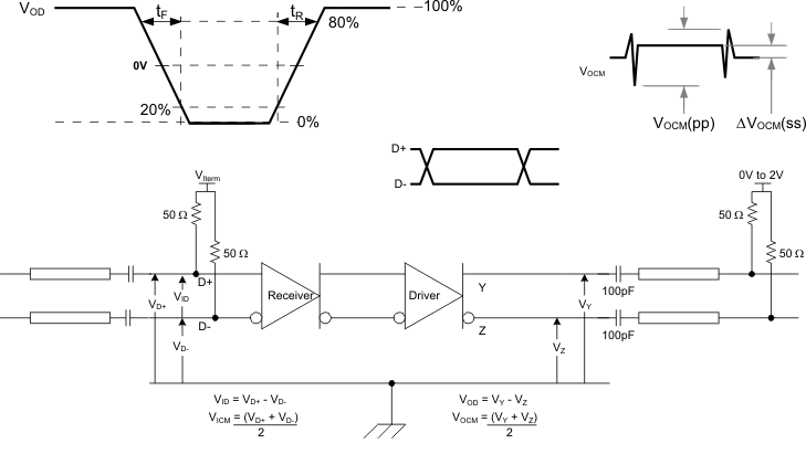
8 Parameter Measurement Information

SN75DP130 tst_cir_llse57.gifFigure 10. Main Link Test Circuit
SN75DP130 skew_llse57.gifFigure 11. Main Link Skew Measurements
SN75DP130 HPD_test_llse57.gifFigure 12. HPD Test Circuit
SN75DP130 AUX_skew_llse57.gifFigure 13. AUX Skew Measurement
SN75DP130 AUX_delay_llse57.gifFigure 14. AUX Delay Measurement