ZHCSUQ6W January   1993  – December 2024 SN54LVC74A , SN74LVC74A

PRODUCTION DATA  

  1.   1
  2. 特性
  3. 应用
  4. 说明
  5. 引脚配置和功能
  6. 规格
    1. 5.1  绝对最大额定值
    2. 5.2  ESD 等级
    3. 5.3  建议运行条件
    4. 5.4  热性能信息:SN74LVC74A
    5. 5.5  电气特性
    6. 5.6  时序要求:SN54LVC74A
    7. 5.7  时序要求:SN74LVC74A
    8. 5.8  时序要求:SN74LVC74A,–40°C 至 125°C 以及 –40°C 至 85°C
    9. 5.9  开关特性:SN54LVC74A
    10. 5.10 开关特性:SN74LVC74A
    11. 5.11 开关特性:SN74LVC74A,–40°C 至 125°C 以及 –40°C 至 85°C
    12. 5.12 工作特性
    13. 5.13 典型特性
  7. 参数测量信息
  8. 详细说明
    1. 7.1 概述
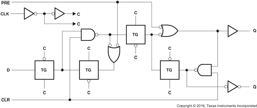
    2. 7.2 功能方框图
    3. 7.3 特性说明
    4. 7.4 器件功能模式
  9. 应用和实施
    1. 8.1 应用信息
    2. 8.2 典型应用
      1. 8.2.1 设计要求
      2. 8.2.2 详细设计过程
      3. 8.2.3 应用曲线
    3. 8.3 电源相关建议
    4. 8.4 布局
      1. 8.4.1 布局指南
      2. 8.4.2 布局示例
  10. 器件和文档支持
    1. 9.1 文档支持
      1. 9.1.1 相关文档
    2. 9.2 接收文档更新通知
    3. 9.3 支持资源
    4. 9.4 商标
    5. 9.5 静电放电警告
    6. 9.6 术语表
  11. 10修订历史记录
  12. 11机械、封装和可订购信息

封装选项

请参考 PDF 数据表获取器件具体的封装图。

机械数据 (封装 | 引脚)
  • D|14
  • RGY|14
  • DB|14
  • PW|14
  • BQA|14
  • NS|14
散热焊盘机械数据 (封装 | 引脚)
订购信息

说明

SNx4LVC74A 器件在一个器件中便捷地集成了两个正边沿触发式 D 型触发器。

SN54LVC74A 可在 2.7V 至 3.6V VCC 下运行,SN74LVC74A 可在 1.65V 至 3.6V VCC 下运行。

器件信息
器件型号 封装 (1) 封装尺寸(2) 本体尺寸(3)
SNx4LVC74A BQA(WQFN,14) 3mm × 2.5mm 3mm × 2.5mm
D(SOIC,14) 8.65mm x 6mm 8.65mm × 3.91mm
DB(SSOP,14) 6.2mm x 7.8mm 6.20mm × 5.30mm
NS(SOP,14) 10.2mm x 7.8mm 10.20mm × 5.30mm
PW(TSSOP,14) 5mm x 6.4mm 5.00mm × 4.40mm
RGY(VQFN,14) 3.50mm × 3.50mm 3.50mm × 3.50mm
J(CDIP,14) 19.55mm x 7.9mm 19.56mm × 6.67mm
W(CFP,14) 9.21mm x 9 mm 9.21mm × 5.97mm
FK(LCCC,20) 8.9mm x 8.9mm 8.89mm × 8.89mm
如需了解更多信息,请参阅机械、封装和可订购信息
封装尺寸(长 × 宽)为标称值,并包括引脚(如适用)。
本体尺寸(长 x 宽)为标称值,不包括引脚。
SN54LVC74A SN74LVC74A 展示各触发器的逻辑图(正逻辑)展示各触发器的逻辑图(正逻辑)