ZHCSR29N December   2003  – June 2024 SN74LVC2T45

PRODUCTION DATA  

  1.   1
  2. 特性
  3. 应用
  4. 说明
  5. 引脚配置和功能
  6. 规格
    1. 5.1  绝对最大额定值
    2. 5.2  ESD 等级
    3. 5.3  建议运行条件
    4. 5.4  热性能信息
    5. 5.5  电气特性
    6. 5.6  开关特性:VCCA = 1.8V ± 0.15V
    7. 5.7  开关特性:VCCA = 2.5V ± 0.2V
    8. 5.8  开关特性:VCCA = 3.3V ± 0.3V
    9. 5.9  开关特性:VCCA = 5V ± 0.5V
    10. 5.10 工作特性
    11. 5.11 典型特性
  7. 参数测量信息
  8. 详细说明
    1. 7.1 概述
    2. 7.2 功能方框图
    3. 7.3 特性说明
      1. 7.3.1 完全可配置的双轨设计,支持各个端口在 1.65V 至 5.5V 的整个电源电压范围内运行
      2. 7.3.2 支持高速转换
      3. 7.3.3 Ioff 支持局部省电模式运行
      4. 7.3.4 平衡型高驱动 CMOS 推挽式输出
      5. 7.3.5 无干扰电源时序
      6. 7.3.6 Vcc 隔离
    4. 7.4 器件功能模式
  9. 应用和实施
    1. 8.1 应用信息
    2. 8.2 典型应用
      1. 8.2.1 单向逻辑电平转换应用
        1. 8.2.1.1 设计要求
        2. 8.2.1.2 详细设计过程
        3. 8.2.1.3 应用曲线
      2. 8.2.2 双向逻辑电平转换应用
        1. 8.2.2.1 设计要求
        2. 8.2.2.2 详细设计过程
          1. 8.2.2.2.1 启用时间
        3. 8.2.2.3 应用曲线
    3.     42
    4. 8.3 电源相关建议
      1. 8.3.1 上电注意事项
    5. 8.4 布局
      1. 8.4.1 布局指南
      2. 8.4.2 布局示例
  10. 器件和文档支持
    1. 9.1 文档支持
      1. 9.1.1 相关文档
    2. 9.2 接收文档更新通知
    3. 9.3 支持资源
    4. 9.4 商标
    5. 9.5 静电放电警告
    6. 9.6 术语表
  11. 10修订历史记录
  12. 11机械、封装和可订购信息

封装选项

请参考 PDF 数据表获取器件具体的封装图。

机械数据 (封装 | 引脚)
  • DCU|8
  • YZP|8
  • DCT|8
散热焊盘机械数据 (封装 | 引脚)
订购信息

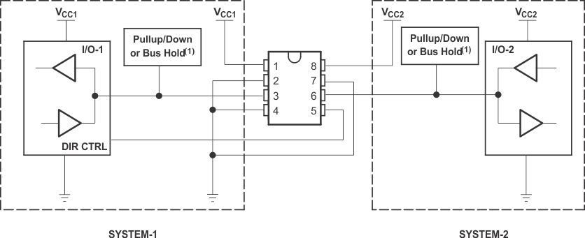
双向逻辑电平转换应用

图 8-2 显示了 SN74LVC2T45 用于双向逻辑电平转换应用。由于 SN74LVC2T45 没有输出使能 (OE) 引脚,因此系统设计人员在改变方向时应采取预防措施,避免 SYSTEM-1 和 SYSTEM-2 之间发生总线争用。

SN74LVC2T45 双向逻辑电平转换应用图 8-2 双向逻辑电平转换应用