SCES414P November   2002  – November 2016 SN74LVC1G57

PRODUCTION DATA.  

  1. Features
  2. Applications
  3. Description
  4. Revision History
  5. Pin Configuration and Functions
  6. Specifications
    1. 6.1 Absolute Maximum Ratings
    2. 6.2 ESD Ratings
    3. 6.3 Recommended Operating Conditions
    4. 6.4 Thermal Information
    5. 6.5 Electrical Characteristics
    6. 6.6 Switching Characteristics
    7. 6.7 Typical Characteristics
  7. Parameter Measurement Information
  8. Detailed Description
    1. 8.1 Overview
    2. 8.2 Functional Block Diagram
    3. 8.3 Feature Description
      1. 8.3.1 Schmitt-Trigger Inputs
      2. 8.3.2 Inputs Accept Voltages to 5.5 V
    4. 8.4 Device Functional Modes
  9. Application and Implementation
    1. 9.1 Application Information
    2. 9.2 Typical Application
      1. 9.2.1 Design Requirements
        1. 9.2.1.1 Application Truth Table
        2. 9.2.1.2 Schmitt-Trigger Inputs
      2. 9.2.2 Detailed Design Procedure
      3. 9.2.3 Application Curves
  10. 10Power Supply Recommendations
  11. 11Layout
    1. 11.1 Layout Guidelines
    2. 11.2 Layout Example
  12. 12Device and Documentation Support
    1. 12.1 Documentation Support
      1. 12.1.1 Related Documentation
    2. 12.2 Receiving Notification of Documentation Updates
    3. 12.3 Community Resources
    4. 12.4 Trademarks
    5. 12.5 Electrostatic Discharge Caution
    6. 12.6 Glossary
  13. 13Mechanical, Packaging, and Orderable Information

封装选项

机械数据 (封装 | 引脚)
散热焊盘机械数据 (封装 | 引脚)
订购信息

Detailed Description

Overview

The SN74LVC1G57 device features configurable multiple functions. The output state is determined by eight patterns of 3-bit input. The user can choose the logic functions AND, OR, NAND, NOR, XNOR, inverter, and buffer. All inputs can be connected to VCC or GND.

The CMOS device has high output drive while maintaining low static power dissipation over a broad VCC operating range.

This configurable multiple-function gate is designed for 1.65-V to 5.5-V VCC operation.

Functional Block Diagram

SN74LVC1G57 ld_ces414.gif

Feature Description

Schmitt-Trigger Inputs

Schmitt-trigger inputs are designed to provide a minimum separation between positive and negative switching thresholds. This allows for noisy or slow inputs that would cause problems such as oscillation or excessive current draw with normal CMOS inputs

Inputs Accept Voltages to 5.5 V

The SN74LVC1G57 is a configurable multiple-function gate is designed for 1.65-V to 5.5-V VCC operation. Inputs are over-voltage tolerant up to 5.5 V. This feature allows the use of this device as a translator in a mixed 1.8-V, 3.3-V, and 5-V system environment.

Device Functional Modes

Table 1 lists the functional modes of the SN74LVC1G57 and Table 2 lists the logic configuration images.

Table 1. Function Table

INPUTS OUTPUT
In2 In1 In0 Y
L L L H
L L H L
L H L H
L H H L
H L L L
H L H L
H H L H
H H H H

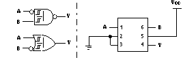
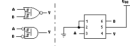
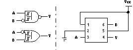
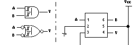
Table 2. Logic Configurations

LOGIC FUNCTION FIGURE NO.
2-Input AND Figure 4
2-Input AND with both inputs inverted Figure 7
2-Input NAND with inverted input Figure 5 and Figure 6
2-Input OR with inverted input Figure 5 and Figure 6
2-Input NOR Figure 7
2-Input NOR with both inputs inverted Figure 4
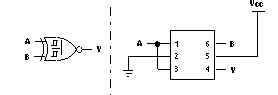
2-Input XNOR Figure 8
SN74LVC1G57 lc1_ces414.gif Figure 4. 2-Input AND Gate
SN74LVC1G57 lc3_ces414.gif Figure 6. 2-Input NAND Gate With Inverted B Input
SN74LVC1G57 lc2_ces414.gif Figure 5. 2-Input NAND Gate With Inverted A Input
SN74LVC1G57 lc4_ces414.gif Figure 7. 2-Input NOR Gate
SN74LVC1G57 lc5_ces414.gif Figure 8. 2-Input XNOR Gate