ZHCSPT8H November 1988 – February 2025 SN74HCT273
PRODUCTION DATA
请参考 PDF 数据表获取器件具体的封装图。
任意选择波形之间的相位关系。所有输入脉冲均由具有以下特性的发生器提供:PRR ≤ 1MHz,ZO = 50Ω,tt < 6。
对于时钟输入,fmax 是在输入占空比为 50% 时测量的。
一次测量一个输出,每次测量一个输入转换。

图 6-2 电压波形,TTL 兼容型 CMOS 输入脉冲持续时间
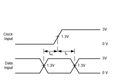
图 6-3 电压波形,TTL 兼容型 CMOS 输入建立和保持时间