ZHCSPT8H November   1988  – February 2025 SN74HCT273

PRODUCTION DATA  

  1.   1
  2. 特性
  3. 应用
  4. 说明
  5. 引脚配置和功能
  6. 规格
    1. 5.1 绝对最大额定值
    2. 5.2 建议的运行条件
    3. 5.3 热性能信息
    4. 5.4 电气特性
    5. 5.5 时序要求
    6. 5.6 开关特性 SN54HCT273
    7. 5.7 开关特性 SN74HCT273
    8. 5.8 工作特性
  7. 参数测量信息
  8. 详细说明
    1. 7.1 概述
    2. 7.2 功能方框图
    3. 7.3 器件功能模式
  9. 应用和实施
    1. 8.1 电源相关建议
    2. 8.2 布局
      1. 8.2.1 布局指南
  10. 器件和文档支持
    1. 9.1 接收文档更新通知
    2. 9.2 支持资源
    3. 9.3 商标
    4. 9.4 静电放电警告
    5. 9.5 术语表
  11. 10修订历史记录
  12. 11机械、封装和可订购信息

封装选项

请参考 PDF 数据表获取器件具体的封装图。

机械数据 (封装 | 引脚)
  • DB|20
  • NS|20
  • N|20
  • DW|20
  • PW|20
散热焊盘机械数据 (封装 | 引脚)
订购信息

说明

这些器件是具有常见使能输入的正边沿触发式 D 型触发器。’HCT273 器件与 ’HCT377 器件类似,但具有常见的清零使能 (CLR) 输入,而不是锁存时钟。

器件信息
器件型号 封装(1) 封装尺寸(2) 本体尺寸(3)
SNx4HCT273 DB(SSOP,20) 7.2mm × 7.8mm 7.2mm × 5.3mm
DW(SOIC,20) 12.80mm × 10.3mm 12.8mm × 7.5mm
N(PDIP,20) 24.33mm x 9.4mm 24.33mm × 6.35mm
NS(SOP,20) 12.6mm × 7.8mm 12.6mm × 5.3mm
PW(TSSOP,20) 6.5mm × 6.4mm 6.5mm × 4.4mm
如需了解更多信息,请参阅机械、封装和可订购信息
封装尺寸(长 × 宽)为标称值,并包括引脚(如适用)。
本体尺寸(长 × 宽)为标称值,不包括引脚。
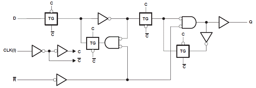
SN74HCT273 逻辑图(正逻辑)逻辑图(正逻辑)
SN74HCT273 展示各触发器的逻辑图(正逻辑)展示各触发器的逻辑图(正逻辑)