ZHCSPU6I December   1982  – September 2024 SN54HC112 , SN74HC112

PRODUCTION DATA  

  1.   1
  2. 特性
  3. 应用
  4. 说明
  5. 引脚配置和功能
  6. 规格
    1. 5.1 绝对最大额定值
    2. 5.2 建议的工作条件 #GUID-2EBD0632-9121-4D73-88A3-4D53587EF83D/GUID-D459A9EC-CCFD-4DD4-8D23-57A07F876135
    3. 5.3 热性能信息
    4. 5.4 电气特性
    5. 5.5 时序要求
    6. 5.6 开关特性
    7. 5.7 工作特性
  7. 参数测量信息
  8. 详细说明
    1. 7.1 概述
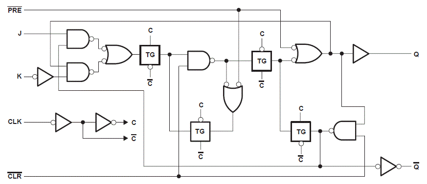
    2. 7.2 功能方框图
    3. 7.3 器件功能模式
  9. 应用和实施
    1. 8.1 电源相关建议
    2. 8.2 布局
      1. 8.2.1 布局指南
  10. 器件和文档支持
    1. 9.1 接收文档更新通知
    2. 9.2 支持资源
    3. 9.3 商标
    4. 9.4 静电放电警告
    5. 9.5 术语表
  11. 10修订历史记录
  12. 11机械、封装和可订购信息

封装选项

请参考 PDF 数据表获取器件具体的封装图。

机械数据 (封装 | 引脚)
  • N|16
  • D|16
散热焊盘机械数据 (封装 | 引脚)
订购信息

功能方框图

SN54HC112 SN74HC112