SLLS804D March   2009  – August 2016 SN65HVDA540-5-Q1 , SN65HVDA540-Q1 , SN65HVDA541-5-Q1 , SN65HVDA541-Q1 , SN65HVDA542-5-Q1 , SN65HVDA542-Q1

PRODUCTION DATA.  

  1. Features
  2. Applications
  3. Description
  4. Revision History
  5. Pin Configuration and Functions
  6. Specifications
    1. 6.1 Absolute Maximum Ratings
    2. 6.2 ESD Ratings
    3. 6.3 Recommended Operating Conditions
    4. 6.4 Thermal Information
    5. 6.5 Electrical Characteristics
    6. 6.6 Power Dissipation Ratings
    7. 6.7 Typical Characteristics
  7. Parameter Measurement Information
  8. Detailed Description
    1. 8.1 Overview
    2. 8.2 Functional Block Diagrams
    3. 8.3 Feature Description
      1. 8.3.1 Digital Inputs and Outputs
      2. 8.3.2 TXD Dominant State Time Out
      3. 8.3.3 Thermal Shutdown
      4. 8.3.4 Undervoltage Lockout and Unpowered Device
      5. 8.3.5 Floating Pins
      6. 8.3.6 CAN Bus Short-Circuit Current Limiting
    4. 8.4 Device Functional Modes
      1. 8.4.1 Bus States by Mode
      2. 8.4.2 Normal Mode
      3. 8.4.3 Standby Mode (HVDA540)
      4. 8.4.4 Standby Mode With RXD Wake Up-Request (HVDA541)
        1. 8.4.4.1 RXD Wake Up Request Lock Out for Bus Stuck Dominant Fault (HVDA541)
      5. 8.4.5 Silent (Receive Only) Mode (HVDA542)
      6. 8.4.6 Driver and Receiver Function Tables
  9. Application and Implementation
    1. 9.1 Application Information
    2. 9.2 Typical Applications
      1. 9.2.1 3.3-V I/O Voltage Level and Normal Mode
        1. 9.2.1.1 Design Requirements
        2. 9.2.1.2 Detailed Design Procedure
          1. 9.2.1.2.1 Loop Propagation Delay
        3. 9.2.1.3 Application Curves
    3. 9.3 System Examples
  10. 10Power Supply Recommendations
  11. 11Layout
    1. 11.1 Layout Guidelines
    2. 11.2 Layout Examples
  12. 12Device and Documentation Support
    1. 12.1 Documentation Support
      1. 12.1.1 Related Documentation
    2. 12.2 Related Links
    3. 12.3 Receiving Notification of Documentation Updates
    4. 12.4 Community Resources
    5. 12.5 Trademarks
    6. 12.6 Electrostatic Discharge Caution
    7. 12.7 Glossary
  13. 13Mechanical, Packaging, and Orderable Information

封装选项

机械数据 (封装 | 引脚)
散热焊盘机械数据 (封装 | 引脚)
订购信息

7 Parameter Measurement Information

SN65HVDA540-Q1 SN65HVDA541-Q1 SN65HVDA542-Q1 SN65HVDA540-5-Q1 SN65HVDA541-5-Q1 SN65HVDA542-5-Q1 dvr_tst_lls753.gif Figure 2. Driver Voltage, Current, and Test Definition
SN65HVDA540-Q1 SN65HVDA541-Q1 SN65HVDA542-Q1 SN65HVDA540-5-Q1 SN65HVDA541-5-Q1 SN65HVDA542-5-Q1 vod_tst_lls753.gif Figure 3. Driver VOD Test Circuit
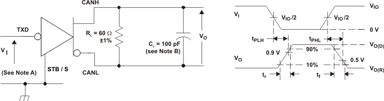
SN65HVDA540-Q1 SN65HVDA541-Q1 SN65HVDA542-Q1 SN65HVDA540-5-Q1 SN65HVDA541-5-Q1 SN65HVDA542-5-Q1 drv_tst_wf_lls804.gif
A. The input pulse is supplied by a generator having the following characteristics: PRR ≤ 125 kHz, 50% duty cycle, tr ≤ 6 ns, tf ≤ 6 ns, ZO = 50 Ω.
B. CL includes instrumentation and fixture capacitance within ±20%.
C. For HVDA54x-5 device versions, VIO = VCC.
Figure 4. Driver Test Circuit and Voltage Waveforms
SN65HVDA540-Q1 SN65HVDA541-Q1 SN65HVDA542-Q1 SN65HVDA540-5-Q1 SN65HVDA541-5-Q1 SN65HVDA542-5-Q1 rx_v_cd_lls753.gif Figure 5. Receiver Voltage and Current Definitions
SN65HVDA540-Q1 SN65HVDA541-Q1 SN65HVDA542-Q1 SN65HVDA540-5-Q1 SN65HVDA541-5-Q1 SN65HVDA542-5-Q1 rx_tst_wf_lls804.gif
A. The input pulse is supplied by a generator having the following characteristics: PRR ≤ 125 kHz, 50% duty cycle, tr ≤ 6 ns, tf ≤ 6 ns, ZO = 50 Ω.
B. CL includes instrumentation and fixture capacitance within ±20%.
C. C. For HVDA54x-5 device versions VIO = VCC.
Figure 6. Receiver Test Circuit and Voltage Waveforms

Table 1. Differential Input Voltage Threshold Test

INPUT OUTPUT
VCANH VCANL |VID| R
–11.1 V –12 V 900 mV L VOL
12 V 11.1 V 900 mV L
–6 V –12 V 6 V L
12 V 6 V 6 V L
–11.5 V –12 V 500 mV H VOH
12 V 11.5 V 500 mV H
–12 V –6 V 6 V H
6 V 12 V 6 V H
Open Open X H
SN65HVDA540-Q1 SN65HVDA541-Q1 SN65HVDA542-Q1 SN65HVDA540-5-Q1 SN65HVDA541-5-Q1 SN65HVDA542-5-Q1 ten_tc_wf_lls804.gif
A. CL = 100 pF includes instrumentation and fixture capacitance within ±20%.
B. All VI input pulses are from 0 V to VIO and supplied by a generator having the following characteristics: tr or tf ≤ 6 ns. Pulse Repetition Rate (PRR) = 25 kHz, 50% duty cycle.
C. C. For HVDA54x-5 device versions VIO = VCC.
Figure 7. tEN Test Circuit and Waveforms
SN65HVDA540-Q1 SN65HVDA541-Q1 SN65HVDA542-Q1 SN65HVDA540-5-Q1 SN65HVDA541-5-Q1 SN65HVDA542-5-Q1 comonmode_lls753.gif
A. All VI input pulses are from 0 V to VIO and supplied by a generator having the following characteristics: tr or tf ≤ 6 ns. Pulse Repetition Rate (PRR) = 125 kHz, 50% duty cycle.
Figure 8. Common-Mode Output Voltage Test and Waveforms
SN65HVDA540-Q1 SN65HVDA541-Q1 SN65HVDA542-Q1 SN65HVDA540-5-Q1 SN65HVDA541-5-Q1 SN65HVDA542-5-Q1 tloop_tc_wf_lls804.gif
A. CL = 100 pF includes instrumentation and fixture capacitance within ±20%.
B. All VI input pulses are from 0 V to VIO and supplied by a generator having the following characteristics: tr or tf ≤ 6 ns. Pulse Repetition Rate (PRR) = 125 kHz, 50% duty cycle.
C. For HVDA54x-5 device versions, VIO = VCC.
Figure 9. tPROP(LOOP) Test Circuit and Waveform
SN65HVDA540-Q1 SN65HVDA541-Q1 SN65HVDA542-Q1 SN65HVDA540-5-Q1 SN65HVDA541-5-Q1 SN65HVDA542-5-Q1 tm_out_wf_lls804.gif
A. CL = 100 pF includes instrumentation and fixture capacitance within ±20%.
B. All VI input pulses are from 0 V to VIO and supplied by a generator having the following characteristics: tr or tf ≤ 6 ns. Pulse Repetition Rate (PRR) = 500 Hz, 50% duty cycle.
C. For HVDA54x-5 device versions, VIO = VCC.
Figure 10. TXD Dominant Time Out Test Circuit and Waveforms
SN65HVDA540-Q1 SN65HVDA541-Q1 SN65HVDA542-Q1 SN65HVDA540-5-Q1 SN65HVDA541-5-Q1 SN65HVDA542-5-Q1 drv_sc_wf_lls804.gif
A. For HVDA54x-5 device versions VIO = VCC.
Figure 11. Driver Short-Circuit Current Test and Waveforms
SN65HVDA540-Q1 SN65HVDA541-Q1 SN65HVDA542-Q1 SN65HVDA540-5-Q1 SN65HVDA541-5-Q1 SN65HVDA542-5-Q1 driver_out_sym.gif
A. All VI input pulses are from 0 V to VIO and supplied by a generator having the following characteristics: tr/tf ≤ 6 ns, Pulse Repetition Rate (PRR) = 250 kHz, 50% duty cycle.
Figure 12. Driver Output Symmetry Test Circuit