ZHCSRU5F September   2005  – March 2023 SN65HVD50 , SN65HVD51 , SN65HVD52 , SN65HVD53 , SN65HVD54 , SN65HVD55

PRODUCTION DATA  

  1. 特性
  2. 应用
  3. 说明
  4. Revision History
  5. Available Options
  6. Pin Configurations
  7. Specifications
    1. 7.1 Absolute Maximum Ratings
    2. 7.2 Recommended Operating Conditions
    3. 7.3 Electrostatic Discharge Protection
    4. 7.4 Driver Electrical Characteristics
    5. 7.5 Driver Switching Characteristics
    6. 7.6 Receiver Electrical Characteristics
    7. 7.7 Receiver Switching Characteristics
    8. 7.8 Thermal Characteristics
    9. 7.9 Typical Characteristics
  8. Parameter Measurement Information
  9. Device Information
    1. 9.1 Ll-Power Standby Mode
    2. 9.2 Function Tables
    3. 9.3 Equivalent Input and Output Schematic Diagrams
  10. 10Application and Implementation
    1. 10.1 Thermal Characteristics of IC Packages
  11. 11Device and Documentation Support
    1. 11.1 接收文档更新通知
    2. 11.2 支持资源
    3. 11.3 商标
    4. 11.4 静电放电警告
    5. 11.5 术语表
  12. 12Mechanical, Packaging, and Orderable Information

封装选项

机械数据 (封装 | 引脚)
散热焊盘机械数据 (封装 | 引脚)
订购信息

Parameter Measurement Information

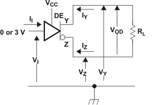
GUID-CF1397FB-BD3E-42A3-BA25-3AEB807BA172-low.gif Figure 8-1 Driver VOD Test Circuit: Voltage and Current Definitions
GUID-58EED30E-B6A1-4137-AB43-B2341CD5CC3A-low.gif Figure 8-2 Driver VOD With Common-Mode Loading Test Circuit

VOD(RING) is measured at four points on the output waveform, corresponding to overshoot and undershoot from the VOD(H) and VOD(L) steady state values.

GUID-773B7937-6FE0-4C5F-8622-45C2D057B79F-low.gif Figure 8-3 VOD(RING) Waveform and Definitions
GUID-84DA8F98-1A0C-4F6B-8537-80E2F25AA119-low.gif Figure 8-4 Test Circuit and Definitions for the Driver Common-Mode Output Voltage
GUID-CC4A03BA-FB48-46CF-B2B7-A387BECBDE9A-low.gif Figure 8-5 Driver Switching Test Circuit and Voltage Waveforms
GUID-FDA27D21-FED0-43FC-9827-C574507F4881-low.gif Figure 8-6 Driver High-Level Output Enable and Disable Time Test Circuit and Voltage Waveforms
GUID-E170F427-B513-4584-9503-E15B44E718AC-low.gif Figure 8-7 Driver Low-Level Output Enable and Disable Time Test Circuit and Voltage Waveforms
GUID-F6223F1E-F7E9-4C3A-8730-BDB454FB25CD-low.gif Figure 8-8 Receiver Voltage and Current Definitions
GUID-504541CA-787C-41B3-B335-48ACFB05339B-low.gif Figure 8-9 Receiver Switching Test Circuit and Voltage Waveforms
GUID-06655986-ABF7-4ABD-B8C6-9BC8B8529EC9-low.gif Figure 8-10 Receiver High-Level Enable and Disable Time Test Circuit and Voltage Waveforms
GUID-820B7AD5-85B7-4CD7-97F5-6D788D2A5F7F-low.gif Figure 8-11 Receiver Low-Level Enable and Disable Time Test Circuit and Voltage Waveforms
GUID-F3BD7306-85CA-4BD5-BE57-E21CF5852E0C-low.gif Figure 8-12 Test Circuit, Transient Overvoltage Test