ZHCSAU2G September   2012  – June 2018 SN65DSI84

PRODUCTION DATA.  

  1. 特性
  2. 应用
  3. 说明
    1.     典型应用
  4. 修订历史记录
  5. Pin Configuration and Functions
    1.     Pin Functions
  6. Specifications
    1. 6.1 Absolute Maximum Ratings
    2. 6.2 EDS Ratings
    3. 6.3 Recommended Operating Conditions
    4. 6.4 Thermal Information
    5. 6.5 Electrical Characteristics
    6. 6.6 Switching Characteristics
  7. Detailed Description
    1. 7.1 Overview
    2. 7.2 Functional Block Diagram
    3. 7.3 Feature Description
      1. 7.3.1 Clock Configurations and Multipliers
      2. 7.3.2 ULPS
      3. 7.3.3 LVDS Pattern Generation
    4. 7.4 Device Functional Modes
      1. 7.4.1 Reset Implementation
      2. 7.4.2 Initialization Sequence
      3. 7.4.3 LVDS Output Formats
      4. 7.4.4 DSI Lane Merging
      5. 7.4.5 DSI Pixel Stream Packets
      6. 7.4.6 DSI Video Transmission Specifications
      7. 7.4.7 Operating Modes
    5. 7.5 Programming
      1. 7.5.1 Local I2C Interface Overview
    6. 7.6 Register Maps
      1. 7.6.1 Control and Status Registers Overview
  8. Application and Implementation
    1. 8.1 Application Information
      1. 8.1.1 Video Stop and Restart Sequence
      2. 8.1.2 Reverse LVDS Pin Order Option
      3. 8.1.3 IRQ Usage
    2. 8.2 Typical Application
      1. 8.2.1 Design Requirements
      2. 8.2.2 Detailed Design Procedure
        1. 8.2.2.1 Example Script
      3. 8.2.3 Application Curve
  9. Power Supply Recommendations
    1. 9.1 VCC Power Supply
    2. 9.2 VCORE Power Supply
  10. 10Layout
    1. 10.1 Layout Guidelines
      1. 10.1.1 Package Specific
      2. 10.1.2 Differential Pairs
      3. 10.1.3 Ground
    2. 10.2 Layout Example
  11. 11器件和文档支持
    1. 11.1 接收文档更新通知
    2. 11.2 社区资源
    3. 11.3 商标
    4. 11.4 静电放电警告
    5. 11.5 术语表
  12. 12机械、封装和可订购信息

封装选项

机械数据 (封装 | 引脚)
散热焊盘机械数据 (封装 | 引脚)
订购信息

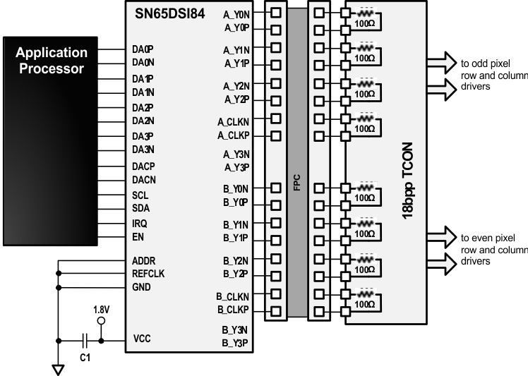
Typical Application

Figure 18 illustrates a typical application using the SN65DSI84 for a single channel DSI receiver to interface a single-channel DSI application processor to an LVDS Dual-Link 18 bit-per-pixel panel supporting 1920 x 1200 WUXGA resolutions at 60 frames per second.

SN65DSI84 fig19_typical_WUXGA_LLSEC2.gifFigure 18. Typical 1920 x 1200 WUXGA 18-bpp Panel Application