ZHCSOE1F April   2002  – July 2021 SN65C3221 , SN75C3221

PRODUCTION DATA  

  1. 特性
  2. 应用
  3. 说明
  4. Revision History
  5. Pin Configuration and Functions
  6. Specifications
    1. 6.1  Absolute Maximum Ratings
    2. 6.2  ESD Ratings
    3. 6.3  Recommended Operating Conditions (1)
      1. 6.3.1 Thermal Information
    4. 6.4  Electrical Characteristics
    5. 6.5  Electrical Characteristics - Driver
    6. 6.6  Switching Characteristics - Driver
    7. 6.7  Electrical Characteristics - Receiver
    8. 6.8  Switching Characteristics - Receiver
    9. 6.9  Electrical Characteristics - Auto-Powerdown
    10. 6.10 Switching Characteristics - Auto-Powerdown
  7. Parameter Measurement Information
  8. Detailed Description
    1. 8.1 Device Functional Modes
  9. Application and Implementation
    1. 9.1 Application Information
  10. 10Device and Documentation Support
    1. 10.1 接收文档更新通知
    2. 10.2 支持资源
    3. 10.3 Trademarks
    4. 10.4 Electrostatic Discharge Caution
    5. 10.5 术语表
  11. 11Mechanical, Packaging, and Orderable Information

封装选项

请参考 PDF 数据表获取器件具体的封装图。

机械数据 (封装 | 引脚)
  • PW|16
  • DB|16
散热焊盘机械数据 (封装 | 引脚)
订购信息

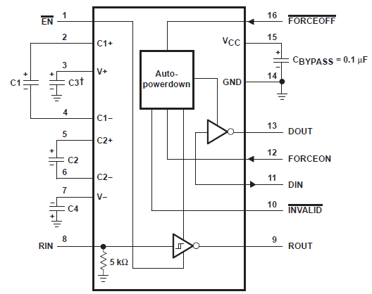
Application Information

GUID-20210630-CA0I-7QLW-TZBG-2PWBR7ZVRKVW-low.png

† C3 can be connected to VCC or GND

Resistor values shown are nominal.

Figure 9-1 Typical Operating Circuit and Capacitor Values
Table 9-1 VCC vs Capacitator Values
VCC C1 C2, C3, and C4
3.3 V ± 0.3 V 0.1 μF 0.1 μF
5 V ± 0.5 V 0.047 μF 0.33 μF
3 V to 5.5 V 0.1 μF 0.47 μF