ZHCSH84A September   2017  – December 2017 SN55HVD233-SP

PRODUCTION DATA.  

  1. 特性
  2. 应用
  3. 说明
    1.     Device Images
      1.      简化原理图
  4. 修订历史记录
  5. 说明 (续)
  6. Pin Configuration and Functions
    1.     Pin Functions
  7. Specifications
    1. 7.1  Absolute Maximum Ratings
    2. 7.2  ESD Ratings
    3. 7.3  Recommended Operating Conditions
    4. 7.4  Thermal Information
    5. 7.5  Driver Electrical Characteristics
    6. 7.6  Receiver Electrical Characteristics
    7. 7.7  Driver Switching Characteristics
    8. 7.8  Receiver Switching Characteristics
    9. 7.9  Device Switching Characteristics
    10. 7.10 Typical Characteristics
  8. Parameter Measurement Information
  9. Detailed Description
    1. 9.1 Overview
    2. 9.2 Functional Block Diagram
    3. 9.3 Feature Description
      1. 9.3.1 Modes
      2. 9.3.2 Loopback
      3. 9.3.3 CAN Bus States
      4. 9.3.4 ISO 11898 Compliance of SN55HVD233-SP
        1. 9.3.4.1 Introduction
        2. 9.3.4.2 Differential Signal
          1. 9.3.4.2.1 Common-Mode Signal
        3. 9.3.4.3 Interoperability of 3.3-V CAN in 5-V CAN Systems
      5. 9.3.5 Thermal Shutdown
    4. 9.4 Device Functional Modes
  10. 10Application and Implementation
    1. 10.1 Application Information
      1. 10.1.1 Diagnostic Loopback
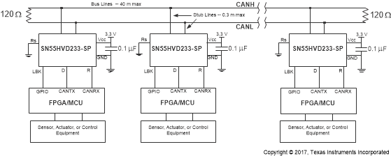
    2. 10.2 Typical Application
      1. 10.2.1 Design Requirements
      2. 10.2.2 Detailed Design Procedure
        1. 10.2.2.1 Slope Control
        2. 10.2.2.2 Standby
      3. 10.2.3 Application Curves
  11. 11Power Supply Recommendations
  12. 12Layout
    1. 12.1 Layout Guidelines
      1. 12.1.1 Bus Loading, Length, and Number of Nodes
      2. 12.1.2 CAN Termination
    2. 12.2 Layout Example
  13. 13器件和文档支持
    1. 13.1 接收文档更新通知
    2. 13.2 社区资源
    3. 13.3 商标
    4. 13.4 静电放电警告
    5. 13.5 Glossary
  14. 14机械、封装和可订购信息

封装选项

机械数据 (封装 | 引脚)
散热焊盘机械数据 (封装 | 引脚)
订购信息

Typical Application

SN55HVD233-SP typ_application_LLSEI2.gifFigure 29. Typical Application Schematic