ZHCSKX3 March   2020 PCM6240-Q1 , PCM6260-Q1 , PCM6340-Q1 , PCM6360-Q1

ADVANCE INFORMATION for pre-production products; subject to change without notice.  

  1. 特性
  2. 应用
  3. 说明
    1.     简化的应用示意图 (PCM6260-Q1)
  4. 修订历史记录
  5. 器件比较表
  6. Pin Configuration and Functions
    1.     Pin Functions: PCM6240-Q1
    2.     Pin Functions: PCM6260-Q1
    3.     Pin Functions: PCM6340-Q1
    4.     Pin Functions: PCM6360-Q1
  7. Specifications
    1. 7.1  Absolute Maximum Ratings
    2. 7.2  ESD Ratings
    3. 7.3  Recommended Operating Conditions
    4. 7.4  Thermal Information
    5. 7.5  Electrical Characteristics
    6. 7.6  Timing Requirements: I2C Interface
    7. 7.7  Switching Characteristics: I2C Interface
    8. 7.8  Timing Requirements: SPI Interface
    9. 7.9  Switching Characteristics: SPI Interface
    10. 7.10 Timing Requirements: TDM, I2S or LJ Interface
    11. 7.11 Switching Characteristics: TDM, I2S or LJ Interface
    12. 7.12 Typical Characteristics
  8. Detailed Description
    1. 8.1 Overview
    2. 8.2 Functional Block Diagrams
    3. 8.3 Feature Description
      1. 8.3.1 Serial Interfaces
        1. 8.3.1.1 Control Serial Interfaces
        2. 8.3.1.2 Audio Serial Interfaces
          1. 8.3.1.2.1 Time Division Multiplexed Audio (TDM) Interface
          2. 8.3.1.2.2 Inter IC Sound (I2S) Interface
          3. 8.3.1.2.3 Left-Justified (LJ) Interface
        3. 8.3.1.3 Using Multiple Devices With Shared Buses
      2. 8.3.2 Phase-Locked Loop (PLL) and Clock Generation
      3. 8.3.3 Input Channel Configuration
      4. 8.3.4 Reference Voltage
      5. 8.3.5 Microphone Bias
      6. 8.3.6 Input DC Fault Diagnostics
        1. 8.3.6.1 Fault Conditions
          1. 8.3.6.1.1 Input Pin Short to Ground
          2. 8.3.6.1.2 Input Pin Short to MICBIAS
          3. 8.3.6.1.3 Open Inputs
          4. 8.3.6.1.4 Short Between INxP and INxM
          5. 8.3.6.1.5 Input Pin Overvoltage
          6. 8.3.6.1.6 Input Pin Short to VBAT_IN
        2. 8.3.6.2 Fault Reporting
          1. 8.3.6.2.1 Overcurrent and Overtemperature Protection
      7. 8.3.7 Signal-Chain Processing
        1. 8.3.7.1 Programmable Channel Gain and Digital Volume Control
        2. 8.3.7.2 Programmable Channel Gain Calibration
        3. 8.3.7.3 Programmable Channel Phase Calibration
        4. 8.3.7.4 Programmable Digital High-Pass Filter
        5. 8.3.7.5 Programmable Digital Biquad Filters
        6. 8.3.7.6 Programmable Channel Summer and Digital Mixer
        7. 8.3.7.7 Configurable Digital Decimation Filters
          1. 8.3.7.7.1 Linear Phase Filters
            1. 8.3.7.7.1.1 Sampling Rate: 8 kHz or 7.35 kHz
            2. 8.3.7.7.1.2 Sampling Rate: 16 kHz or 14.7 kHz
            3. 8.3.7.7.1.3 Sampling Rate: 24 kHz or 22.05 kHz
            4. 8.3.7.7.1.4 Sampling Rate: 32 kHz or 29.4 kHz
            5. 8.3.7.7.1.5 Sampling Rate: 48 kHz or 44.1 kHz
            6. 8.3.7.7.1.6 Sampling Rate: 96 kHz or 88.2 kHz
            7. 8.3.7.7.1.7 Sampling Rate: 192 kHz or 176.4 kHz
            8. 8.3.7.7.1.8 Sampling Rate: 384 kHz or 352.8 kHz
            9. 8.3.7.7.1.9 Sampling Rate: 768 kHz or 705.6 kHz
          2. 8.3.7.7.2 Low-Latency Filters
            1. 8.3.7.7.2.1 Sampling Rate: 16 kHz or 14.7 kHz
            2. 8.3.7.7.2.2 Sampling Rate: 24 kHz or 22.05 kHz
            3. 8.3.7.7.2.3 Sampling Rate: 32 kHz or 29.4 kHz
            4. 8.3.7.7.2.4 Sampling Rate: 48 kHz or 44.1 kHz
            5. 8.3.7.7.2.5 Sampling Rate: 96 kHz or 88.2 kHz
            6. 8.3.7.7.2.6 Sampling Rate: 192 kHz or 176.4 kHz
          3. 8.3.7.7.3 Ultra-Low-Latency Filters
            1. 8.3.7.7.3.1 Sampling Rate: 16 kHz or 14.7 kHz
            2. 8.3.7.7.3.2 Sampling Rate: 24 kHz or 22.05 kHz
            3. 8.3.7.7.3.3 Sampling Rate: 32 kHz or 29.4 kHz
            4. 8.3.7.7.3.4 Sampling Rate: 48 kHz or 44.1 kHz
            5. 8.3.7.7.3.5 Sampling Rate: 96 kHz or 88.2 kHz
            6. 8.3.7.7.3.6 Sampling Rate: 192 kHz or 176.4 kHz
            7. 8.3.7.7.3.7 Sampling Rate: 384 kHz or 352.8 kHz
      8. 8.3.8 Automatic Gain Controller (AGC)
      9. 8.3.9 Interrupts, Status, and Digital I/O Pin Multiplexing
    4. 8.4 Device Functional Modes
      1. 8.4.1 Hardware Shutdown
      2. 8.4.2 Sleep Mode or Software Shutdown
      3. 8.4.3 Active Mode
      4. 8.4.4 Software Reset
    5. 8.5 Programming
      1. 8.5.1 Control Serial Interfaces
        1. 8.5.1.1 I2C Control Interface
          1. 8.5.1.1.1 General I2C Operation
          2. 8.5.1.1.2 I2C Single-Byte and Multiple-Byte Transfers
            1. 8.5.1.1.2.1 I2C Single-Byte Write
            2. 8.5.1.1.2.2 I2C Multiple-Byte Write
            3. 8.5.1.1.2.3 I2C Single-Byte Read
            4. 8.5.1.1.2.4 I2C Multiple-Byte Read
        2. 8.5.1.2 SPI Control Interface
          1. Table 1. SPI Command Word
    6. 8.6 Register Maps
      1. 8.6.1 Device Configuration Registers
        1. 8.6.1.1 Register Summary Table Page=0x00
        2. 8.6.1.2 Register Summary Table Page=0x01
        3. 8.6.1.3 Register Description: Page = 0x00
          1. 8.6.1.3.1  PAGE_CFG Register (page = 0x00, address = 0x00) [reset = 0h]
            1. Table 51. PAGE_CFG Register Field Descriptions
          2. 8.6.1.3.2  SW_RESET Register (page = 0x00, address = 0x01) [reset = 0h]
            1. Table 52. SW_RESET Register Field Descriptions
          3. 8.6.1.3.3  SLEEP_CFG Register (page = 0x00, address = 0x02) [reset = 0h]
            1. Table 53. SLEEP_CFG Register Field Descriptions
          4. 8.6.1.3.4  SHDN_CFG Register (page = 0x00, address = 0x05) [reset = 5h]
            1. Table 54. SHDN_CFG Register Field Descriptions
          5. 8.6.1.3.5  ASI_CFG0 Register (page = 0x00, address = 0x07) [reset = 30h]
            1. Table 55. ASI_CFG0 Register Field Descriptions
          6. 8.6.1.3.6  ASI_CFG1 Register (page = 0x00, address = 0x08) [reset = 0h]
            1. Table 56. ASI_CFG1 Register Field Descriptions
          7. 8.6.1.3.7  ASI_CFG2 Register (page = 0x00, address = 0x09) [reset = 0h]
            1. Table 57. ASI_CFG2 Register Field Descriptions
          8. 8.6.1.3.8  ASI_CH1 Register (page = 0x00, address = 0x0B) [reset = 0h]
            1. Table 58. ASI_CH1 Register Field Descriptions
          9. 8.6.1.3.9  ASI_CH2 Register (page = 0x00, address = 0x0C) [reset = 1h]
            1. Table 59. ASI_CH2 Register Field Descriptions
          10. 8.6.1.3.10 ASI_CH3 Register (page = 0x00, address = 0x0D) [reset = 2h]
            1. Table 60. ASI_CH3 Register Field Descriptions
          11. 8.6.1.3.11 ASI_CH4 Register (page = 0x00, address = 0x0E) [reset = 3h]
            1. Table 61. ASI_CH4 Register Field Descriptions
          12. 8.6.1.3.12 ASI_CH5 Register (page = 0x00, address = 0x0F) [reset = 4h]
            1. Table 62. ASI_CH5 Register Field Descriptions
          13. 8.6.1.3.13 ASI_CH6 Register (page = 0x00, address = 0x10) [reset = 5h]
            1. Table 63. ASI_CH6 Register Field Descriptions
          14. 8.6.1.3.14 MST_CFG0 Register (page = 0x00, address = 0x13) [reset = 2h]
            1. Table 64. MST_CFG0 Register Field Descriptions
          15. 8.6.1.3.15 MST_CFG1 Register (page = 0x00, address = 0x14) [reset = 48h]
            1. Table 65. MST_CFG1 Register Field Descriptions
          16. 8.6.1.3.16 ASI_STS Register (page = 0x00, address = 0x15) [reset = FFh]
            1. Table 66. ASI_STS Register Field Descriptions
          17. 8.6.1.3.17 CLK_SRC Register (page = 0x00, address = 0x16) [reset = 10h]
            1. Table 67. CLK_SRC Register Field Descriptions
          18. 8.6.1.3.18 GPIO_CFG0 Register (page = 0x00, address = 0x21) [reset = 22h]
            1. Table 68. GPIO_CFG0 Register Field Descriptions
          19. 8.6.1.3.19 GPIO_CFG1 Register (page = 0x00, address = 0x22) [reset = 0h]
            1. Table 69. GPIO_CFG1 Register Field Descriptions
          20. 8.6.1.3.20 GPIO_CFG2 Register (page = 0x00, address = 0x23) [reset = 0h]
            1. Table 70. GPIO_CFG2 Register Field Descriptions
          21. 8.6.1.3.21 GPI_CFG0 Register (page = 0x00, address = 0x24) [reset = 0h]
            1. Table 71. GPI_CFG0 Register Field Descriptions
          22. 8.6.1.3.22 GPI_CFG1 Register (page = 0x00, address = 0x25) [reset = 0h]
            1. Table 72. GPI_CFG1 Register Field Descriptions
          23. 8.6.1.3.23 GPIO_VAL Register (page = 0x00, address = 0x26) [reset = 0h]
            1. Table 73. GPIO_VAL Register Field Descriptions
          24. 8.6.1.3.24 GPIO_MON Register (page = 0x00, address = 0x27) [reset = 0h]
            1. Table 74. GPIO_MON Register Field Descriptions
          25. 8.6.1.3.25 INT_CFG Register (page = 0x00, address = 0x28) [reset = 0h]
            1. Table 75. INT_CFG Register Field Descriptions
          26. 8.6.1.3.26 INT_MASK0 Register (page = 0x00, address = 0x29) [reset = FFh]
            1. Table 76. INT_MASK0 Register Field Descriptions
          27. 8.6.1.3.27 INT_MASK1 Register (page = 0x00, address = 0x2A) [reset = 3h]
            1. Table 77. INT_MASK1 Register Field Descriptions
          28. 8.6.1.3.28 INT_MASK2 Register (page = 0x00, address = 0x2B) [reset = 0h]
            1. Table 78. INT_MASK2 Register Field Descriptions
          29. 8.6.1.3.29 INT_LTCH0 Register (page = 0x00, address = 0x2C) [reset = 0h]
            1. Table 79. INT_LTCH0 Register Field Descriptions
          30. 8.6.1.3.30 CHx_LTCH Register (page = 0x00, address = 0x2D) [reset = 0h]
            1. Table 80. CHx_LTCH Register Field Descriptions
          31. 8.6.1.3.31 CH1_LTCH Register (page = 0x00, address = 0x2E) [reset = 0h]
            1. Table 81. CH1_LTCH Register Field Descriptions
          32. 8.6.1.3.32 CH2_LTCH Register (page = 0x00, address = 0x2F) [reset = 0h]
            1. Table 82. CH2_LTCH Register Field Descriptions
          33. 8.6.1.3.33 CH3_LTCH Register (page = 0x00, address = 0x30) [reset = 0h]
            1. Table 83. CH3_LTCH Register Field Descriptions
          34. 8.6.1.3.34 CH4_LTCH Register (page = 0x00, address = 0x31) [reset = 0h]
            1. Table 84. CH4_LTCH Register Field Descriptions
          35. 8.6.1.3.35 CH5_LTCH Register (page = 0x00, address = 0x32) [reset = 0h]
            1. Table 85. CH5_LTCH Register Field Descriptions
          36. 8.6.1.3.36 CH6_LTCH Register (page = 0x00, address = 0x33) [reset = 0h]
            1. Table 86. CH6_LTCH Register Field Descriptions
          37. 8.6.1.3.37 INT_MASK3 Register (page = 0x00, address = 0x34) [reset = 0h]
            1. Table 87. INT_MASK3 Register Field Descriptions
          38. 8.6.1.3.38 INT_LTCH1 Register (page = 0x00, address = 0x35) [reset = 0h]
            1. Table 88. INT_LTCH1 Register Field Descriptions
          39. 8.6.1.3.39 INT_LTCH2 Register (page = 0x00, address = 0x36) [reset = 0h]
            1. Table 89. INT_LTCH2 Register Field Descriptions
          40. 8.6.1.3.40 INT_LTCH3 Register (page = 0x00, address = 0x37) [reset = 0h]
            1. Table 90. INT_LTCH3 Register Field Descriptions
          41. 8.6.1.3.41 MBDIAG_CFG0 Register (page = 0x00, address = 0x38) [reset = BAh]
            1. Table 91. MBDIAG_CFG0 Register Field Descriptions
          42. 8.6.1.3.42 MBDIAG_CFG1 Register (page = 0x00, address = 0x39) [reset = 4Bh]
            1. Table 92. MBDIAG_CFG1 Register Field Descriptions
          43. 8.6.1.3.43 MBDIAG_CFG2 Register (page = 0x00, address = 0x3A) [reset = 10h]
            1. Table 93. MBDIAG_CFG2 Register Field Descriptions
          44. 8.6.1.3.44 BIAS_CFG Register (page = 0x00, address = 0x3B) [reset = D0h]
            1. Table 94. BIAS_CFG Register Field Descriptions
          45. 8.6.1.3.45 CH1_CFG0 Register (page = 0x00, address = 0x3C) [reset = 10h]
            1. Table 95. CH1_CFG0 Register Field Descriptions
          46. 8.6.1.3.46 CH1_CFG1 Register (page = 0x00, address = 0x3D) [reset = 0h]
            1. Table 96. CH1_CFG1 Register Field Descriptions
          47. 8.6.1.3.47 CH1_CFG2 Register (page = 0x00, address = 0x3E) [reset = C9h]
            1. Table 97. CH1_CFG2 Register Field Descriptions
          48. 8.6.1.3.48 CH1_CFG3 Register (page = 0x00, address = 0x3F) [reset = 80h]
            1. Table 98. CH1_CFG3 Register Field Descriptions
          49. 8.6.1.3.49 CH1_CFG4 Register (page = 0x00, address = 0x40) [reset = 0h]
            1. Table 99. CH1_CFG4 Register Field Descriptions
          50. 8.6.1.3.50 CH2_CFG0 Register (page = 0x00, address = 0x41) [reset = 10h]
            1. Table 100. CH2_CFG0 Register Field Descriptions
          51. 8.6.1.3.51 CH2_CFG1 Register (page = 0x00, address = 0x42) [reset = 0h]
            1. Table 101. CH2_CFG1 Register Field Descriptions
          52. 8.6.1.3.52 CH2_CFG2 Register (page = 0x00, address = 0x43) [reset = C9h]
            1. Table 102. CH2_CFG2 Register Field Descriptions
          53. 8.6.1.3.53 CH2_CFG3 Register (page = 0x00, address = 0x44) [reset = 80h]
            1. Table 103. CH2_CFG3 Register Field Descriptions
          54. 8.6.1.3.54 CH2_CFG4 Register (page = 0x00, address = 0x45) [reset = 0h]
            1. Table 104. CH2_CFG4 Register Field Descriptions
          55. 8.6.1.3.55 CH3_CFG0 Register (page = 0x00, address = 0x46) [reset = 10h]
            1. Table 105. CH3_CFG0 Register Field Descriptions
          56. 8.6.1.3.56 CH3_CFG1 Register (page = 0x00, address = 0x47) [reset = 0h]
            1. Table 106. CH3_CFG1 Register Field Descriptions
          57. 8.6.1.3.57 CH3_CFG2 Register (page = 0x00, address = 0x48) [reset = C9h]
            1. Table 107. CH3_CFG2 Register Field Descriptions
          58. 8.6.1.3.58 CH3_CFG3 Register (page = 0x00, address = 0x49) [reset = 80h]
            1. Table 108. CH3_CFG3 Register Field Descriptions
          59. 8.6.1.3.59 CH3_CFG4 Register (page = 0x00, address = 0x4A) [reset = 0h]
            1. Table 109. CH3_CFG4 Register Field Descriptions
          60. 8.6.1.3.60 CH4_CFG0 Register (page = 0x00, address = 0x4B) [reset = 10h]
            1. Table 110. CH4_CFG0 Register Field Descriptions
          61. 8.6.1.3.61 CH4_CFG1 Register (page = 0x00, address = 0x4C) [reset = 0h]
            1. Table 111. CH4_CFG1 Register Field Descriptions
          62. 8.6.1.3.62 CH4_CFG2 Register (page = 0x00, address = 0x4D) [reset = C9h]
            1. Table 112. CH4_CFG2 Register Field Descriptions
          63. 8.6.1.3.63 CH4_CFG3 Register (page = 0x00, address = 0x4E) [reset = 80h]
            1. Table 113. CH4_CFG3 Register Field Descriptions
          64. 8.6.1.3.64 CH4_CFG4 Register (page = 0x00, address = 0x4F) [reset = 0h]
            1. Table 114. CH4_CFG4 Register Field Descriptions
          65. 8.6.1.3.65 CH5_CFG0 Register (page = 0x00, address = 0x50) [reset = 10h]
            1. Table 115. CH5_CFG0 Register Field Descriptions
          66. 8.6.1.3.66 CH5_CFG1 Register (page = 0x00, address = 0x51) [reset = 0h]
            1. Table 116. CH5_CFG1 Register Field Descriptions
          67. 8.6.1.3.67 CH5_CFG2 Register (page = 0x00, address = 0x52) [reset = C9h]
            1. Table 117. CH5_CFG2 Register Field Descriptions
          68. 8.6.1.3.68 CH5_CFG3 Register (page = 0x00, address = 0x53) [reset = 80h]
            1. Table 118. CH5_CFG3 Register Field Descriptions
          69. 8.6.1.3.69 CH5_CFG4 Register (page = 0x00, address = 0x54) [reset = 0h]
            1. Table 119. CH5_CFG4 Register Field Descriptions
          70. 8.6.1.3.70 CH6_CFG0 Register (page = 0x00, address = 0x55) [reset = 10h]
            1. Table 120. CH6_CFG0 Register Field Descriptions
          71. 8.6.1.3.71 CH6_CFG1 Register (page = 0x00, address = 0x56) [reset = 0h]
            1. Table 121. CH6_CFG1 Register Field Descriptions
          72. 8.6.1.3.72 CH6_CFG2 Register (page = 0x00, address = 0x57) [reset = C9h]
            1. Table 122. CH6_CFG2 Register Field Descriptions
          73. 8.6.1.3.73 CH6_CFG3 Register (page = 0x00, address = 0x58) [reset = 80h]
            1. Table 123. CH6_CFG3 Register Field Descriptions
          74. 8.6.1.3.74 CH6_CFG4 Register (page = 0x00, address = 0x59) [reset = 0h]
            1. Table 124. CH6_CFG4 Register Field Descriptions
          75. 8.6.1.3.75 DIAG_CFG0 Register (page = 0x00, address = 0x64) [reset = 0h]
            1. Table 125. DIAG_CFG0 Register Field Descriptions
          76. 8.6.1.3.76 DIAG_CFG1 Register (page = 0x00, address = 0x65) [reset = 37h]
            1. Table 126. DIAG_CFG1 Register Field Descriptions
          77. 8.6.1.3.77 DIAG_CFG2 Register (page = 0x00, address = 0x66) [reset = 87h]
            1. Table 127. DIAG_CFG2 Register Field Descriptions
          78. 8.6.1.3.78 DIAG_CFG3 Register (page = 0x00, address = 0x67) [reset = B8h]
            1. Table 128. DIAG_CFG3 Register Field Descriptions
          79. 8.6.1.3.79 DIAG_CFG4 Register (page = 0x00, address = 0x68) [reset = 0h]
            1. Table 129. DIAG_CFG4 Register Field Descriptions
          80. 8.6.1.3.80 DSP_CFG0 Register (page = 0x00, address = 0x6B) [reset = 1h]
            1. Table 130. DSP_CFG0 Register Field Descriptions
          81. 8.6.1.3.81 DSP_CFG1 Register (page = 0x00, address = 0x6C) [reset = 48h]
            1. Table 131. DSP_CFG1 Register Field Descriptions
          82. 8.6.1.3.82 AGC_CFG0 Register (page = 0x00, address = 0x70) [reset = E7h]
            1. Table 132. AGC_CFG0 Register Field Descriptions
          83. 8.6.1.3.83 IN_CH_EN Register (page = 0x00, address = 0x73) [reset = FCh]
            1. Table 133. IN_CH_EN Register Field Descriptions
          84. 8.6.1.3.84 ASI_OUT_CH_EN Register (page = 0x00, address = 0x74) [reset = 0h]
            1. Table 134. ASI_OUT_CH_EN Register Field Descriptions
          85. 8.6.1.3.85 PWR_CFG Register (page = 0x00, address = 0x75) [reset = 0h]
            1. Table 135. PWR_CFG Register Field Descriptions
          86. 8.6.1.3.86 DEV_STS0 Register (page = 0x00, address = 0x76) [reset = 0h]
            1. Table 136. DEV_STS0 Register Field Descriptions
          87. 8.6.1.3.87 DEV_STS1 Register (page = 0x00, address = 0x77) [reset = 80h]
            1. Table 137. DEV_STS1 Register Field Descriptions
        4. 8.6.1.4 Register Description: Page = 0x01
          1. 8.6.1.4.1  PAGE_CFG Register (page = 0x01, address = 0x00) [reset = 0h]
            1. Table 138. PAGE_CFG Register Field Descriptions
          2. 8.6.1.4.2  MBIAS_LOAD Register (page = 0x01, address = 0x16) [reset = 0h]
            1. Table 139. MBIAS_LOAD Register Field Descriptions
          3. 8.6.1.4.3  INT_LIVE0 Register (page = 0x01, address = 0x2C) [reset = 0h]
            1. Table 140. INT_LIVE0 Register Field Descriptions
          4. 8.6.1.4.4  CHx_LIVE Register (page = 0x01, address = 0x2D) [reset = 0h]
            1. Table 141. CHx_LIVE Register Field Descriptions
          5. 8.6.1.4.5  CH1_LIVE Register (page = 0x01, address = 0x2E) [reset = 0h]
            1. Table 142. CH1_LIVE Register Field Descriptions
          6. 8.6.1.4.6  CH2_LIVE Register (page = 0x01, address = 0x2F) [reset = 0h]
            1. Table 143. CH2_LIVE Register Field Descriptions
          7. 8.6.1.4.7  CH3_LIVE Register (page = 0x01, address = 0x30) [reset = 0h]
            1. Table 144. CH3_LIVE Register Field Descriptions
          8. 8.6.1.4.8  CH4_LIVE Register (page = 0x01, address = 0x31) [reset = 0h]
            1. Table 145. CH4_LIVE Register Field Descriptions
          9. 8.6.1.4.9  CH5_LIVE Register (page = 0x01, address = 0x32) [reset = 0h]
            1. Table 146. CH5_LIVE Register Field Descriptions
          10. 8.6.1.4.10 CH6_LIVE Register (page = 0x01, address = 0x33) [reset = 0h]
            1. Table 147. CH6_LIVE Register Field Descriptions
          11. 8.6.1.4.11 INT_LIVE1 Register (page = 0x01, address = 0x35) [reset = 0h]
            1. Table 148. INT_LIVE1 Register Field Descriptions
          12. 8.6.1.4.12 INT_LIVE3 Register (page = 0x01, address = 0x37) [reset = 0h]
            1. Table 149. INT_LIVE3 Register Field Descriptions
          13. 8.6.1.4.13 DIAGDATA_CFG Register (page = 0x01, address = 0x59) [reset = 0h]
            1. Table 150. DIAGDATA_CFG Register Field Descriptions
          14. 8.6.1.4.14 DIAG_MON_MSB_VBAT Register (page = 0x01, address = 0x5A) [reset = 0h]
            1. Table 151. DIAG_MON_MSB_VBAT Register Field Descriptions
          15. 8.6.1.4.15 DIAG_MON_LSB_VBAT Register (page = 0x01, address = 0x5B) [reset = 0h]
            1. Table 152. DIAG_MON_LSB_VBAT Register Field Descriptions
          16. 8.6.1.4.16 DIAG_MON_MSB_MBIAS Register (page = 0x01, address = 0x5C) [reset = 0h]
            1. Table 153. DIAG_MON_MSB_MBIAS Register Field Descriptions
          17. 8.6.1.4.17 DIAG_MON_LSB_MBIAS Register (page = 0x01, address = 0x5D) [reset = 1h]
            1. Table 154. DIAG_MON_LSB_MBIAS Register Field Descriptions
          18. 8.6.1.4.18 DIAG_MON_MSB_IN1P Register (page = 0x01, address = 0x5E) [reset = 0h]
            1. Table 155. DIAG_MON_MSB_IN1P Register Field Descriptions
          19. 8.6.1.4.19 DIAG_MON_LSB_IN1P Register (page = 0x01, address = 0x5F) [reset = 2h]
            1. Table 156. DIAG_MON_LSB_IN1P Register Field Descriptions
          20. 8.6.1.4.20 DIAG_MON_MSB_IN1M Register (page = 0x01, address = 0x60) [reset = 0h]
            1. Table 157. DIAG_MON_MSB_IN1M Register Field Descriptions
          21. 8.6.1.4.21 DIAG_MON_LSB_IN1M Register (page = 0x01, address = 0x61) [reset = 3h]
            1. Table 158. DIAG_MON_LSB_IN1M Register Field Descriptions
          22. 8.6.1.4.22 DIAG_MON_MSB_IN2P Register (page = 0x01, address = 0x62) [reset = 0h]
            1. Table 159. DIAG_MON_MSB_IN2P Register Field Descriptions
          23. 8.6.1.4.23 DIAG_MON_LSB_IN2P Register (page = 0x01, address = 0x63) [reset = 4h]
            1. Table 160. DIAG_MON_LSB_IN2P Register Field Descriptions
          24. 8.6.1.4.24 DIAG_MON_MSB_IN2M Register (page = 0x01, address = 0x64) [reset = 0h]
            1. Table 161. DIAG_MON_MSB_IN2M Register Field Descriptions
          25. 8.6.1.4.25 DIAG_MON_LSB_IN2M Register (page = 0x01, address = 0x65) [reset = 5h]
            1. Table 162. DIAG_MON_LSB_IN2M Register Field Descriptions
          26. 8.6.1.4.26 DIAG_MON_MSB_IN3P Register (page = 0x01, address = 0x66) [reset = 0h]
            1. Table 163. DIAG_MON_MSB_IN3P Register Field Descriptions
          27. 8.6.1.4.27 DIAG_MON_LSB_IN3P Register (page = 0x01, address = 0x67) [reset = 6h]
            1. Table 164. DIAG_MON_LSB_IN3P Register Field Descriptions
          28. 8.6.1.4.28 DIAG_MON_MSB_IN3M Register (page = 0x01, address = 0x68) [reset = 0h]
            1. Table 165. DIAG_MON_MSB_IN3M Register Field Descriptions
          29. 8.6.1.4.29 DIAG_MON_LSB_IN3M Register (page = 0x01, address = 0x69) [reset = 7h]
            1. Table 166. DIAG_MON_LSB_IN3M Register Field Descriptions
          30. 8.6.1.4.30 DIAG_MON_MSB_IN4P Register (page = 0x01, address = 0x6A) [reset = 0h]
            1. Table 167. DIAG_MON_MSB_IN4P Register Field Descriptions
          31. 8.6.1.4.31 DIAG_MON_LSB_IN4P Register (page = 0x01, address = 0x6B) [reset = 8h]
            1. Table 168. DIAG_MON_LSB_IN4P Register Field Descriptions
          32. 8.6.1.4.32 DIAG_MON_MSB_IN4M Register (page = 0x01, address = 0x6C) [reset = 0h]
            1. Table 169. DIAG_MON_MSB_IN4M Register Field Descriptions
          33. 8.6.1.4.33 DIAG_MON_LSB_IN4M Register (page = 0x01, address = 0x6D) [reset = 9h]
            1. Table 170. DIAG_MON_LSB_IN4M Register Field Descriptions
          34. 8.6.1.4.34 DIAG_MON_MSB_IN5P Register (page = 0x01, address = 0x6E) [reset = 0h]
            1. Table 171. DIAG_MON_MSB_IN5P Register Field Descriptions
          35. 8.6.1.4.35 DIAG_MON_LSB_IN5P Register (page = 0x01, address = 0x6F) [reset = Ah]
            1. Table 172. DIAG_MON_LSB_IN5P Register Field Descriptions
          36. 8.6.1.4.36 DIAG_MON_MSB_IN5M Register (page = 0x01, address = 0x70) [reset = 0h]
            1. Table 173. DIAG_MON_MSB_IN5M Register Field Descriptions
          37. 8.6.1.4.37 DIAG_MON_LSB_IN5M Register (page = 0x01, address = 0x71) [reset = Bh]
            1. Table 174. DIAG_MON_LSB_IN5M Register Field Descriptions
          38. 8.6.1.4.38 DIAG_MON_MSB_IN6P Register (page = 0x01, address = 0x72) [reset = 0h]
            1. Table 175. DIAG_MON_MSB_IN6P Register Field Descriptions
          39. 8.6.1.4.39 DIAG_MON_LSB_IN6P Register (page = 0x01, address = 0x73) [reset = Ch]
            1. Table 176. DIAG_MON_LSB_IN6P Register Field Descriptions
          40. 8.6.1.4.40 DIAG_MON_MSB_IN6M Register (page = 0x01, address = 0x74) [reset = 0h]
            1. Table 177. DIAG_MON_MSB_IN6M Register Field Descriptions
          41. 8.6.1.4.41 DIAG_MON_LSB_IN6M Register (page = 0x01, address = 0x75) [reset = Dh]
            1. Table 178. DIAG_MON_LSB_IN6M Register Field Descriptions
          42. 8.6.1.4.42 DIAG_MON_MSB_TEMP Register (page = 0x01, address = 0x76) [reset = 0h]
            1. Table 179. DIAG_MON_MSB_TEMP Register Field Descriptions
          43. 8.6.1.4.43 DIAG_MON_LSB_TEMP Register (page = 0x01, address = 0x77) [reset = Eh]
            1. Table 180. DIAG_MON_LSB_TEMP Register Field Descriptions
          44. 8.6.1.4.44 DIAG_MON_MSB_LOAD Register (page = 0x01, address = 0x78) [reset = 0h]
            1. Table 181. DIAG_MON_MSB_LOAD Register Field Descriptions
          45. 8.6.1.4.45 DIAG_MON_LSB_LOAD Register (page = 0x01, address = 0x79) [reset = Fh]
            1. Table 182. DIAG_MON_LSB_LOAD Register Field Descriptions
      2. 8.6.2 Programmable Coefficient Registers
        1. 8.6.2.1 Programmable Coefficient Registers: Page = 0x02
        2. 8.6.2.2 Programmable Coefficient Registers: Page = 0x03
        3. 8.6.2.3 Programmable Coefficient Registers: Page = 0x04
  9. Application and Implementation
    1. 9.1 Application Information
    2. 9.2 Typical Applications
      1. 9.2.1 Four-Channel Analog Microphone Recording Using the PCM6240-Q1
        1. 9.2.1.1 Design Requirements
        2. 9.2.1.2 Detailed Design Procedure
          1. 9.2.1.2.1 Example Device Register Configuration Script for EVM Setup
        3. 9.2.1.3 Application Curves
    3. 9.3 What To Do and What Not To Do
  10. 10Power Supply Recommendations
  11. 11Layout
    1. 11.1 Layout Guidelines
    2. 11.2 Layout Examples
  12. 12器件和文档支持
    1. 12.1 器件支持
      1. 12.1.1 开发支持
    2. 12.2 文档支持
      1. 12.2.1 相关文档
    3. 12.3 相关链接
    4. 12.4 接收文档更新通知
    5. 12.5 社区资源
    6. 12.6 商标
    7. 12.7 静电放电警告
    8. 12.8 Glossary
  13. 13机械、封装和可订购信息

封装选项

机械数据 (封装 | 引脚)
散热焊盘机械数据 (封装 | 引脚)
订购信息

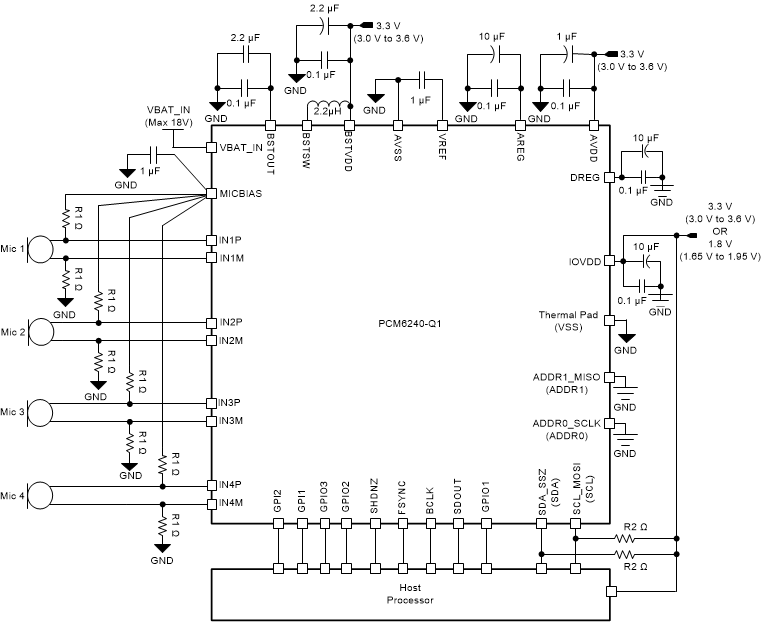
Four-Channel Analog Microphone Recording Using the PCM6240-Q1

Figure 228 shows a typical configuration of the PCM6240-Q1 for an application using four analog microphones for simultaneous recording operation with an I2C control interface and the TDM audio data slave interface.

PCM6240-Q1 PCM6260-Q1 PCM6340-Q1 PCM6360-Q1 apps-01-pcm6240-sbas884.gifFigure 228. Four-Channel Analog Microphone Recording