ZHCSDF7C July   2009  – August 2014 OPA1611 , OPA1612

PRODUCTION DATA.  

  1. 特性
  2. 应用
  3. 概述
  4. 修订历史
  5. 引脚配置和功能描述
  6. 技术规格
    1. 6.1 绝对最大额定值
    2. 6.2 操作参数
    3. 6.3 建议的工作条件
    4. 6.4 电性能特性:VS = ±2.25V 至 ±18V
    5. 6.5 典型特性
  7. 详细说明
    1. 7.1 概要
    2. 7.2 功能框图
    3. 7.3 特性描述
      1. 7.3.1 功耗
      2. 7.3.2 电气过载
      3. 7.3.3 工作电压
      4. 7.3.4 输入保护
  8. 应用和实施
    1. 8.1 应用信息
    2. 8.2 噪声性能
      1. 8.2.1 详细设计流程
      2. 8.2.2 应用曲线
      3. 8.2.3 基本噪声计算
    3. 8.3 总谐波失真测定
    4. 8.4 容性负载
    5. 8.5 应用电路
  9. 电源相关建议
  10. 10布局布线
    1. 10.1 布局布线指南
    2. 10.2 布局示例
  11. 11器件和文档支持
    1. 11.1 文档支持
      1. 11.1.1 相关文档 
    2. 11.2 相关链接
    3. 11.3 商标
    4. 11.4 静电放电警告
    5. 11.5 术语表
  12. 12机械、封装和可订购信息

封装选项

机械数据 (封装 | 引脚)
散热焊盘机械数据 (封装 | 引脚)
订购信息

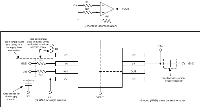
10 布局布线

10.1 布局布线指南

为使器件表现出最佳工作性能,需采用效果较好的印刷电路板 (PCB) 布局规范,包括:

  • 噪声可通过全部电路电源引脚及运算放大器本身传入模拟电路。 旁路电容为局部模拟电路提供低阻抗电源,用于降低耦合噪声。
    • 在每个电源引脚和接地端之间接入低等效串联电阻 (ESR) 0.1µF 陶瓷旁路电容,放置位置尽量靠近器件。 针对单电源应用,V+ 与接地端之间可以接入单个旁路电容。
  • 最简单有效的噪声抑制方法是:将电路中的模拟部分和数字部分单独接地。 多层 PCB 中通常将一层或多层专门作为接地层。 接地层有助于散热和降低电磁干扰 (EMI) 噪声拾取。 确保数字接地和模拟接地间物理隔离,同时应留意接地电流。 更多详细信息,请参见应用报告《电路板布局布线技巧》(SLOA089)
  • 为降低寄生耦合,输入走线应尽量远离电源或输出走线。 如果上述走线无法分离,可优先选择将敏感的走线与有噪声的走线交叉垂直,而非与之平行。
  • 外部元件尽可能靠近器件放置。 如Figure 36 所示,使 RF 和 RG 靠近反相输入可最大限度减小寄生电容。
  • 尽可能缩短输入走线。 切记:输入走线是电路中最敏感的部分。
  • 考虑在关键走线周围设定驱动型低阻抗保护环。 这样可显著减少附近走线在不同电势下产生的泄漏电流。

10.2 布局示例

OPA1611 OPA1612 layout_example_bos620.gifFigure 36. 同相配置运算放大器电路板布局